电脑桌面
添加小米粒文库到电脑桌面
安装后可以在桌面快捷访问

课后答案(固体干燥)VIP免费

课后答案(固体干燥)_第1页
1/11
课后答案(固体干燥)_第2页
2/11
课后答案(固体干燥)_第3页
3/11
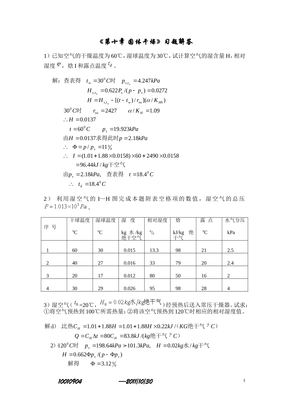
《第十章固体干燥》习题解答1)已知空气的干燥温度为60℃,湿球温度为30℃,试计算空气的湿含量H,相对湿度,焓I和露点温度。CtCtkPapkgkJIppkPapHkPapCtHKrCKrttHHppPHkPapCtdsssHtwHhtwwtssststswwww000000,,,04.184.18,18.2/44.960158.0249060)0158.088.101.1(11/18.20137.0923.19600137.009.1/242730)/](/)[(0272.0)/(622.0247.430查表得由干空气求得此时由时时解:查表得2)利用湿空气的I—H图完成本题附表空格项的数值,湿空气的总压。序号干球温度0C湿球温度0C湿度kg水/kg绝干空气相对湿度0/0焓kJ/kg绝干气露点0C水气分压kPa160300.01513.398212.5240270.0163379202.4320170.0128050162430290.02695982843)湿空气(=20℃,)经预热后送入常压干燥器。试求:①将空气预热到100℃所需热量:②将该空气预热到120℃时相应的相对湿度值。0000012.3)/(662.0/02.0,3.10164.1981202/(8.8380/22.088.101.188.101.1.1解得干气水时))绝干气)绝干气(比热)解:sssHHHpppHkgkgHkPakPapCCkgkJCtCQCKGkJHHC10010904—2011/10/3014)湿度为的湿空气在预热器中加热到128℃后进入常压等焓干燥器中,离开干燥器时空气的温度为49℃,求离开干燥器时露点温度。解:I=(1.01+1.88H)t+2500H 等焓∴I1=I2∴(1.01+1.88H1)t1+2500H1=(1.01+1.88H2)t2+2500H2(1.01+1.880.018)128+25000.018=(1.01+1.88H2)49+2500H2∴H2=0.0498kg水/kg干气 HpPp0622.∴0049806221013105...pp∴p=7510Pa查表得td=40℃5)在一定总压下空气通过升温或一定温度下空气温度通过减压来降低相对湿度现有温度为40℃,相对湿度为70%的空气。试计算:①采用升高温度的方法,将空气的相对湿度降至20%,此时空气的温度为多少?②若提高温度后,再采用减小总压的方法,将空气的相对湿度降至10%,此时的操作总压为多少?解:(1)t=40℃时查表ps=7.377KPa,∴p=jps=0.77.377=5.1639Kpa H1=H2∴p=p’=5.1639Kpa∴ppKPas025163902258195....查表得t=63.3℃(2) t不变∴ps=25.8195KPa由63.3℃,j=10%查图得H=0.014kg水/kg干空气HpPp0622.00140622258195258195....P∴P’=117.29Kpa6)某干燥器冬季的大气状态为℃,,夏季空气状态为℃,。如果空气离开干燥器时的状态均为℃,。试分别计算该干燥器在冬、夏季的单位空气消耗量。kPappkPapCtss9.53766.7,402,222,02解:10010904—2011/10/302水干气)((夏)干气夏季:水干气)((冬)干气冬季:干气kgkgHHLkgkgppHkPapCtkgkgHHLkgkgppHkPapCtkgkgpppHssssssss/4.47/1/01742.0)3.101/(622.0%652474.430/1.27/1/0016.0)33.101/(662.0%308728.05/0385.0)/(662.0020000200027)在常压连续干燥器中,将某物料从含水量10%干燥至0.5%(均为湿基),绝干物料比热为1.8kJ/(kg.℃),干燥器的生产能力为3600kg绝干物料/h,物料进、出干燥器的温度分别为20℃和70℃。热空气进入干燥器的温度为130℃,湿度为0.005kg水/kg绝干空气,离开时温度为80℃。热损失忽略不计,试确定干空气的消耗量及空气离开干燥器时的温度。干气水干气联立方程,解得衡算可得:又根据物料衡算,热量干料干料干气水解:’‘kgkgHhkgLIILIIGHHLWkgkJCwxCsIkgkJCwxCsIHHHIkgkJIhkgxxGWxxC/01992.0/25572)()()(/46.12770)187.4005.08.1(/30.4520)187.4111.08.1(4.26408.80249080)88.101.1(/97.144005.02490130)005.088.101.1(/6.381)(005.0111.0)1.01/(1.02122122222'1111'2121218)在常压连续干燥器中,将某物料从含水量5%干燥至0.2%(均为湿基),绝干物料比热为1.9kJ/(kg.℃),干燥器的生产能力为7200kg湿物料/h,空气进入预热器的干、湿球温度分别为25℃和20℃。离开预热器的温度为100℃,离开干燥器的温度为60℃,湿物料进入干燥器时温度为25℃,离开干燥器为35℃,干燥器的热损失...

1、当您付费下载文档后,您只拥有了使用权限,并不意味着购买了版权,文档只能用于自身使用,不得用于其他商业用途(如 [转卖]进行直接盈利或[编辑后售卖]进行间接盈利)。
2、本站所有内容均由合作方或网友上传,本站不对文档的完整性、权威性及其观点立场正确性做任何保证或承诺!文档内容仅供研究参考,付费前请自行鉴别。
3、如文档内容存在违规,或者侵犯商业秘密、侵犯著作权等,请点击“违规举报”。

碎片内容

课后答案(固体干燥)

确认删除?
VIP
微信客服
  • 扫码咨询
会员Q群
  • 会员专属群点击这里加入QQ群
客服邮箱
回到顶部