电脑桌面
添加小米粒文库到电脑桌面
安装后可以在桌面快捷访问

葡萄糖氯化钠注射液工艺规程VIP免费

葡萄糖氯化钠注射液工艺规程_第1页
1/7
葡萄糖氯化钠注射液工艺规程_第2页
2/7
葡萄糖氯化钠注射液工艺规程_第3页
3/7
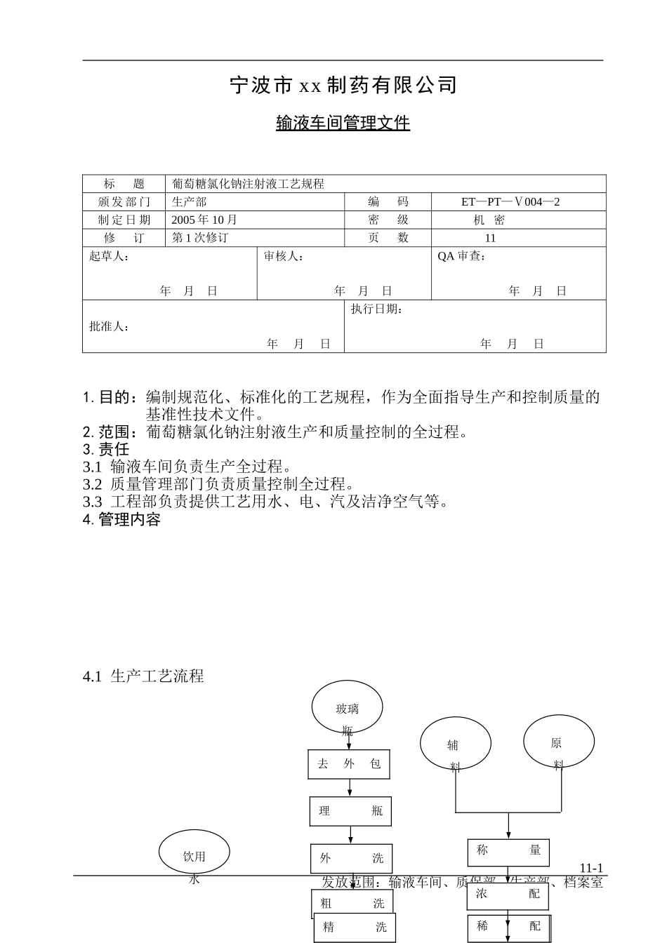
宁波市xx制药有限公司输液车间管理文件标题葡萄糖氯化钠注射液工艺规程颁发部门生产部编码ET—PT—Ⅴ004—2制定日期2005年10月密级机密修订第1次修订页数11起草人:年月日审核人:年月日QA审查:年月日批准人:年月日执行日期:年月日1.目的:编制规范化、标准化的工艺规程,作为全面指导生产和控制质量的基准性技术文件。2.范围:葡萄糖氯化钠注射液生产和质量控制的全过程。3.责任3.1输液车间负责生产全过程。3.2质量管理部门负责质量控制全过程。3.3工程部负责提供工艺用水、电、汽及洁净空气等。4.管理内容4.1生产工艺流程11-1发放范围:输液车间、质保部、生产部、档案室饮用水玻璃瓶灌装过滤稀配称量去外包理瓶外洗粗洗精洗浓配原料辅料葡萄糖氯化钠注射液工艺规程编码:ET—PT—Ⅴ004—2其中:粗洗、浓配采用10万级稀配、轧盖采用1万级灌装、压塞采用局部100级4.2操作过程及工艺条件4.2.1理瓶根据生产量准备相应数量的瓶子,脱去外包装后正立于理瓶台上,挑选出破损瓶子,待理瓶台集满瓶子后可开动理瓶机传送带,送瓶。4.2.2外洗4.2.2.1开启饮用水水源,启动外洗机主机开关进行外洗操作。4.2.2.2检查经过外洗的输液瓶,将破损瓶及时挑出,放在指定地点。4.2.3粗洗4.2.3.1开启电源;将水箱和储水箱注满水至溢水管顶部,水温控制到50~60℃,开启水泵,打开喷淋水控制阀(以能将空瓶注满水为准),启动超声波、输液轨道和主机,进行粗洗操作。4.2.3.2操作过程中,碰到紧急情况,应按下紧急停车按钮,立即停车,检查调整后再开机。4.2.4精洗4.2.4.1检查过滤后注射用水可见异物,合格后方可进行精洗操作。4.2.4.2打开电源开关,将储水罐注满水,水温控制到50~60℃,调节新鲜水压力0.2~0.4MPa,调节压缩空气控制阀至压力0.2~0.4MPa,打开水泵,调节循环水压至0.2~0.4MPa,开启主机,进行精洗操作。4.2.4.3检查精洗后玻璃瓶可见异物合格,注射用水残存应不超过2滴,输液瓶方可进行灌装。4.2.4.4精洗好的瓶子存放时间不超过30分钟,否则重新清洗。11-2压塞轧盖灭菌灯检贴签包装纯化水注射用水胶塞清洗铝盖消毒过滤葡萄糖氯化钠注射液工艺规程编码:ET—PT—Ⅴ004—24.2.5配料4.2.5.1浓配4.2.5.1.1核对原辅料品名、规格、批号、数量、检验报告单,确认无误后按生产指令书上的处方量进行称量,称量过程要有人复核。4.2.5.1.2在浓配罐中加入处方量20%新鲜注射用水,加入处方量的葡萄糖和氯化钠使其溶解完全后成浓溶液,同时加入0.5%(g/ml)活性炭,煮沸,搅拌30分钟,趁热通过过滤器打入稀配罐,并用少量注射用水冲洗浓配罐,冲洗液全部通过过滤器打入稀配罐,重复冲洗数次,直至清洗水澄清为止(注意:冲洗水量不能过多,以免超出配制体积)4.2.5.2稀配在稀配罐加入注射用水至全量,搅拌均匀,开启回流泵,自身循环或直接打到灌装间回流,药液经粗滤、精滤、高位槽、低位槽重新返回稀配罐,药液回流半小时后,取样测PH值、含量、澄明度。根据含量、PH情况,适当补充主药或加注射用水,调节PH值用1M的盐酸。PH值控制在3.8~5.2,含量控制在标示量的97.0~103.0%,半成品各项指标合格后方可灌装。4.2.6灌装压塞4.2.6.1灌装前要按要求进行药液回流,检查药液澄明度,合格后方可进行灌装。4.2.6.2调节药液调节阀至适当位置,用量筒检查装量,装量合格方可开始灌装。4.2.6.3葡萄糖氯化钠注射液规格为100ml:葡萄糖8g:氯化钠0.18g,要求单瓶装量不得低于100ml,装量不得低于102ml,随时检查装量,发现装量不准要及时调整。4.2.6.4药液灌装后随时检查澄明度,发现澄明度异常立即停机,查明原因后再进行生产。4.2.6.5胶塞放置于压塞振荡器中,调节好速度使胶塞充满轨道并运行正常。4.2.6.6开启压塞机传送带及主机驱动按钮,调节好设备使走瓶平稳、准确。根据生产情况调节好主机运转速度,以免发生缺瓶或瓶子堆积现象。4.2.6.7生产结束要及时按设备操作规程清洗。4.2.7轧盖4.2.7.1将经过消毒的铝盖放入振荡器中,开启输瓶传送带、振荡器开关、主机开关,进行轧盖操作。4.2.7.2轧盖过程中发现有无封紧、凹边要及时调整。4.2.8灭菌4.2.8.1灭菌时蒸汽压力要大于0.4Mpa,压缩空气压力要大于0....

1、当您付费下载文档后,您只拥有了使用权限,并不意味着购买了版权,文档只能用于自身使用,不得用于其他商业用途(如 [转卖]进行直接盈利或[编辑后售卖]进行间接盈利)。
2、本站所有内容均由合作方或网友上传,本站不对文档的完整性、权威性及其观点立场正确性做任何保证或承诺!文档内容仅供研究参考,付费前请自行鉴别。
3、如文档内容存在违规,或者侵犯商业秘密、侵犯著作权等,请点击“违规举报”。

碎片内容

葡萄糖氯化钠注射液工艺规程

您可能关注的文档

确认删除?
VIP
微信客服
  • 扫码咨询
会员Q群
  • 会员专属群点击这里加入QQ群
客服邮箱
回到顶部