电脑桌面
添加小米粒文库到电脑桌面
安装后可以在桌面快捷访问

B栋工程施工组织设计消防电气安装部分剖析VIP免费

B栋工程施工组织设计消防电气安装部分剖析_第1页
1/19
B栋工程施工组织设计消防电气安装部分剖析_第2页
2/19
B栋工程施工组织设计消防电气安装部分剖析_第3页
3/19
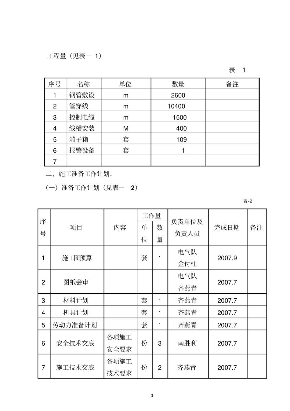
1一、工程概况及施工组织设计编制依据(一)工程概况工程名称太平大街局部地段改造1#2#搂工程地址原塑料三厂建筑面积20000m2建设单位黑龙江蓝筹房地产开发公司设计单位哈尔滨市建筑设计研究院工程结构框剪监理单位监理公司施工单位哈尔滨缘达工程安装有限公司建筑层数地下一层施工工期开工2007.7.30地上十楼梯七层竣工2008.12.30说明:1、该工程位于原塑料三厂院内,是一栋高层建筑住宅楼房。2、该楼保护等级为一级,报警和联动在B栋消防控制室控制。3、本工程自动报警系统由报警控制器、消防电话、消防广播、CRT、供电电源以及各类探测器和各种输入输出控制接口组成。4、本工程线路均采用钢管保护敷设。5、消防电话、广播等、24伏直流电源、报警总线及联动总线在电井内以金属线槽敷设,线槽外刷防火涂料。6、本工程消防设备接地为联合接地方式,采用专用接地线,接地电阻不大于1欧姆。(二)施工组织设计编制依据:1、根据施工合同;2、小区1#2#栋消防电气图纸;3、建筑电气工程质量验收规范GB50303-2002;4、火灾自动报警系统规范GB50116-98;25、建筑消防设施安装工程质量检验标准GB23/699-2000;6、省消防电气安装工艺及施工规范。3工程量(见表-1)表-1序号名称单位数量备注1钢管敷设m26002管穿线m104003控制电缆m15004线槽安装M4005端子箱套1096报警设备套17二、施工准备工作计划:(一)准备工作计划(见表-2)表-2序号项目内容工作量负责单位及负责人员完成日期备注单位数量1施工图预算套1电气队金付柱2007.92图纸会审电气队齐燕青2007.73材料计划套1齐燕青2007.74机具计划套1齐燕青2007.75劳动力准备计划套1齐燕青2007.76安全技术交底各项施工安全要求份3南胜利2007.77施工技术交底各项施工技术要求份2齐燕青2007.745(二)主要材料计划(见表-3)表-3序号名称规格单位数量进场日期1钢管S15m26002007.72导线BV1.5m104002008.73控制电缆KVV(8×10)m15002008.84线槽150×100m4002008.95探测器JTY-LZ-1108套1762008.86端子箱HJ-1750B台1092008.87模块各种套2052008.98报警及联动设备套12008.10(三)主要机具设备计划(见表-4)表-4序号名称规格单位数量使用日期1电焊机10KW台22007.62无齿锯台22007.63压力架子个12007.64手电钻套22007.65铁锉,锯弓子把42007.66电锤把22007.67合梯,单梯架42007.7-98手锤,电工工具套102007.7-99台钳个12007.7-910兆欧表500V0-500块12007.8-1011万用表块12007.8-10612活板手把12007.8-1013压接钳把12007.8-1014接地电阻测试仪台12007.5-1015弯管器把42007.11-2008.916电工常用工具套102007.11-2008.97(四)劳动力需用量计划(见表-5)表-5序号工程名称需用总工人数需用人数及进场日期(2007年7月——12月)2007年7月—2008年12月7月9月10月08年46月8月10月11月12月1敷管工程电工力工2444668102线槽敷设电工力工22223管内穿线电工力工2222224端子箱电工力工11115器具安装电工338力工6系统调试电工力工4479三、施工进度计(见表-6)表-6年20072008月7810四六八九十十一十二日1020301020301020301020301020301020301020301020301530配管工程线槽安装管内穿线端子箱器具安装系统10调试其它四、施工方案、施工方法与技术措施(一)组织机构项目经理:李树阳电气工长:曹彦军(二)施工工艺流程配管预埋安装箱盒线槽敷设管内穿线器具安装自检、调试竣工交验.(三)组织平行流水水平施工和立体交叉作业在施工中,各工种间衔接必须紧揍合理,防止出现窝工现象,尽量压缩劳动力,积极配合土建施工进度,并根据自身需要及现场实际情况,组织好平行流水施工和立体交叉作业。在主体施工阶段,组织各管路暗敷设等工序,进行平行流水施工。在主体施工结束后,电气班组安装探测器底座、电话、插座盒、管内穿线及配电箱等进行立体交叉作业。(四)主要施工方法与技术措施1、配管工程的施工方法(具体详细施工方法按本企业消防电气工程安装工艺标准:第二项进行)配管须与土建工程密切配合,施工前熟悉图纸,对所需材料认真校经济核算员金付柱电气安全员南胜利利材料管理员高敏敏电气施工班组电气技术员齐燕青电气质检员扬晶1晶晶体对,检查合格后方可使用,...

1、当您付费下载文档后,您只拥有了使用权限,并不意味着购买了版权,文档只能用于自身使用,不得用于其他商业用途(如 [转卖]进行直接盈利或[编辑后售卖]进行间接盈利)。
2、本站所有内容均由合作方或网友上传,本站不对文档的完整性、权威性及其观点立场正确性做任何保证或承诺!文档内容仅供研究参考,付费前请自行鉴别。
3、如文档内容存在违规,或者侵犯商业秘密、侵犯著作权等,请点击“违规举报”。

碎片内容

B栋工程施工组织设计消防电气安装部分剖析

您可能关注的文档

确认删除?
VIP
微信客服
  • 扫码咨询
会员Q群
  • 会员专属群点击这里加入QQ群
客服邮箱
回到顶部