电脑桌面
添加小米粒文库到电脑桌面
安装后可以在桌面快捷访问

事故处理六(2W15开关SF6压力降低,分合闸闭锁告警。)VIP免费

事故处理六(2W15开关SF6压力降低,分合闸闭锁告警。)_第1页
1/3
事故处理六(2W15开关SF6压力降低,分合闸闭锁告警。)_第2页
2/3
事故处理六(2W15开关SF6压力降低,分合闸闭锁告警。)_第3页
3/3
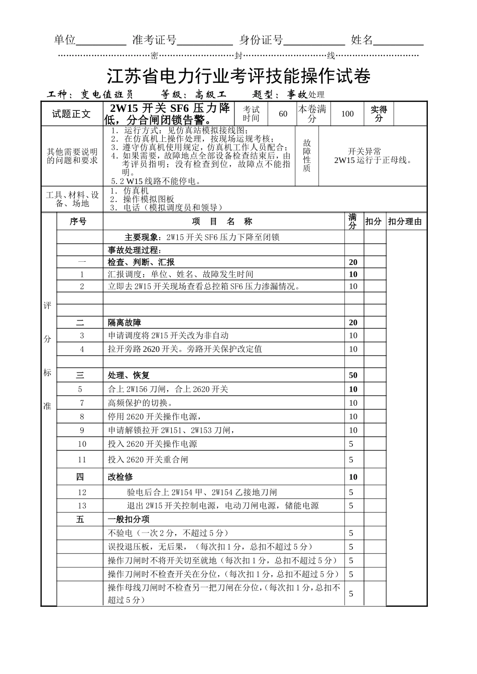
单位_________准考证号__________身份证号___________姓名_________……………………………密………………………封…………………………线…………………………江苏省电力行业考评技能操作试卷工种:变电值班员等级:高级工题型:事故处理试题正文2W15开关SF6压力降低,分合闸闭锁告警。考试时间60本卷满分100实得分其他需要说明的问题和要求1.运行方式:见仿真站模拟接线图;2.在仿真机上操作处理,按现场运规考核;3.遵守仿真机使用规定,仿真机工作人员配合;4.如果需要,故障地点全部设备检查结束后,由考评员指明;没有检查到位,故障点不能指明。5.2W15线路不能停电。故障性质开关异常2W15运行于正母线。工具、材料、设备、场地1.仿真机2.操作模拟图板3.电话(模拟调度员和领导)评分标准序号项目名称满分扣分扣分理由主要现象:2W15开关SF6压力下降至闭锁事故处理过程:一检查、判断、汇报201汇报调度:单位、姓名、故障发生时间102立即去2W15开关现场查看总控箱SF6压力渗漏情况。10二隔离故障203申请调度将2W15开关改为非自动104拉开旁路2620开关。旁路开关保护改定值10三处理、恢复505合上2W156刀闸,合上2620开关107高频保护的切换。108停用2620开关操作电源,109申请解锁拉开2W151、2W153刀闸,1010投入2620开关操作电源511投入2620开关重合闸5四改检修1012验电后合上2W154甲、2W154乙接地刀闸513退出2W15开关控制电源,电动刀闸电源,储能电源5五一般扣分项不验电(一次2分,不超过5分)5误投退压板,无后果,(每次扣1分,总扣不超过5分)5操作刀闸时不将开关切至就地(每次扣1分,总扣不超过5分)5操作刀闸时不检查开关在分位,(每次扣1分,总扣不超过5分)5操作母线刀闸时不检查另一把刀闸在分位,(每次扣1分,总扣不超过5分)5单位_________准考证号__________身份证号___________姓名_________……………………………密………………………封…………………………线…………………………开关、刀闸分合后不检查位置(每次扣1分,总扣不超过5分)5先拉母线侧刀闸,后拉出线侧刀闸(每次扣2分,总扣不超过5分)5有关保护压板不检查(每次扣1分,总扣不超过5分)5电流端子切换过程中带电开路((每次扣5分,总扣不超过10分)10母差回路电流端子,将下侧(装置侧短接)(每次扣1分,总扣不超过5分)5倒排时未检查切换继电器同时动作(每次扣1分,总扣不超过5分)5停母线时未先停压变二次空开10高频保护切换不正确10未申请解锁10未将旁路开关及出线开关改非自动而直接拉刀闸20六否决项造成110kV母线或35kV母线失电。未完成操作任务,主要操作未完成发生带接地合闸或带负荷拉刀闸,操作即终止。故障点没有隔离,即送电扩大故障点范围,误投退压板,造成失电其他考评组长:考评员:操作日期:年月日操作附卷(高级工、技师各4道)每题25分,共100分得分1、SF6开关的液压机构泄压后为何闭锁开关的分、合闸回路?(高级工)要点:1)液压机构压力低于报警值时告警,低于闭锁值时则闭锁分、合闸回路。10分2)防止慢分和慢合。5分3)慢分和慢合时可能发生爆炸10分2、旁路代供出线时,高频保护如何调整?(高级工)要点:1)当线路开关与旁路开关并列时,停用第Ⅰ套旁路的高频压板,并将线路的高频切换开关11QK1和11QK2从旁路切至本线,再投入线路的高频压板15分2)第Ⅱ套高频主保护的投入待调度发令后再执行10分3、省调操作管理规定中对开关倒排的操作是如何说明的?(高级工)要点:1)、开关倒排操作许可和综合操作指令中,运行开关采用热倒方式。10分2)、热备用开关正常采用冷倒方式,因备自投动作可能改运行的热备用开关必须采用热倒方式。旁路开关的倒排应采用冷倒。15分4、倒排前先互联的是什么,为什么?(高级工)单位_________准考证号__________身份证号___________姓名_________……………………………密………………………封…………………………线…………………………要点:1)、倒母线前先互联。此时如母差动作,不经小差选故障母线,只需大差动作,即跳开两段母线上所有开关。10分2)、如不投此压板,由于母联开关非自动,则在倒母线时会出现母差保护处于互联与不互联两种状态的变化中(每台开关两把母线刀闸合上时,自动实现互联)15分

1、当您付费下载文档后,您只拥有了使用权限,并不意味着购买了版权,文档只能用于自身使用,不得用于其他商业用途(如 [转卖]进行直接盈利或[编辑后售卖]进行间接盈利)。
2、本站所有内容均由合作方或网友上传,本站不对文档的完整性、权威性及其观点立场正确性做任何保证或承诺!文档内容仅供研究参考,付费前请自行鉴别。
3、如文档内容存在违规,或者侵犯商业秘密、侵犯著作权等,请点击“违规举报”。

碎片内容

事故处理六(2W15开关SF6压力降低,分合闸闭锁告警。)

您可能关注的文档

文泉书屋+ 关注
实名认证
内容提供者

热爱教学事业,对互联网知识分享很感兴趣

确认删除?
VIP
微信客服
  • 扫码咨询
会员Q群
  • 会员专属群点击这里加入QQ群
客服邮箱
回到顶部