电脑桌面
添加小米粒文库到电脑桌面
安装后可以在桌面快捷访问

荧光分析仪的原理及常见故障处理VIP免费

荧光分析仪的原理及常见故障处理_第1页
1/9
荧光分析仪的原理及常见故障处理_第2页
2/9
荧光分析仪的原理及常见故障处理_第3页
3/9
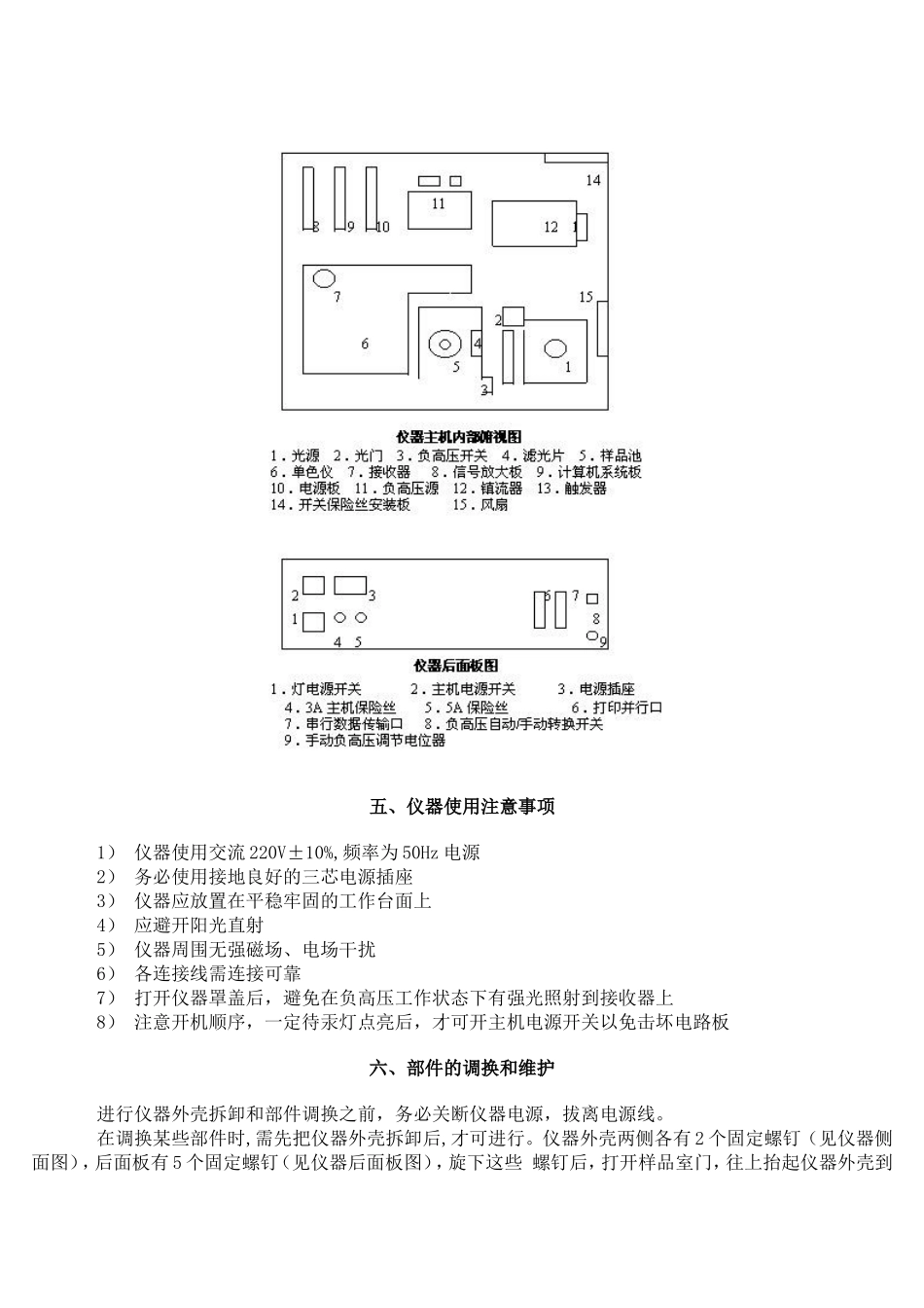
荧光分析仪的原理及常见故障处理作者:史现武一、荧光分析法的基本原理处于基态的被测物质的分子在吸收适当能量,如光、化学、物理能后,其共价电子从成键分子轨道或非键分子轨道跃迁到反键分子轨道上去,形成分子激发态。分子激发态不稳定,将很快衰变到基态。在分子激发态返回到基态的同时常伴随着光子的辐射。这种现象就是发光现象。荧光则属于分子的光致发光现象。二、荧光分光光度计的特点用荧光分析法分析的仪器,称荧光分光光度计。荧光分析法具有灵敏度高(比紫外、可见分光光度法高2~3个数量级),能提供激发光谱、发射光谱、发射强度、特征峰值等信息,在生物、环保、医学、药物、石油勘探等诸多领域都有广泛的应用。本仪器不仅能直接、间接地分析众多的有机化合物;另外,还可利用有机试剂间的反应,进行近70种无机元素的荧光分析。荧光的光谱特征是荧光光谱总是滞后于激发光谱即斯托克斯位移.三、荧光强度与物质浓度的关系1.对于某种荧光物质的稀溶液,在一定强度的激发光照射下,荧光物质的发射强度与入射光的强度以及检测器的放大倍数成正比,可以用以下公式表示:F=KIFCK-----与仪器系统有关的常数I-----入射光的强度F-----荧光物质的荧光效率C-----荧光物质的浓度2.当样品浓度增大到一定值时,荧光强度与浓度就不成线性关系。原因一:样品浓度较高时,液池前部的溶液强吸收则发生强的荧光,液池后半部的溶液不易受到入射光照,不发生荧光,所以荧光强度反而降低。原因二:在浓度较高的溶液中,可能发生溶液溶质与溶质间的相互作用,形成一种不致荧光的复合物,从而造成荧光强度反而降低的现象。比如,硫酸奎宁的荧光分析曲线如下:四、石油荧光分析仪的基本工作原理及结构由光源发出的光经滤光片后成为单色光,样品在此单色光的照射下,产生荧光,荧光由大孔径非球面镜的聚光及光栅的分光后,照射于光电倍增管上,光电倍增管把光信号转换为电信号,经放大处理,最后由计算机输出显示或进行图谱打印。仪器主机主要由以下几部分组成:五、仪器使用注意事项1)仪器使用交流220V±10%,频率为50Hz电源2)务必使用接地良好的三芯电源插座3)仪器应放置在平稳牢固的工作台面上4)应避开阳光直射5)仪器周围无强磁场、电场干扰6)各连接线需连接可靠7)打开仪器罩盖后,避免在负高压工作状态下有强光照射到接收器上8)注意开机顺序,一定待汞灯点亮后,才可开主机电源开关以免击坏电路板六、部件的调换和维护进行仪器外壳拆卸和部件调换之前,务必关断仪器电源,拔离电源线。在调换某些部件时,需先把仪器外壳拆卸后,才可进行。仪器外壳两侧各有2个固定螺钉(见仪器侧面图),后面板有5个固定螺钉(见仪器后面板图),旋下这些螺钉后,打开样品室门,往上抬起仪器外壳到其高度超过机身高度时,才可往旁边放好外壳,在拆卸外壳的整个过程中,注意观察样品室门右边的负高压工作开关不被碰撞而变形损坏。1.光门的调换光门在仪器的中间部位,光门部件支架脚上有两个固定孔,用螺丝固定在仪器底板上。掉换光门后,在原来的电线连接处重新接线,需注意电线接头处的绝缘保护。2.电路板的调换仪器三块电路板位于仪器左边后半部分,每块电路板分别有两个固定脚,拧开固定螺丝,换上新板即可.3.负高压源的调换负高压源位于仪器中后部的两个支架上,卸下之前请先拔下电源进线,旋下负压输出线.4.汞灯的调换在进行汞灯调换时,请务必关断所有电源;调换汞灯时,注意不要用手触摸灯管表面。调换步骤如下:1)打开仪器外壳灯室上方圆形塑料盖,即可看清灯室上方状况2)卸下固定滑板,即可看清灯室内部状况3)旋松汞灯上方电极的滚花螺帽,拿出连接线,注意不要将连接线滑入仪器内部4)通过固定灯用螺丝刀插孔旋松灯下端固定螺钉5)拿出旧灯,换上新灯七、仪器故障及判断·检验仪器是否正常工作的简单方法开机稳定后,作一个纯净水的全波段扫描(200-600nm),与正常仪器水的谱图相比较,看谱图形状是否相近。观察水的散射峰是否在254±2nm左右,观察水的拉曼峰是否在279±2nm左右,看出峰位置是否正确。如果满足上述条件,说明仪器是正常的。·仪器开机自检不通过计算机系统出错(关...

1、当您付费下载文档后,您只拥有了使用权限,并不意味着购买了版权,文档只能用于自身使用,不得用于其他商业用途(如 [转卖]进行直接盈利或[编辑后售卖]进行间接盈利)。
2、本站所有内容均由合作方或网友上传,本站不对文档的完整性、权威性及其观点立场正确性做任何保证或承诺!文档内容仅供研究参考,付费前请自行鉴别。
3、如文档内容存在违规,或者侵犯商业秘密、侵犯著作权等,请点击“违规举报”。

碎片内容

荧光分析仪的原理及常见故障处理

起跑线书城+ 关注
实名认证
内容提供者

热爱教学事业,对互联网知识分享很感兴趣

确认删除?
VIP
微信客服
  • 扫码咨询
会员Q群
  • 会员专属群点击这里加入QQ群
客服邮箱
回到顶部