电脑桌面
添加小米粒文库到电脑桌面
安装后可以在桌面快捷访问

现场管理改善的七大手法VIP专享VIP免费

现场管理改善的七大手法_第1页
1/11
现场管理改善的七大手法_第2页
2/11
现场管理改善的七大手法_第3页
3/11
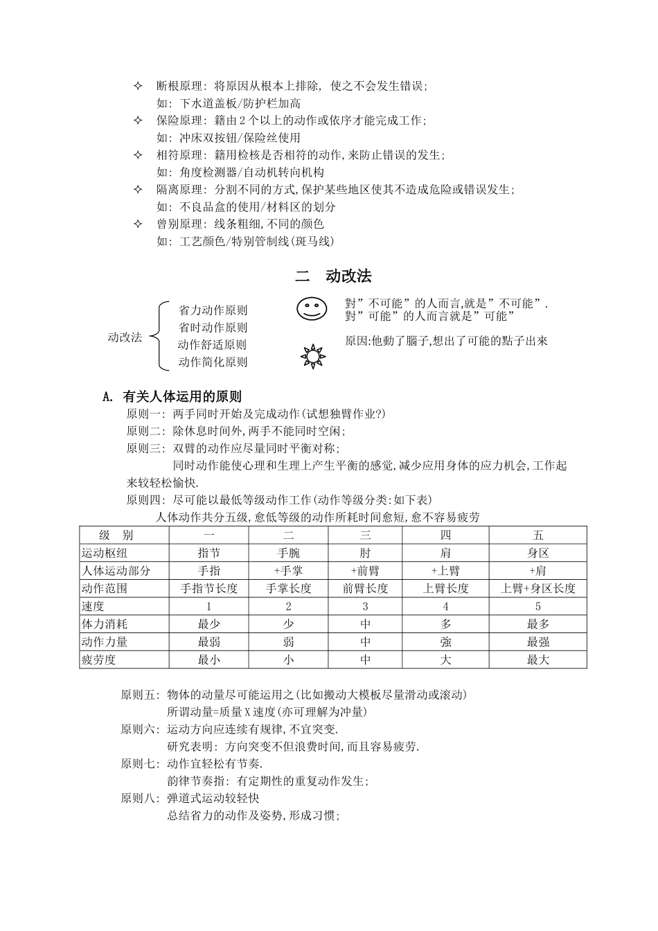
现场管理改善(IE)的七大手法高尚泽前言现场生产管理的重点在于持续不断的改善,通过改善现场的不良状况以使工作变得“轻松、良好、迅速、低廉、安全”,可是在我们的实际工作中有相当一部分现场管理干部和员工不知道何为改善、为什么要改善、怎么样改善,或者说没有良好的改善理念和改善意识,怎么样才能发挥员工的主观能动性呢?基于此,本人籍由工作经验及相关参考总结出了一些改善的思维和方法,借以抛砖引玉。1.什么是改善?改而使之善:使原来的状况变得更好.2.改善是谁的责任?什么样的人才可以从事改善?改善是每个人份内之事.工作改善其中九成,只要有常识就可以做到-------(国际劳工组织改善课课长说)3.改善的目的是什么?改善的目的------使工作更“轻松、良好、迅速、低廉、安全”.轻松------熟练的作业,疲劳的减轻;良好------品质的维护提升;迅速------时间的缩短低廉------成本的降低;安全------伤害的防止4.正确的改善思想a)现状必定有值得改善的地方;b)只要目前的工作稍有改善,就有所获得;c)绝对要拚弃“小小的改善又有什么用”的观念----向前看,积少成多,积沙成塔;d)本身的工作,自己是一等一的专家(工作中学习,学习后工作);5.改善从哪里开始?改善开始于“这样做妥当吗?”的问题意识----心不在焉,视而不见,食而不知其味;小小的巧思,可能就是改善的开始------信其当然,顺其自然,不惑偶然;对日常工作关心,时时想改善,才会触发改善的灵感;6.改善从何处入手?容易疲劳危险而容易受伤作业环境不良布置不善错误失败多费时费力工夹检具不良耗料较多了解问题真象ScanDisk:Return:改善(IE)七大手法简述1.防呆法(防错法):如何避免做错事,使工作第一次就做好的精神能够具体实现.2.动改法(动作改善法&动作经济原则):改善人体的动作方法,减少疲劳使工作更为舒适,更有效率,不要蛮干.3.流程法(流程程序法):研究探讨牵涉到几个不同的工站(序)或地点的流动关系,藉以发掘可供改善的地方;4.五五法(5*5W1H):凭借问的技巧来发觉改善的构想;5.人机法(人机配合法&多动作法):研究探讨操作人员与机械工作的过程,藉以发觉可以改善的地方;6.双手法(左.右手法):研究人体在工作时的过程,藉以发掘可以改善的地方;7.抽查法(工作抽查法):藉着由抽样观察察的方法迅速有效的了解问题的真象;综合运用:抽查法双手法.人机法.流程法五五法.防错法.动改法实现改善目标与QC七大手法的区别:QC七大手法:注重在问题的分析,抓重点;改善七大手法:注重在了解问题,应用改善方法解决问题;一防呆法(防错法)1.防错法的意义:如何去防止错误发生的方法.將发生的可能性降至最低/杜绝其发生;2.目的:2.1具有即使人为疏忽也不会发生错误的构造-----不需要注意力;2.2具有外行人来做也不会发生错误的构造-----不需要经验与直觉;2.3具有不管是谁或何时工作都不会出错的构造-----不需要高度的技能或专门的知识;3.功用:积极----绝不会在发生;消极----发生率降至最低;4.进行步骤:调查发现人为疏忽---->设定目标,制定实际计划----->调查人为疏忽的原因----->提出防错的改善方案----->实施改善方案----->check实施效果----->维持管制状态*技巧*排除法:剔除会造成问题的原因;替代法:利用更切实的方法替代;容易化:使作业变得更容易,更合适,集中化,使其更具共性以减低失败;异常检出:前站虽有不良,后站可以挑出,以降低其危害性;缓和影响:作业失败的影响在其波及过程中,用正确的方法使其缓和或吸收;*观念*要求捕捉更多的鱼,首先必须讲究捕鱼技术的传授与使用;(授之以鱼不如授之以渔:给某人几条鱼不如教给他捕鱼的方法)*引申*以不教而战,谓杀之.不教其方法,做错是主管之错*防呆法的应用*进一步认清问题,抓住重点对质问及已知问题探寻改善方法断根原理:将原因从根本上排除,使之不会发生错误;如:下水道盖板/防护栏加高保险原理:籍由2个以上的动作或依序才能完成工作;如:冲床双按钮/保险丝使用相符原理:籍用检核是否相符的动作,来防止错误的发生;如:角度检测器/自动机转向机构隔离原理:分割不同的方式,保护某些地区使其不造成危险或错误发生;如:不良品盒的使用/材料区的划分曾别原理:线条粗细,不同的颜色如:工艺颜色/特别管制线(斑马线)二动...

1、当您付费下载文档后,您只拥有了使用权限,并不意味着购买了版权,文档只能用于自身使用,不得用于其他商业用途(如 [转卖]进行直接盈利或[编辑后售卖]进行间接盈利)。
2、本站所有内容均由合作方或网友上传,本站不对文档的完整性、权威性及其观点立场正确性做任何保证或承诺!文档内容仅供研究参考,付费前请自行鉴别。
3、如文档内容存在违规,或者侵犯商业秘密、侵犯著作权等,请点击“违规举报”。

碎片内容

现场管理改善的七大手法

起跑线书城+ 关注
实名认证
内容提供者

热爱教学事业,对互联网知识分享很感兴趣

确认删除?
VIP
微信客服
  • 扫码咨询
会员Q群
  • 会员专属群点击这里加入QQ群
客服邮箱
回到顶部