电脑桌面
添加小米粒文库到电脑桌面
安装后可以在桌面快捷访问

「给水管道安装质量标准」VIP免费

「给水管道安装质量标准」_第1页
1/2
「给水管道安装质量标准」_第2页
2/2
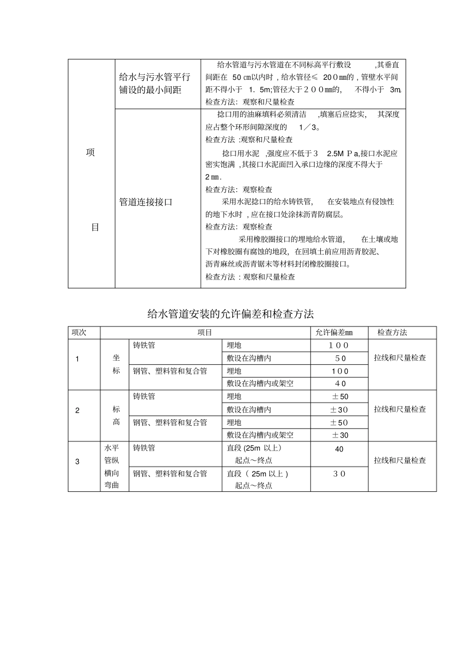
给水管道安装的质量标准项目项目内容质量标准主控项目地管道覆土深度给水管道在埋地敷设时,应在当地冰冻线以下,如必须在冰冻线以上铺设时,应做可靠的保温防潮措施。在无冰冻地区敷设时,管顶的覆土深度不得小于50㎝,穿越道路部位的埋深不得小于70㎝.检查方法:现场观察检查给水管道不得直接穿越污染源给水管道不得直接穿越污水井、化粪池、公共厕所等污染源。检查方法:观察检查管道上可拆和易腐件,不埋在土中管道接口法兰、卡扣、卡箍等应安装在检查井或地沟内,不得埋在土中。检查方法:观察检查主控项目管井内安装与井壁的距离给水系统各种井室内的管道安装,如设计无要求,井壁距法兰或承口的距离:管径小于或等于450㎜时,不得小于25㎝;管径大于450㎜时,不得小于35㎝.检查方法:尺量检查管道的水压试验管网必须进行水压试验,试验压力为工作压力的1.5倍,但是不得小于0.6MPa检查方法:管材为钢管、铸铁管时,试验压力下10分钟内,压力下降不应大于0.05MPa,然后降至工作压力进行检查,压力应保持不变,不渗不漏。管材为塑料管时,试验压力下,稳压一小时,压力降不大于0.05MPa,然后降至工作压力进行检查,压力应保持不变,不渗不漏。埋地管道的防腐镀锌钢管、钢管的埋地防腐必须符合设计要求。卷材与管材间应粘帖牢固,无空鼓、滑移、接口不严。检查方法:观察和切开防腐层检查管道的冲洗和消毒给水管道在竣工后,必须对管道进行冲洗,饮用水管道还要在冲洗后消毒,满足饮用水卫生要求。检查方法:观察冲洗水的浊度,查看有关部门提供的检验报告。一般管道和支架的涂漆管道和金属支架的涂漆应良好、无脱皮、起泡、流淌和漏涂等缺陷。检查方法:现场观察检查阀门、水表安装位置管道连接应符合工艺要求,阀门、水表等安装位置应正确。塑料给水管道上的水表、阀门等设施其重量或启闭装置的扭矩不得作用于管道上,当管径≥50㎜时必须设独立的支承装置。检查方法:现场观察检查项目给水与污水管平行铺设的最小间距给水管道与污水管道在不同标高平行敷设,其垂直间距在50㎝以内时,给水管径≤200㎜的,管壁水平间距不得小于1.5m;管径大于200㎜的,不得小于3m。检查方法:观察和尺量检查管道连接接口捻口用的油麻填料必须清洁,填塞后应捻实,其深度应占整个环形间隙深度的1/3。检查方法:观察和尺量检查捻口用水泥,强度应不低于32.5MPa,接口水泥应密实饱满,其接口水泥面凹入承口边缘的深度不得大于2㎜.检查方法:观察检查采用水泥捻口的给水铸铁管,在安装地点有侵蚀性的地下水时,应在接口处涂抹沥青防腐层。检查方法:观察检查采用橡胶圈接口的埋地给水管道,在土壤或地下对橡胶圈有腐蚀的地段,在回填土前应用沥青胶泥、沥青麻丝或沥青锯末等材料封闭橡胶圈接口。检查方法:观察和尺量检查给水管道安装的允许偏差和检查方法项次项目允许偏差㎜检查方法1坐标铸铁管埋地100拉线和尺量检查敷设在沟槽内50钢管、塑料管和复合管埋地100敷设在沟槽内或架空402标高铸铁管埋地±50拉线和尺量检查敷设在沟槽内±30钢管、塑料管和复合管埋地±50敷设在沟槽内或架空±303水平管纵横向弯曲铸铁管直段(25m以上)起点~终点40拉线和尺量检查钢管、塑料管和复合管直段(25m以上)起点~终点30

1、当您付费下载文档后,您只拥有了使用权限,并不意味着购买了版权,文档只能用于自身使用,不得用于其他商业用途(如 [转卖]进行直接盈利或[编辑后售卖]进行间接盈利)。
2、本站所有内容均由合作方或网友上传,本站不对文档的完整性、权威性及其观点立场正确性做任何保证或承诺!文档内容仅供研究参考,付费前请自行鉴别。
3、如文档内容存在违规,或者侵犯商业秘密、侵犯著作权等,请点击“违规举报”。

碎片内容

「给水管道安装质量标准」

您可能关注的文档

确认删除?
VIP
微信客服
  • 扫码咨询
会员Q群
  • 会员专属群点击这里加入QQ群
客服邮箱
回到顶部