电脑桌面
添加小米粒文库到电脑桌面
安装后可以在桌面快捷访问

转炉炼钢的物料平衡与热平衡VIP免费

转炉炼钢的物料平衡与热平衡_第1页
1/10
转炉炼钢的物料平衡与热平衡_第2页
2/10
转炉炼钢的物料平衡与热平衡_第3页
3/10
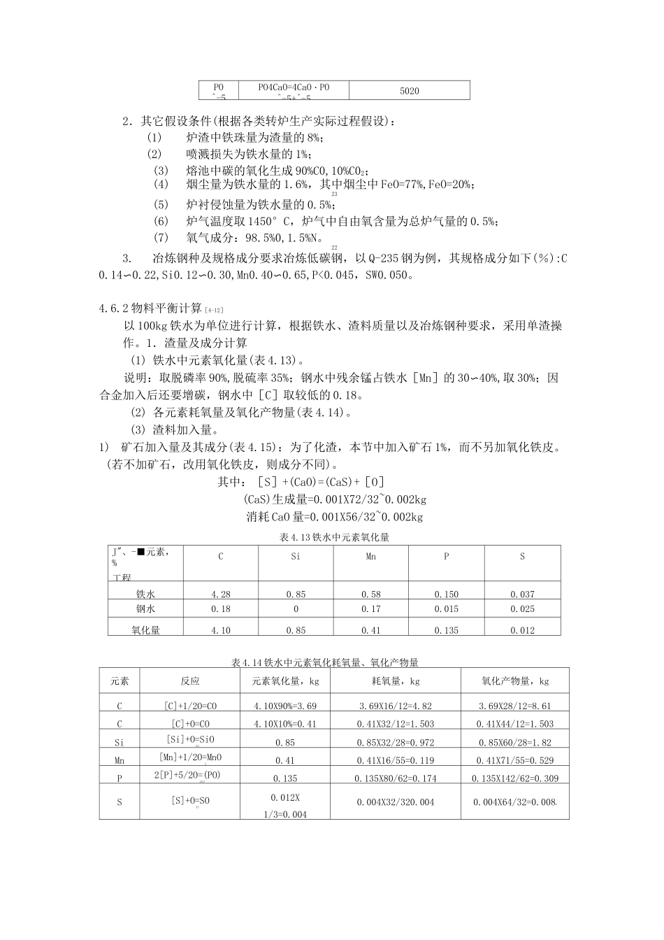
4.6转炉炼钢的物料平衡及热平衡[5]炼钢过程的物料平衡和热平衡计算是建立在物质与能量守恒的基础上的。其主要目的是比较整个冶炼过程中物料、能量的收入项和支出项,为改进操作工艺制度,确定合理的设计参数和提高炼钢技术经济指标提供某些定量依据。应当指出,由于炼钢是复杂的高温物理化学过程,加上测试手段有限,目前尚难以做到精确取值和计算。尽管如此,它对指导炼钢生产和设计仍有重要的意义。转炉炼钢的过程是一个很复杂的物理化学变化过程,对其作完全定量的分析是不可能的,但是一些基本的规律和原理在该过程中仍然适用。比如说转炉炼钢过程遵循物质不灭和能量守恒定律,在这个基础上建立了转炉炼钢过程中的物料平衡和热平衡计算。用来研究转炉收入、支出的物质和能量在数量上的平衡关系,并用平衡方程式、平衡表或者物流及热流图表示出来。通过物料平衡和热平衡的计算可以全面的掌握转炉的物料和能量的利用情况,了解转炉的工作能力和热效率,从而为改进工艺、实现转炉最佳操作探索途径,并为降低原材料消耗及合理利用能源和节能提供方向。总的来说,物料平衡和热平衡的计算一方面可以指导车间或设备的设计,比如说转炉及其供氧设备,或者炼钢车间的设计;另一方面可以改善和校核已投产的转炉冶炼工艺参数、设备适应性能,比如说确定加入冷却剂的数量和时间,或者采用新技术等而由实测数据进行的计算,比如说设计一些自动控制模型时的计算。4.6.1物料平衡[12]物料平衡是计算炼钢过程中加入炉内和参与炼钢过程的全部物料(铁水、废钢、氧气、冷却剂、渣料和耐材等)及炼钢过程中产物(钢液、炉渣、炉气及烟尘等)之间的平衡关系。以下通过举例进行计算分析。1.原材料成分表4.9铁水、废钢成分(%)原料CSiMnPS温度,°C铁水4.2800.8500.5800.1500.0371250废钢0.180.200.520.0220.02525表4.10渣料和炉衬材料成分(%)名称CaOSiO2MgOAlO23SPCaF2FeOFeO23烧碱HO2C石灰91.02.02.01.50.053.45矿石1.05.610.521.100.0729.461.80.50萤石6.00.581.780.090.5589.02.00生白云石55.03.033.03.01.05.0炉衬54.02.038.01.05.0表4.11各工程的热容工程固态平均热容kj/kg•K熔化潜热kj/kg液(气)态平均热容kj/kg•K生铁0.745217.5680.8368钢0.699271.960.8368炉渣209.201.247炉气1.136烟尘1.000209.20矿石1.046209.20表4.12反应热效应(25°C)元素反应反应热,kj/kg元素C[C]+1/2O=CO10950C[C]+O=CO2234520Si[Si]+O”=SiO”28314P2[P]+5/2O=PO18923Mn[Mn]+1/2O=MnO7020Fe[Fe]+1/2O=FeO25020Fe[Fe]+3/2O=FeO2236670Si°”SiO2CaO=2CaO•SiO2070PO^-5PO4CaO=4CaO・PO^-5+^-550202.其它假设条件(根据各类转炉生产实际过程假设):(1)炉渣中铁珠量为渣量的8%;(2)喷溅损失为铁水量的1%;(3)熔池中碳的氧化生成90%C0,10%C02;(4)烟尘量为铁水量的1.6%,其中烟尘中FeO=77%,FeO=20%;23(5)炉衬侵蚀量为铁水量的0.5%;(6)炉气温度取1450°C,炉气中自由氧含量为总炉气量的0.5%;(7)氧气成分:98.5%0,1.5%N。223.冶炼钢种及规格成分要求冶炼低碳钢,以Q-235钢为例,其规格成分如下(%):C0.14〜0.22,Si0.12〜0.30,Mn0.40〜0.65,P<0.045,SW0.050。4.6.2物料平衡计算[4-12]以100kg铁水为单位进行计算,根据铁水、渣料质量以及冶炼钢种要求,采用单渣操作。1.渣量及成分计算(1)铁水中元素氧化量(表4.13)。说明:取脱磷率90%,脱硫率35%;钢水中残余锰占铁水[Mn]的30〜40%,取30%;因合金加入后还要增碳,钢水中[C]取较低的0.18。(2)各元素耗氧量及氧化产物量(表4.14)。(3)渣料加入量。1)矿石加入量及其成分(表4.15):为了化渣,本节中加入矿石1%,而不另加氧化铁皮。(若不加矿石,改用氧化铁皮,则成分不同)。其中:[S]+(CaO)=(CaS)+[O](CaS)生成量=0.001X72/32~0.002kg消耗CaO量=0.001X56/32~0.002kg表4.13铁水中元素氧化量J"、-■元素,%工程CSiMnPS铁水4.280.850.580.1500.037钢水0.1800.170.0150.025氧化量4.100.850.410.1350.012表4.14铁水中元素氧化耗氧量、氧化产物量元素反应元素氧化量,kg耗氧量,kg氧化产物量,kgC[C]+1/2O=CO4.10X90%=3.693.69X16/12=4.823.69X28/12=8.61C[C]+O=...

1、当您付费下载文档后,您只拥有了使用权限,并不意味着购买了版权,文档只能用于自身使用,不得用于其他商业用途(如 [转卖]进行直接盈利或[编辑后售卖]进行间接盈利)。
2、本站所有内容均由合作方或网友上传,本站不对文档的完整性、权威性及其观点立场正确性做任何保证或承诺!文档内容仅供研究参考,付费前请自行鉴别。
3、如文档内容存在违规,或者侵犯商业秘密、侵犯著作权等,请点击“违规举报”。

碎片内容

转炉炼钢的物料平衡与热平衡

您可能关注的文档

wxg+ 关注
实名认证
内容提供者

该用户很懒,什么也没介绍

确认删除?
VIP
微信客服
  • 扫码咨询
会员Q群
  • 会员专属群点击这里加入QQ群
客服邮箱
回到顶部