电脑桌面
添加小米粒文库到电脑桌面
安装后可以在桌面快捷访问

厂区消防水泵设计选择原理VIP专享VIP免费

厂区消防水泵设计选择原理_第1页
1/7
厂区消防水泵设计选择原理_第2页
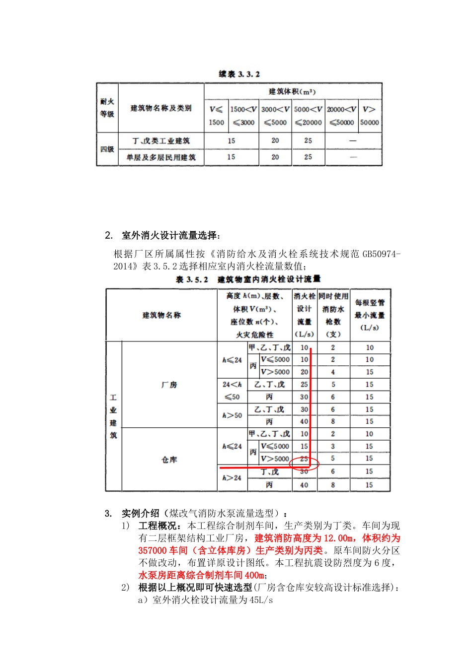
2/7
厂区消防水泵设计选择原理_第3页
3/7
厂区消防水泵设计一、流量设计(消防给水及消火栓系统技术规范GB50974-2014)1.室外消火设计流量确定:根据厂区所属属性按《消防给水及消火栓系统技术规范GB50974-2014》表3.3.2选择相应室外消火栓流量数值;2.室外消火设计流量选择:根据厂区所属属性按《消防给水及消火栓系统技术规范GB50974-2014》表3.5.2选择相应室内消火栓流量数值;3.实例介绍(煤改气消防水泵流量选型):1)工程概况:本工程综合制剂车间,生产类别为丁类。车间为现有二层框架结构工业厂房,建筑消防高度为12.00m,体积约为357000车间(含立体库房)生产类别为丙类。原车间防火分区不做改动,布置详原设计图纸。本工程抗震设防烈度为6度,水泵房距离综合制剂车间400m;2)根据以上概况即可快速选型(厂房含仓库安较高设计标准选择):a)室外消火栓设计流量为45L/sb)室内消火栓设计流量为25L/s(总设计流量:70L/s)二、杨程设计总设计杨程H=(设计消火栓栓口最小动压+安装高度(m)+管道总水头损失+供水点至输水点高度差(m))×120%1.消火栓栓口动压:2.管道总水头损失:管道总水头损失,可按下列公式计算:式中---管道总水口损失,m;---管道沿程水头损失,m;---管道局部水头损失,m;1)管道局部水头损失计算:式中---管道局部水头损失系数。2)管道沿程水头损失(数据取自全国勘察设计注册公用设备工程师给排水专业考试书):输配水管道、配水管网水力损失采用海曾-威廉(A.Hazen,G.S.Willianms)公式计算:式中q---设计流量,;---海曾-威廉系数,详见表1-2-2;i---管段单位长度的水头损失(水力坡度);---管道计算内径,m;l---管段长度,m;(具体计算略去,重庆设计院计算400m管道水损20mH20)煤改气项目总设计杨程H:=(设计消火栓栓口最小动压+安装高度(m)+管道总水头损失+供水点至输水点高度差(m))×120%=(3.8+1.1+20+35)×120%=79.08m最终设计杨程取80m三、功率设计(消防水泵选用离心泵)1.离心泵基本方程式:式中p---液体的密度();g---重力加速度();Q---水泵出水量();H---水泵杨程();N---轴功率(kW);---水泵有效功率(kw);---水泵效率。(水泵效率一般在55%-80%之间选择,具体依照水泵厂家参数决定(以单机泵为例:凯泉70%、连成65%))1)液体密度:消防泵的工作介质一般为水,水温在20℃~28℃之间(附水温差密度图)(下式计算中水密度取1000)整理可得:最终设计院选型:

1、当您付费下载文档后,您只拥有了使用权限,并不意味着购买了版权,文档只能用于自身使用,不得用于其他商业用途(如 [转卖]进行直接盈利或[编辑后售卖]进行间接盈利)。
2、本站所有内容均由合作方或网友上传,本站不对文档的完整性、权威性及其观点立场正确性做任何保证或承诺!文档内容仅供研究参考,付费前请自行鉴别。
3、如文档内容存在违规,或者侵犯商业秘密、侵犯著作权等,请点击“违规举报”。

碎片内容

厂区消防水泵设计选择原理

您可能关注的文档

确认删除?
VIP
微信客服
  • 扫码咨询
会员Q群
  • 会员专属群点击这里加入QQ群
客服邮箱
回到顶部