电脑桌面
添加小米粒文库到电脑桌面
安装后可以在桌面快捷访问

单相变压器空载与短路实验报告VIP免费

单相变压器空载与短路实验报告_第1页
1/7
单相变压器空载与短路实验报告_第2页
2/7
单相变压器空载与短路实验报告_第3页
3/7
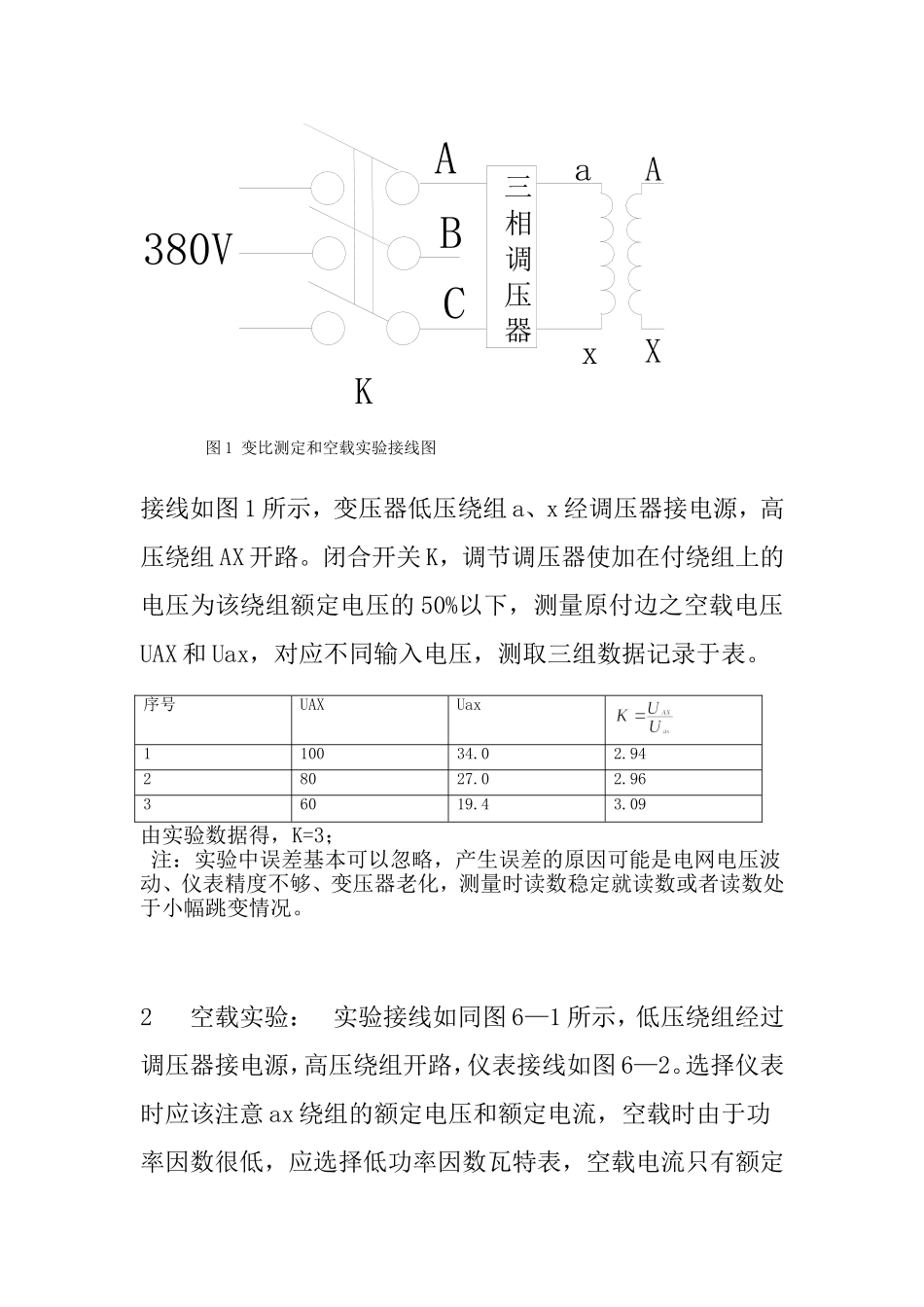
单相变压器空载与短路实验一.实验目的1学习掌握做单相变压器空载、短路实验的方法。2通过空载、短路实验,测定变压器的参数和性能。二.实验器材交流电压表,交流电流表,单三相智能功率因数表,三相组式变压器三.预习要点解答1通过空载、短路实验,求取变压器的参数和损耗作了哪些假定?答:有如下假定:空载实验在做变压器的空载与短路试验的时候,首先我们假设变压器的铜耗足够小使得我们可以忽略它对实验的影响,这样我们才能够认为空载损耗完全用来抵偿铁耗,也就是我们认为,在这个假设下我们才能用后面的公式计算变压器的各项参数。因为一次漏电抗,一次绕组电阻,所以,故我们认为,。短路实验由于做短路实验时电压很低,所以磁路中磁通很小,所以我们可以忽略励磁电流和铁耗,认为,电源输入的功率完全消耗在一二次侧的铜耗上。2作空载、短路实验时,各仪表应怎样接线才能减小测量误差?答:变压器空载实验中应当采用电流表内接法。因为空载实验测量的是励磁阻抗,阻抗值较大,若采用电流表外接法,电压表会有明显的分流作用,从而产生较大误差。变压器短路实验应当采用电流表外接法。因为短路实验中测量的是漏阻抗,阻抗值较小,若采用电流表内接法,会产生明显的分压作用,导致测量不准确。3作变压器空载、短路时,应注意哪些问题?一般电源加在哪一方比较适合?答:在做变压器空载实验时,为了便于测量同时安全起见,应当在变压器低压侧加电源电压,让高压侧开路。在实验过程中应当将激磁电流由小到大递升到1.15NU左右时,只能一个方向调节,中途不得有反方向来回升降。否则,由于铁芯的磁滞现象,会影响测量的准确性。在做变压器短路实验时,电流较大,外加电压很小,为了便于测量,通常在高压侧加电压,将低压侧短路。在实验过程中应注意为了避免过大的短路电流,短路实验在较低的电压下进行,通常以短路电流达到额定值为限;外加电压应从零开始逐渐增大,直到短路电流约等于1.2倍额定电流;在实验过程中要注意变压器的温升。四.实验内容1变比K的测定K380VABC三相调压器axAX图1变比测定和空载实验接线图接线如图1所示,变压器低压绕组a、x经调压器接电源,高压绕组AX开路。闭合开关K,调节调压器使加在付绕组上的电压为该绕组额定电压的50%以下,测量原付边之空载电压UAX和Uax,对应不同输入电压,测取三组数据记录于表。由实验数据得,K=3;注:实验中误差基本可以忽略,产生误差的原因可能是电网电压波动、仪表精度不够、变压器老化,测量时读数稳定就读数或者读数处于小幅跳变情况。2空载实验:实验接线如同图6—1所示,低压绕组经过调压器接电源,高压绕组开路,仪表接线如图6—2。选择仪表时应该注意ax绕组的额定电压和额定电流,空载时由于功率因数很低,应选择低功率因数瓦特表,空载电流只有额定序号UAXUax110034.02.9428027.02.9636019.43.09电流的百分之几,应选低量程的电流表,为了减少测量误差,电压表应接在图6—1中的1,2位置。实验步骤:将调压器手柄置于输出电压为零的位置,合上开关K。作空载特性曲线,调节调压器输出,使加在低压绕组ax的电压等于ax绕组额定电压的1.2倍左右开始进行测量,然后逐渐降低电压,在1.2U2N到0.3U2N之间测量8到底组数据记录于表6—2中,注意记下额定电压时(即Uo=U2N)的电流Io和功率Po。表6—2序号12345Uo1501301109070IO0.11A0.10A0.09A79.2mA69.7mAPO9.2W6.8W5.4W3.5W2.3W因为做空载试验时是在低压侧加电压,实验所测的电流、功率均为低压侧的值,所以要归算到高压侧去。实验中,因为220V是线电压,所以可得相电压的额定值是,由于实验时只测量了130V时的数值,所以低压侧的额定电压取130V,所计算的值非为标幺值,还需要经过进一步的归算才能标在高压侧。空载特性曲线Uo=f(Io)由实验数据计算相应空载参数实验计算公式如下:,,;带入数据得:Zm’=3*Uo/(Io/3)=11700Rm’=Po/((Io/3)*(Io/3))=6120=9971.74计算Zm*、rm*、Xm*,取基准值Zm=10000,rm=6000,Xm=9000所以Zm*=1.17,rm*=1.02、Xm*=1.113短路实验:接线如图6—3所示,高压绕组AX通过调压器接电源,低压绕组ax通过较粗导线短接,仪表接线如前面,为了...

1、当您付费下载文档后,您只拥有了使用权限,并不意味着购买了版权,文档只能用于自身使用,不得用于其他商业用途(如 [转卖]进行直接盈利或[编辑后售卖]进行间接盈利)。
2、本站所有内容均由合作方或网友上传,本站不对文档的完整性、权威性及其观点立场正确性做任何保证或承诺!文档内容仅供研究参考,付费前请自行鉴别。
3、如文档内容存在违规,或者侵犯商业秘密、侵犯著作权等,请点击“违规举报”。

碎片内容

单相变压器空载与短路实验报告

文章天下+ 关注
实名认证
内容提供者

各种文档应有尽有

确认删除?
VIP
微信客服
  • 扫码咨询
会员Q群
  • 会员专属群点击这里加入QQ群
客服邮箱
回到顶部