电脑桌面
添加小米粒文库到电脑桌面
安装后可以在桌面快捷访问

各类常用未注公差VIP免费

各类常用未注公差_第1页
1/15
各类常用未注公差_第2页
2/15
各类常用未注公差_第3页
3/15
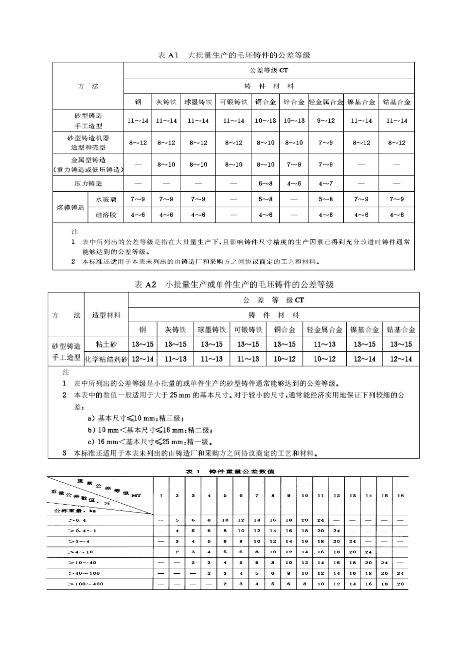
ISO2768-1线性尺寸和角度未注公差的相应等级要求:ISO2768-2形状位置的未注公差的相应等级要求平面度直线度圆度、垂直度、对称度、平行度同轴度大型砂铸件尺寸公差DIN1686–1Længdemål/Längenmaße/length线性长度公差GTB-18-30-50-80-120-180-250-315-400-500-630-800-1000-1250GTB20±4,5±7,5±8±8,5±9±10±11±11±12±13±14±15±16±18GTB19±4,5±4,7±5±5,5±6±6,5±7±7,5±8±8,5±9,5±10±11±12GTB18±2,9±3±3,2±3,4±3,7±4,1±4,4±4,7±5±5,5±6±6,5±7±7,5GTB17±1,8±1,9±2±2,1±2,3±2,5±2,7±2,9±3,1±3,3±3,5±3,8±4,1±4,4GTB16±1,1±1,2±1,3±1,4±1,5±1,6±1,8±1,9±2±2,1±2,3±2,4±2,6±2,8GTB15±0,85±0,95±1±1,1±1,2±1,3±1,4±1,5±1,6±1,7±1,8±1,9±2±2,2Tykkelse/Dickenabmaße/thickness厚度公差-6-10-10-30-50-80-120-180GTB20---±7,5±11±12±13±14GTB19--±4,5±7,5±8±8,5±9±10GTB18-±2,5±4,5±4,7±5±5,5±6,5-GTB17±1,5±2,5±2,9±3±3,2±3,4±3,7-GTB16±1,5±1,8±1,8±1,9±2±2,1±2,3-GTB15±0,95±1±1,1±1,2±1,3±1,4--锻件尺寸公差要求(Forged)DIN1684-1Længdemål/Längenmaße/lengthundDickenmaße/Wanddicken/Hippen/thicknessfurformgebunden线性长度厚度公差Dick-10Dick&Läng-18-30-50-80-120-180-250-315-400-500-630-800-1000GtA17/5±0.9±1.1±1.3±1.5±1.9±2.2±2.5±2.9±3.2±3.7±4.1±4.4±5.0±5.5GTA17±0.75±0.9±1.1±1.3±1.5±1.8±2.0±2.3±2.6±2.9±3.2±3.5±4.0±4.5GTA16/5±0.6±0.7±0.8±1.0±1.2±1.3±1.6±1.8±2.0±2.2±2.4±2.7±3.1±3.6GTA16±0.45±0.55±0.65±0.8±0.95±1.1±1.3±1.5±1.6±1.8±2.0±2.2±2.5±2.8Længdemål/Längenmaße/lengthundDickenmaße/Wanddicken/Hippen/thicknessfurnichtformgebunden非线性(非规律性)长度和厚度公差Dick-10Dick&Läng-18-30-50-80-120-180-250-315-400-500-630-800-1000GtA17/5±1.2±1.4±1.6±1.9±2.2±2.5±2.8±3.2±3.5±4.0±4.4±4.7±5.3±5.8GTA17±1.1±1.2±1.4±1.6±1.8±.1±2.3±2.6±2.9±3.2±3.5±3.8±4.3±4.8GTA16/5±0.9±1.0±1.1±1.3±1.5±1.6±1.8±2.1±2.3±2.5±2.7±3.0±3.4±3.9GTA16±0.75±0.85±0.95±1.1±1.3±1.4±1.5±1.8±1.9±2.1±2.3±2.5±2.8±3.1BearbeitungszugabenBZ规则形状平面度公差BIS-50-120-250-400-500-800-1000BearbeitungszugabenBZ1.51.51.5222.53EingeschrllnkzeBearbeitungszugabenBZ(sleheAbsohnitt5)非规则形状平面度公差BIS-50-120-250-400BearbeitungszugabenBZ0.80.80.81焊接件公差要求ISO13920Længdemål/Längenmaße/length线性长度公差-120-400-1000-2000-4000-8000-12000-16000-2000020000-A±1±1±2±3±4±5±6±7±8±9B±2±2±3±4±6±8±10±12±14±16C±3±4±6±8±11±14±18±21±24±27D±4±7±9±12±16±21±27±32±36±40planhed/GeradheitundEbenheit/regularity非线性和规律性弧线公差-120-400-1000-2000-4000-8000-12000-16000-2000020000-E0,511,52345678F11,534,56810121416G1,535,59111620222525H2,55914182632364040Vinkelmål/Winkelmaß/angle角度公差[°][mm/m]-400-10001000--400-10001000-A±20'±15'±10'±6±4,5±3B±45'±30'±20'±13±9±6C±1°±45°±30°±18±13±9D±1°30'±1°15'±1°±26±22±18GB∕T15055—94冲压件未注公差表1未注公差冲裁尺寸的极限偏差mm注:对于0.5及0.5以下的尺寸应标公差。表5未注公差冲裁角度的极限偏差等级短边长度,mm≤10>10~25>25~63>63~160>160~400>400~1000>1000~2500f±1°00′±0°40′±0°30′±0°20′±0°15′±0°10′±0°06′m±1°30′±1°00′±0°45′±0°30′±0°20′±0°15′±0°10′c±2°00′±1°30′±1°00′±0°45′±0°30′±0°20′±0°15′v表6未注公差弯曲角度的极限偏差公差等级短边长度,mm≤10>10~25>25~63>63~160>160f±1°15′±1°00′±0°45′...

1、当您付费下载文档后,您只拥有了使用权限,并不意味着购买了版权,文档只能用于自身使用,不得用于其他商业用途(如 [转卖]进行直接盈利或[编辑后售卖]进行间接盈利)。
2、本站所有内容均由合作方或网友上传,本站不对文档的完整性、权威性及其观点立场正确性做任何保证或承诺!文档内容仅供研究参考,付费前请自行鉴别。
3、如文档内容存在违规,或者侵犯商业秘密、侵犯著作权等,请点击“违规举报”。

碎片内容

各类常用未注公差

您可能关注的文档

确认删除?
VIP
微信客服
  • 扫码咨询
会员Q群
  • 会员专属群点击这里加入QQ群
客服邮箱
回到顶部