电脑桌面
添加小米粒文库到电脑桌面
安装后可以在桌面快捷访问

哈尔滨某住宅小区消防工程施工组织设计VIP专享VIP免费

哈尔滨某住宅小区消防工程施工组织设计_第1页
1/25
哈尔滨某住宅小区消防工程施工组织设计_第2页
2/25
哈尔滨某住宅小区消防工程施工组织设计_第3页
3/25
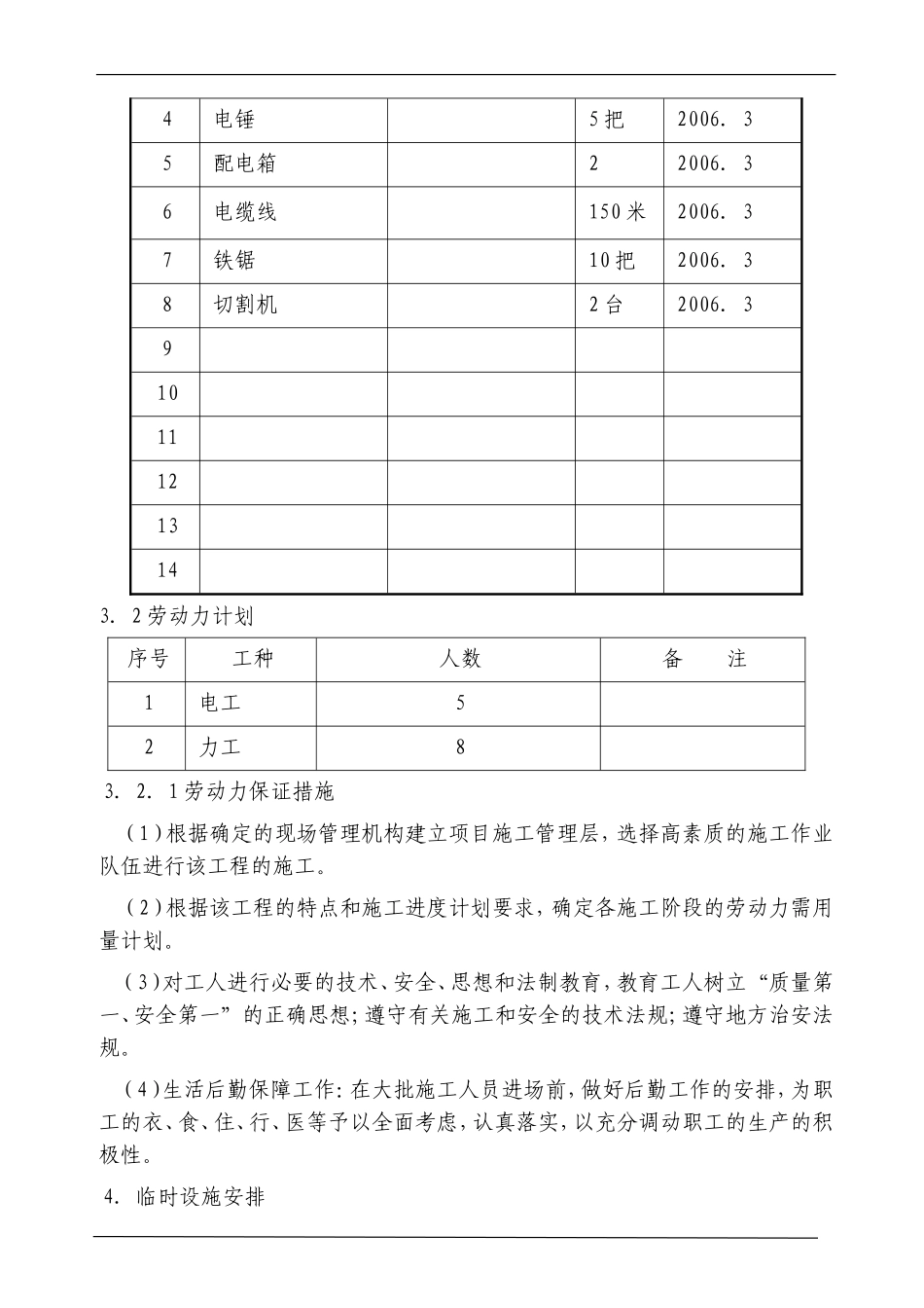
目录第一章工程概况及编制依据--------------------------------------------2第二章消防电工程的协调与配合-----------------------------------------5第三章施工进度计划--------------------------------------------------6第四章施工技术措施--------------------------------------------------11第五章工程质量与具体措施--------------------------------------------13第六章现场质量安全管理----------------------------------------------19第七章工程项目组织机构----------------------------------------------28第一章工程概况及编制依据1.工程概况:哈尔滨**小区F3栋电气工程,由哈尔滨***有限公司建设,由哈尔滨**建筑设计研究院设计,由黑龙江**建筑监理公司监督,由黑龙江省**工程公司承建,分包单位为哈尔滨**水暖电气安装有限公司。本工程位于哈尔滨道里区上海路与友谊路交口处。该楼属一类防火建筑,火灾自动报警系统的保护等级为一级,共二十八层,为框架结构。施工范围为消防应急照明配电系统、火灾自动报警联动系统及消防专用接地系统建筑面积14200平方米,工程开工日期2006年3月15日,竣工日期2007年8月30日。2.编制依据《高层民用建筑设计防火规范》GB50045-95(2005年版)《建筑电气工程施工质量验收规范》(GB50303-2002);《火灾自动报警系统施工及验收规范》(GB50166-92);《火灾自动报警系统设计规范》(GB50116-98);3.施工机械及劳动力计划3.1施工机械准备根据施工进度安排,组织施工机械的进场,确保施工的正常进行。针对本工程的工程量、工期,拟配置如下的主要机械设备(表3-1)。表3-1:主要施工机械设备配置计划表序号名称规格型号数量进场时间1交流焊机3台2006.32万用表2台2006.33弯管器5个2006.34电锤5把2006.35配电箱22006.36电缆线150米2006.37铁锯10把2006.38切割机2台2006.3910111213143.2劳动力计划序号工种人数备注1电工52力工83.2.1劳动力保证措施(1)根据确定的现场管理机构建立项目施工管理层,选择高素质的施工作业队伍进行该工程的施工。(2)根据该工程的特点和施工进度计划要求,确定各施工阶段的劳动力需用量计划。(3)对工人进行必要的技术、安全、思想和法制教育,教育工人树立“质量第一、安全第一”的正确思想;遵守有关施工和安全的技术法规;遵守地方治安法规。(4)生活后勤保障工作:在大批施工人员进场前,做好后勤工作的安排,为职工的衣、食、住、行、医等予以全面考虑,认真落实,以充分调动职工的生产的积极性。4.临时设施安排4.1临建设施由于本工程的工程量较大,本单位将组织足够的人力、物力进场施工,这就要求与总包密切配合,做好现场临时设施的规划,并协助总包搞好现场的总平面管理。具体设置按总包统一安排布置。4.2临时水电(1)临时设施区及现场中心地点设总安全配电箱,并根据实际需要在加工车间、生活区及现场施工地点配备安全分配电箱,施工班组在施工点配备手提式安全配电箱。(2)临时设施区的用水由指定的供水管接头接入,按实际需要布置给水管网,并接至场区排水干管。第二章消防电工程的协调与配合本工程我单位实行总包管理,但因职责分工不同,消防工程仍需加强与总包、土建施工的协调配合。在计划、工期、质量、安全、文明施工、成品保护、物资管理、技术管理、资料管理、合约管理等方面建立完善的管理规定。1.与总包单位的配合1.1技术配合:充分理解设计意图,对施工图进行自审,及时参加图纸会审,编制有关施工方案并报审;邀请总包对安装技术资料的管理进行指导;接受其检查监督。1.2进度配合:在规定的时间对其他施工单位的进度计划进行消化,在消化的基础上提出我们对其进度安排,提供作业面的需求以及消防电系统工程的进度计划。消防电系统工程的进度计划以不影响土建为原则,必须确保总控目标;按时参加并接受总包对安装进度情况检查,将检查结果与初期计划进行对比,并对结果进行分析,制订相应的纠偏措施上报总包并遵照实施。在消防电系统工程调试阶段,我们将成立专职的交工消防工作小组,积极配合总包进行竣工消防验收工作。1.3质量配合:我们就安装工程的...

1、当您付费下载文档后,您只拥有了使用权限,并不意味着购买了版权,文档只能用于自身使用,不得用于其他商业用途(如 [转卖]进行直接盈利或[编辑后售卖]进行间接盈利)。
2、本站所有内容均由合作方或网友上传,本站不对文档的完整性、权威性及其观点立场正确性做任何保证或承诺!文档内容仅供研究参考,付费前请自行鉴别。
3、如文档内容存在违规,或者侵犯商业秘密、侵犯著作权等,请点击“违规举报”。

碎片内容

哈尔滨某住宅小区消防工程施工组织设计

确认删除?
VIP
微信客服
  • 扫码咨询
会员Q群
  • 会员专属群点击这里加入QQ群
客服邮箱
回到顶部