电脑桌面
添加小米粒文库到电脑桌面
安装后可以在桌面快捷访问

哈工大机械原理大作业-齿轮2号VIP免费

哈工大机械原理大作业-齿轮2号_第1页
1/9
哈工大机械原理大作业-齿轮2号_第2页
2/9
哈工大机械原理大作业-齿轮2号_第3页
3/9
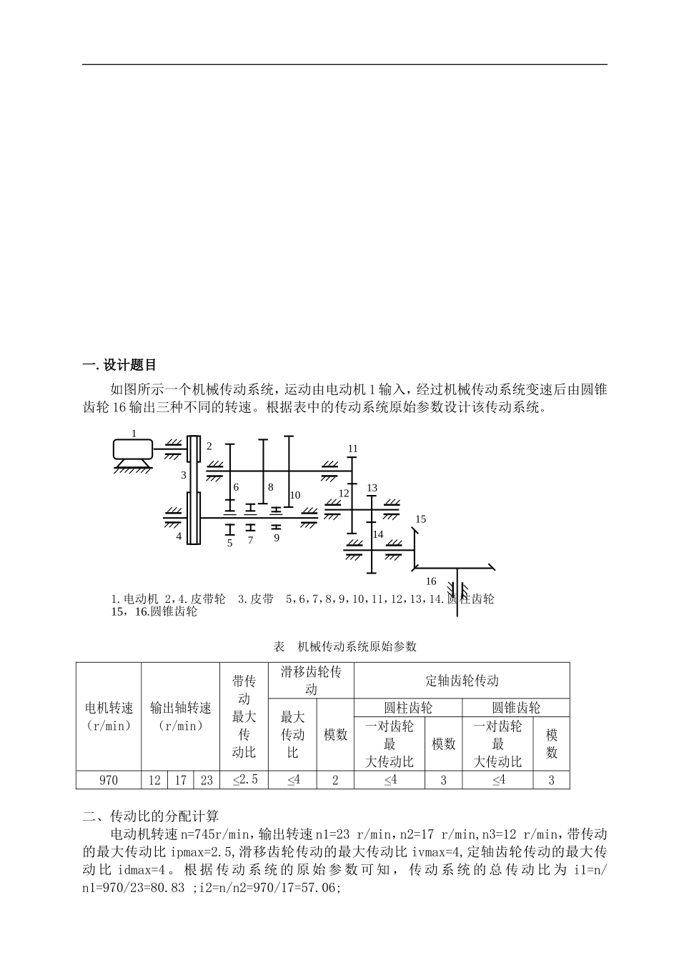
(三)齿轮传动设计课程名称:机械原理设计题目:齿轮传动设计院系:机电工程学院班级:1308302设计者:吉曾纬指导教师:赵永强唐德威设计时间:2015年6月一.设计题目如图所示一个机械传动系统,运动由电动机1输入,经过机械传动系统变速后由圆锥齿轮16输出三种不同的转速。根据表中的传动系统原始参数设计该传动系统。表机械传动系统原始参数电机转速(r/min)输出轴转速(r/min)带传动最大传动比滑移齿轮传动定轴齿轮传动最大传动比模数圆柱齿轮圆锥齿轮一对齿轮最大传动比模数一对齿轮最大传动比模数9701217232.5424343二、传动比的分配计算电动机转速n=745r/min,输出转速n1=23r/min,n2=17r/min,n3=12r/min,带传动的最大传动比ipmax=2.5,滑移齿轮传动的最大传动比ivmax=4,定轴齿轮传动的最大传动比idmax=4。根据传动系统的原始参数可知,传动系统的总传动比为i1=n/n1=970/23=80.83;i2=n/n2=970/17=57.06;154910132315678111412161.电动机2,4.皮带轮3.皮带5,6,7,8,9,10,11,12,13,14.圆柱齿轮15,16.圆锥齿轮i3=n/n3=970/12=42.17。传动系统的总传动比由带传动、滑移齿轮传动和定轴齿轮传动三部分实现。设带传动的传动比为ipmax=2.5,滑移齿轮的传动比为iv1、iv2和iv3,定轴齿轮传动的传动比为if,则总传动比i1=ipmax•iv1•ifi2=ipmax·iv2·ifi3=ipmax·iv3·if令iv1=ivmax=4则可得到定轴齿轮传动部分的传动比为if=iv1/ipmax×ivmax=8.083滑移齿轮传动的传动比iv2=i2/ipmax×if=2.824iv3=i3/ipmax*if=2.087定轴齿轮传动由3对齿轮传动组成,则每对齿轮的传动比为id=if^1/3=2.007≤idmax=4三.齿轮齿数确定根据传动比符合iv1的要求,中心距应相同,且齿数最好互质,不产生根切以及尺寸尽可能小。让齿轮5和6采用标准齿轮啮合,α’=α=20°,z5=12,z6=48;齿轮7和8采用变位啮合,故啮合角α’=α=20°,z7=15,z8=44;齿轮9和10采用角度变位啮合,z9=19,z10=40。齿轮7、8、9、10都是变位齿轮,齿顶高系数ha*=1;径向间隙系c*=0.25,分度圆压力角α=20°。定轴齿轮在变速传动系统中传动比应符合id要求。大致选择11、12、13、14为高度变位齿轮。z11=z13=17,z12=z14=36;ha*=1,c*=0.25;分度圆压力角α为20°。圆锥齿轮15和16选择为标准齿轮。z15=21,z16=53,齿顶高系数ha*=1,径向间隙系数c*=0.2;分度圆压力角α=20°。滑移齿轮5、6参数序号项目代号计算公式及计算结果1齿数齿轮512齿轮6482模数23压力角2004齿顶高系数15顶隙系数0.256标准中心距607实际中心距608啮合角20°9变位系数齿轮50.5齿轮6-0.510齿顶高齿轮53齿轮6111齿根高齿轮51.5齿轮63.512分度圆直径齿轮5d5=mz5=24齿轮69613齿顶圆直径齿轮530齿轮69814齿根圆直径齿轮521齿轮68915齿顶圆压力角齿轮541.23°齿轮623.00°16重合度ε1.50滑移齿轮齿轮7、8参数序号项目代号计算公式及计算结果1齿数齿轮715齿轮8442模数23压力角20°4齿顶高系数15顶隙系数0.256标准中心距597实际中心距608啮合角22.48°9变位系数齿轮70.45齿轮80.08610齿顶高齿轮72.4齿轮81.67211齿根高齿轮71.6齿轮82.32812分度圆直径齿轮730齿轮88813齿顶圆直径齿轮734.80齿轮891.34414齿根圆直径齿轮726.80齿轮883.34415齿顶圆压力角齿轮735.90°齿轮825.14°16重合度ε1.13滑移齿轮9、10参数序号项目代号计算公式及计算结果1齿数齿轮919齿轮10402模数23压力角2004齿顶高系数15顶隙系数0.256标准中心距597实际中心距608啮合角22.47°9变位系数齿轮90.46齿轮100.110齿顶高齿轮92.8齿轮102.0811齿根高齿轮91.58齿轮102.3012分度圆直径齿轮938齿轮108013齿顶圆直径齿轮943.6齿轮1084.214齿根圆直径齿轮934.84齿轮1075.415齿顶圆压力角齿轮935.02°齿轮1026.77°16重合度ε1.45四.定轴齿轮11、12参数序号项目代号计算公式及计算结果1齿数齿轮11z1117齿轮12z12362模数33压力角2004齿顶高系数15顶隙系数0.256标准中心距79.57实际中心距79.58啮合角20°9变位系数齿轮11x110.23齿轮12x12-0.2310齿顶高齿轮11ha113.69齿轮12ha122.3111齿根高齿轮11hf53.060齿轮12hf62.31012分度圆直径齿轮11d11d5=mz5=51齿轮12d1210813齿顶圆直径齿轮11da1158.38齿轮12da12112.62...

1、当您付费下载文档后,您只拥有了使用权限,并不意味着购买了版权,文档只能用于自身使用,不得用于其他商业用途(如 [转卖]进行直接盈利或[编辑后售卖]进行间接盈利)。
2、本站所有内容均由合作方或网友上传,本站不对文档的完整性、权威性及其观点立场正确性做任何保证或承诺!文档内容仅供研究参考,付费前请自行鉴别。
3、如文档内容存在违规,或者侵犯商业秘密、侵犯著作权等,请点击“违规举报”。

碎片内容

哈工大机械原理大作业-齿轮2号

您可能关注的文档

确认删除?
VIP
微信客服
  • 扫码咨询
会员Q群
  • 会员专属群点击这里加入QQ群
客服邮箱
回到顶部