电脑桌面
添加小米粒文库到电脑桌面
安装后可以在桌面快捷访问

反循环钻孔灌注桩施工技术交底VIP免费

反循环钻孔灌注桩施工技术交底_第1页
1/11
反循环钻孔灌注桩施工技术交底_第2页
2/11
反循环钻孔灌注桩施工技术交底_第3页
3/11
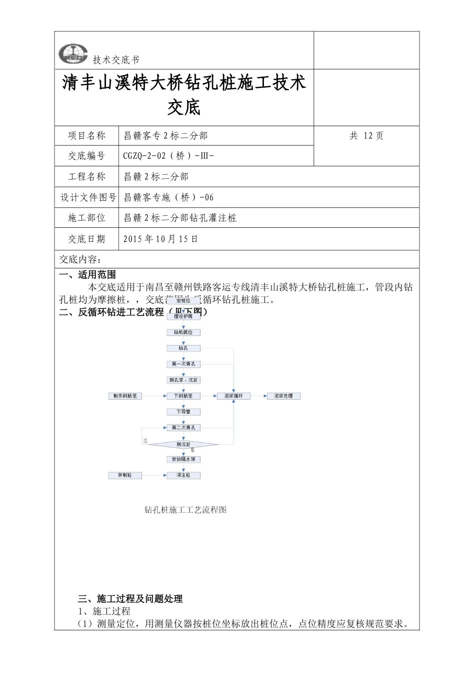
昌赣客运专线站前工程清风山溪特大桥反循环钻孔桩施工技术交底昌赣客运专线站前工程CGZQ-2标二分部表格编号中铁四局集团昌赣客专CGZQ-2标项目部二分部技术交底签收表交底复核日期交底名称反循环钻孔桩施工技术交底交底接收人签字姓名日期姓名日期技术交底书清丰山溪特大桥钻孔桩施工技术交底项目名称昌赣客专2标二分部共12页交底编号CGZQ-2-02(桥)-Ⅲ-工程名称昌赣2标二分部设计文件图号昌赣客专施(桥)-06施工部位昌赣2标二分部钻孔灌注桩交底日期2015年10月15日交底内容:一、适用范围本交底适用于南昌至赣州铁路客运专线清丰山溪特大桥钻孔桩施工,管段内钻孔桩均为摩擦桩,,交底范围为反循环钻孔桩施工。二、反循环钻进工艺流程(见下图)三、施工过程及问题处理1、施工过程(1)测量定位,用测量仪器按桩位坐标放出桩位点,点位精度应复核规范要求。(2)由施工作业班组,将护桩埋设于桩周边,呈十字,十字中心与桩位中心重合,护桩埋设于桩机就位时不会破坏的牢固地点,护桩采用砂浆或砼包裹;严禁在钻孔过程中随意破坏或改动护桩位置。(3)钻机就位,根据测量放样确定的桩位;施工平台须牢靠稳定,能承受工作时所有静、动荷载。(4)护筒埋置:护筒内径比桩径大40cm,护筒埋置深度符合下列规定:黏性土不小于1m,砂类土不小于2m。当表层土松软时将护筒埋置到较坚硬密实的土层中至少0.5m。护筒顶面中心与设计桩位偏差不大于5cm,倾斜度不大于1%。钻孔时孔内水位高出护筒底面0.5m或地下水位以上2.0m。护筒中心与桩中心基本重合;也可采用锤击施压将护筒打入预定的位置,护筒的倾斜度及与桩的中心位置很难保证。护筒加固:钢护筒与孔壁之间空隙回填粘土压实封口,护筒口顶下20--30cm位置焊10号槽钢或钢板卷制加固,下垫枕木,或者在护筒周围码砌两层沙袋,以保证护筒在承压状态下不产生在下沉。护筒本身要求护壁不漏水、坚固,可循环适用。(5)钻孔①钻机就位前,应对主要机具及配套设备进行检查、维修。放置钻机的起吊滑轮线、钻头和钻孔中心线三者应在同一铅垂线上,其校核偏差不得大于2cm。②钻孔前,按施工设计所提供的地质、水文资料绘制地质剖面图,挂在钻台上。针对不同地质层选用不同的钻头、钻进速度、钻进压力及适当的泥浆比重。③开钻时,应将钻头提高距孔底20-30cm将真空泵加足清水,启动真空泵把水引到泥石泵后,启动泥石泵把管路中的泥水混合物排到沉淀池,形成反循环,启动钻机慢速钻进。当一节钻杆钻完时,停止转盘,并使反循环延续工作至孔底沉渣基本排净(约1-3min),然后关闭泥石泵接长钻杆,经检查一切正常后继续钻进。在粘土中钻进时,用一档转速,放松吊绳,自由进尺。在砂砾层中钻进时,采用一、二档转速,并控制进尺,以免陷没钻头或抽吸钻渣的速度跟不上。④钻孔作业必须连续进行,不得中断。因特殊情况必须停钻时,孔口应加保护盖,并严禁钻头留在孔内,以防埋钻。⑤经常检查泥浆的各项指标泥浆池:选用膨润土配制优质泥浆。根据地层情况及时调整泥浆性能,泥浆性能指标如下:泥浆比重:反循环钻机泥浆比重可为1.05~1.15。粘度:一般地层16~22s,松散易坍地层19~28s。含砂率:新制泥浆不大于4%。PH值:大于6.5。二次清孔后灌注前泥浆指标为:泥浆比重:不大于1.1粘度:在17s~20s含砂率:不大于2%。⑥开始钻进时,适当控制进尺,使初期成孔竖直、圆顺,防止孔位偏心、孔口坍塌。钻进过程中,每进尺5-8m,检查外孔直径和竖直度。用圆钢筋笼吊入孔内,使圆笼中心与钻孔中心符合,如上下各处无挂阻,则说明钻孔直径和竖直度符合要求。每钻进2m或地层变化处,应捞钻渣样品,查明土类并记录,以便与设计资料核对,如有和设计地质层不符的及时与现场技术员联系,收集渣样,及时向指挥部提交变更申请。⑦当钻孔深度达到设计要求时,应对孔深、孔径、孔位和孔形进行检查,确认满足要求后,立即填写终孔检查证,并经监理工程师认可,方可进行孔清理和灌注水下混凝土的准备工作。⑧及时填写资料,即钻孔桩原始记录,确保每根桩一份资料,及时备案(6)、清孔①采用抽浆法清孔。可在终孔后停止进尺,钻头提升5~10cm,利用钻机的反循环系统的泥石泵持续...

1、当您付费下载文档后,您只拥有了使用权限,并不意味着购买了版权,文档只能用于自身使用,不得用于其他商业用途(如 [转卖]进行直接盈利或[编辑后售卖]进行间接盈利)。
2、本站所有内容均由合作方或网友上传,本站不对文档的完整性、权威性及其观点立场正确性做任何保证或承诺!文档内容仅供研究参考,付费前请自行鉴别。
3、如文档内容存在违规,或者侵犯商业秘密、侵犯著作权等,请点击“违规举报”。

碎片内容

反循环钻孔灌注桩施工技术交底

您可能关注的文档

确认删除?
VIP
微信客服
  • 扫码咨询
会员Q群
  • 会员专属群点击这里加入QQ群
客服邮箱
回到顶部