电脑桌面
添加小米粒文库到电脑桌面
安装后可以在桌面快捷访问

华欣湾项目CD区二次改造工程评标报告VIP免费

华欣湾项目CD区二次改造工程评标报告_第1页
1/6
华欣湾项目CD区二次改造工程评标报告_第2页
2/6
华欣湾项目CD区二次改造工程评标报告_第3页
3/6
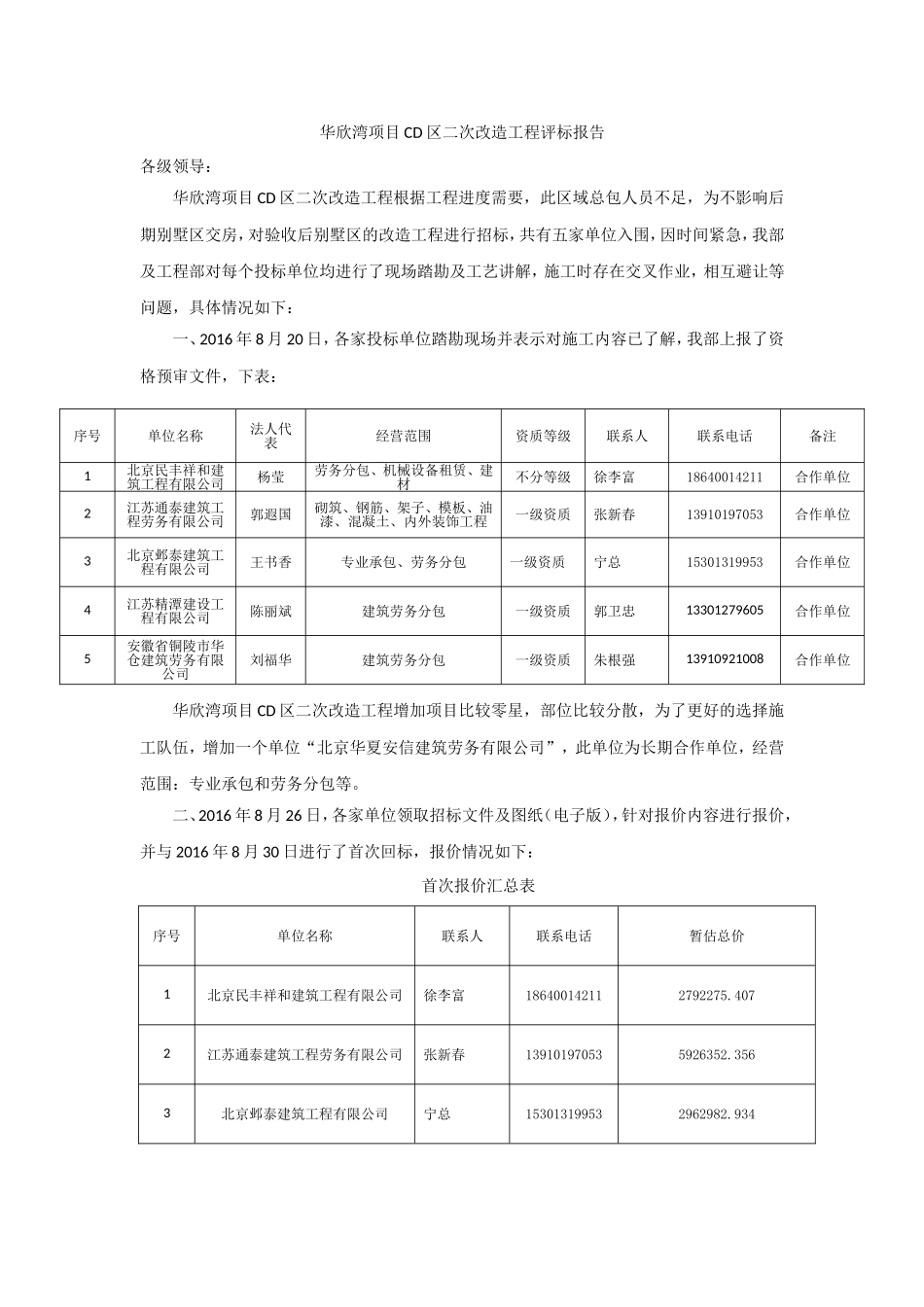
华欣湾项目CD区二次改造工程评标报告各级领导:华欣湾项目CD区二次改造工程根据工程进度需要,此区域总包人员不足,为不影响后期别墅区交房,对验收后别墅区的改造工程进行招标,共有五家单位入围,因时间紧急,我部及工程部对每个投标单位均进行了现场踏勘及工艺讲解,施工时存在交叉作业,相互避让等问题,具体情况如下:一、2016年8月20日,各家投标单位踏勘现场并表示对施工内容已了解,我部上报了资格预审文件,下表:华欣湾项目CD区二次改造工程增加项目比较零星,部位比较分散,为了更好的选择施工队伍,增加一个单位“北京华夏安信建筑劳务有限公司”,此单位为长期合作单位,经营范围:专业承包和劳务分包等。二、2016年8月26日,各家单位领取招标文件及图纸(电子版),针对报价内容进行报价,并与2016年8月30日进行了首次回标,报价情况如下:首次报价汇总表序号单位名称联系人联系电话暂估总价1北京民丰祥和建筑工程有限公司徐李富186400142112792275.4072江苏通泰建筑工程劳务有限公司张新春139101970535926352.3563北京邺泰建筑工程有限公司宁总153013199532962982.934序号单位名称法人代表经营范围资质等级联系人联系电话备注1北京民丰祥和建筑工程有限公司杨莹劳务分包、机械设备租赁、建材不分等级徐李富18640014211合作单位2江苏通泰建筑工程劳务有限公司郭遐国砌筑、钢筋、架子、模板、油漆、混凝土、内外装饰工程一级资质张新春13910197053合作单位3北京邺泰建筑工程有限公司王书香专业承包、劳务分包一级资质宁总15301319953合作单位4江苏精潭建设工程有限公司陈丽斌建筑劳务分包一级资质郭卫忠13301279605合作单位5安徽省铜陵市华仓建筑劳务有限公司刘福华建筑劳务分包一级资质朱根强13910921008合作单位4江苏精潭建设工程有限公司郭卫忠133012796054135340.4115安徽省铜陵市华仓建筑劳务有限公司朱根强139109210082768054.7626北京华夏安信建筑劳务有限公司王家栋152507875552725151.871详见附件:三、项目谈标谈标时间:2016年8月31日地点:售楼处会议室谈标人:张总、任秋红谈标内容:1、C区工期45天,人员及分区,施工时存在与小院围墙等施工交叉作业的问题,D区2017年开工。2、烟道规格250*300,无动力烟风帽采购及安装包含水泥盖板。风帽直径400。3、楼板及屋面开孔部分采用水钻,不能使用电镐。4、屋面拆除后的恢复包含在报价中,不含防水恢复。5、现场使用预拌砂浆。6、进场材料需要提供合格证明。7、各项施工满足规范要求。8、价格偏差较大,明显偏离市场价的重点做出说明。9、综合单价包含所有税点,以后均不在调整,因总价大部分未超出300万,未谈抵房事宜。10、报价与2016年9月1日上午回标到预算采购部。四、二次回标二次回标报价汇总表序号单位名称联系人联系电话暂估总价1北京民丰祥和建筑工程有限公司徐李富186400142113082914.4242江苏通泰建筑工程劳务有限公司张新春139101970535871776.9463北京邺泰建筑工程有限公司宁总153013199532778208.5924江苏精潭建设工程有限公司郭卫忠133012796053789561.7765安徽省铜陵市华仓建筑劳务有限公司朱根强139109210082521417.856北京华夏安信建筑劳务有限公司王家栋152507875553502321.571详见下表:五、项目最终谈判谈标时间:2016年9月2日谈标地点:总部会议室参与谈标人员:张总、李强经理、丁婷婷、王振勇及各投标单位负责人谈判内容:1、暂估总价定标,共三个户型,合同为固定综合单价合同;2、报价含防护、地暖位置要注意,不要破坏;3、墙体腻子基层为抹灰面,考虑合理工序4、烟风帽、烟道采购及安装,C区工期45天,合理考虑人员安排5、总价超出三百万同意进行抵房。六、最终报价情况怀柔项目CD区验收后粗装修工程报价对比表(现场竞价)单位:元投标单位合计备注安徽省铜陵市华仓建筑劳务有限公司2521417.85只接受施工CD区全部工程北京邺泰建筑工程有限公司2778209.59施工一半的工程量,确保工期;北京民丰祥和建筑工程有限公司2820000.00同意45天工期完成C区61栋宿迁市良信建筑劳务有限公司3600000.00同意45天工期完成C区61栋江苏精潭建设工程有限公司3700000.00可在规定时间完成CD区一半工...

1、当您付费下载文档后,您只拥有了使用权限,并不意味着购买了版权,文档只能用于自身使用,不得用于其他商业用途(如 [转卖]进行直接盈利或[编辑后售卖]进行间接盈利)。
2、本站所有内容均由合作方或网友上传,本站不对文档的完整性、权威性及其观点立场正确性做任何保证或承诺!文档内容仅供研究参考,付费前请自行鉴别。
3、如文档内容存在违规,或者侵犯商业秘密、侵犯著作权等,请点击“违规举报”。

碎片内容

华欣湾项目CD区二次改造工程评标报告

您可能关注的文档

确认删除?
VIP
微信客服
  • 扫码咨询
会员Q群
  • 会员专属群点击这里加入QQ群
客服邮箱
回到顶部