电脑桌面
添加小米粒文库到电脑桌面
安装后可以在桌面快捷访问

高中物理 第2章 实验:游标卡尺和螺旋测微器学案 粤教版选修3-1-粤教版高二选修3-1物理学案VIP免费

高中物理 第2章 实验:游标卡尺和螺旋测微器学案 粤教版选修3-1-粤教版高二选修3-1物理学案_第1页
1/9
高中物理 第2章 实验:游标卡尺和螺旋测微器学案 粤教版选修3-1-粤教版高二选修3-1物理学案_第2页
2/9
高中物理 第2章 实验:游标卡尺和螺旋测微器学案 粤教版选修3-1-粤教版高二选修3-1物理学案_第3页
3/9
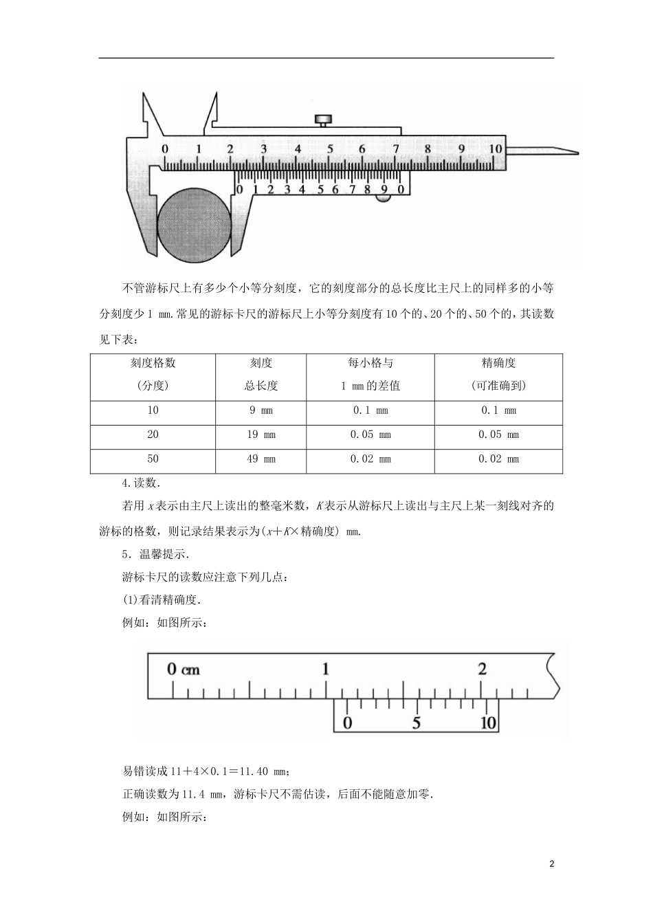
实验:游标卡尺和螺旋测微器一、实验目的1.了解游标卡尺和螺旋测微器的原理及结构.2.会用游标卡尺和螺旋测微器测量长度.二、仪器构造、原理和使用方法(一)游标卡尺1.游标卡尺的构造.主尺、游标尺(主尺和游标尺上各有一个内外测量爪)、游标尺上还有一个深度尺,尺身上还有一个紧固螺钉.2.用途.测量厚度、长度、深度、内径、外径.3.原理:利用主尺的最小分度与游标尺的最小分度的差值制成.(1)10分度的游标卡尺.游标上相邻两个刻度间的距离为0.9mm,比主尺上相邻两个刻度间距离小0.1mm.读数时先从主尺上读出厘米数和毫米数,然后用游标读出0.1毫米位的数值:游标的第几条刻线跟主尺上某一条刻线对齐,0.1毫米位就读几(不能读某).其读数准确到0.1mm.(2)20分度的游标卡尺.游标上相邻两个刻度间的距离为0.95mm,比主尺上相邻两个刻度间距离小0.05mm.读数时先从主尺上读出厘米数和毫米数,然后用游标读出毫米以下的数值:游标的第几条刻线跟主尺上某一条刻线对齐,毫米以下的读数就是几乘0.05毫米.其读数准确到0.05mm.(3)50分度的游标卡尺.游标上相邻两个刻度间的距离为0.98mm,比主尺上相邻两个刻度间距离小0.02mm.这种卡尺的刻度是特殊的,游标上的刻度值,就是毫米以下的读数.这种卡尺的读数可以准确到0.02mm.如图中被测圆柱体的直径为2.250cm.1不管游标尺上有多少个小等分刻度,它的刻度部分的总长度比主尺上的同样多的小等分刻度少1mm.常见的游标卡尺的游标尺上小等分刻度有10个的、20个的、50个的,其读数见下表:刻度格数(分度)刻度总长度每小格与1mm的差值精确度(可准确到)109mm0.1mm0.1mm2019mm0.05mm0.05mm5049mm0.02mm0.02mm4.读数.若用x表示由主尺上读出的整毫米数,K表示从游标尺上读出与主尺上某一刻线对齐的游标的格数,则记录结果表示为(x+K×精确度)mm.5.温馨提示.游标卡尺的读数应注意下列几点:(1)看清精确度.例如:如图所示:易错读成11+4×0.1=11.40mm;正确读数为11.4mm,游标卡尺不需估读,后面不能随意加零.例如:如图所示:2易错读成10+12×0.05=10.6mm,正确读数为10.60mm.(2)主尺上的单位应为厘米.主尺上标识的1、2、3等数字通常是指厘米,读数时应将毫米和厘米分清,游标卡尺主尺上的最小刻度是1mm.例如:如图所示:易错读成5+4×0.05=5.20mm;正确读数为50+4×0.05=50.20mm.(3)区分零刻度与标尺最前端.例如:如图所示:易错读成13+10×0.05=13.50mm;正确读数为14+10×0.05=14.50mm.(二)螺旋测微器1.螺旋测微器的构造.如图所示是常用的螺旋测微器.它的测砧A和固定刻度B固定在尺架C上,旋钮D、微调3旋钮D′和可动刻度E、测微螺杆F连在一起,通过精密螺纹套在B上.2.原理.测微螺杆F与固定刻度B之间的精密螺纹的螺距为0.5mm,即旋钮D每旋转一周,F前进或后退0.5mm,而可动刻度E上的刻度为50等份,每转动一小格,F前进或后退0.01mm.即螺旋测微器的精确度为0.01mm.读数时误差出现在毫米的千分位上,因此,螺旋测微器又叫千分尺.3.读数.测量时被测物体长度的整毫米数由固定刻度读出,小数部分由可动刻度读出.测量值(mm)=固定刻度数(mm)(注意半毫米刻度线是否露出)+可动刻度数(估读一位)×0.01(mm).4.温馨提示.螺旋测微器需要估读,最后一位数字为估计数字,读数和记数时估计位为有效数字的最后一位.1.小华用如图所示的游标卡尺对金属圆筒进行测量,下列操作中正确的是(C)4A.用内测量爪cd测量圆筒的外径B.用外测量爪ab测量圆筒的内径C.用深度尺ef测量圆筒的深度D.用内测量爪cd测量圆筒壁的厚度解析:A.用内测量爪cd测量圆筒的内径,故A错误;B.用外测量爪ab测量圆筒的外径,也可以测量圆筒壁的厚度,故BD错误;C.用深度尺ef测量圆筒的深度,故C正确.故选C.2.如图为10分度的游标卡尺测量钢管内径时的示数,其示数为(D)A.2.90cmB.2.9cmC.2.27mmD.2.27cm解析:游标卡尺的主尺读数为2.2cm,游标尺上第7个刻度和主尺上某一刻度对齐,游标读数为0.1×7mm=0.7mm=0.07cm,所以最终读数为:主尺读数+游标尺读数为:2.2cm+0.07cm=2.27cm;故选D.3.如图所示,用20分度游标卡尺测量钢球的直径时,符合规...

1、当您付费下载文档后,您只拥有了使用权限,并不意味着购买了版权,文档只能用于自身使用,不得用于其他商业用途(如 [转卖]进行直接盈利或[编辑后售卖]进行间接盈利)。
2、本站所有内容均由合作方或网友上传,本站不对文档的完整性、权威性及其观点立场正确性做任何保证或承诺!文档内容仅供研究参考,付费前请自行鉴别。
3、如文档内容存在违规,或者侵犯商业秘密、侵犯著作权等,请点击“违规举报”。

碎片内容

高中物理 第2章 实验:游标卡尺和螺旋测微器学案 粤教版选修3-1-粤教版高二选修3-1物理学案

您可能关注的文档

确认删除?
VIP
微信客服
  • 扫码咨询
会员Q群
  • 会员专属群点击这里加入QQ群
客服邮箱
回到顶部