电脑桌面
添加小米粒文库到电脑桌面
安装后可以在桌面快捷访问

高中物理 第一章 电磁感应 第1节 电磁感应现象 第2节 产生感应电流的条件学案 粤教版选修3-2-粤教版高二选修3-2物理学案VIP免费

高中物理 第一章 电磁感应 第1节 电磁感应现象 第2节 产生感应电流的条件学案 粤教版选修3-2-粤教版高二选修3-2物理学案_第1页
1/6
高中物理 第一章 电磁感应 第1节 电磁感应现象 第2节 产生感应电流的条件学案 粤教版选修3-2-粤教版高二选修3-2物理学案_第2页
2/6
高中物理 第一章 电磁感应 第1节 电磁感应现象 第2节 产生感应电流的条件学案 粤教版选修3-2-粤教版高二选修3-2物理学案_第3页
3/6
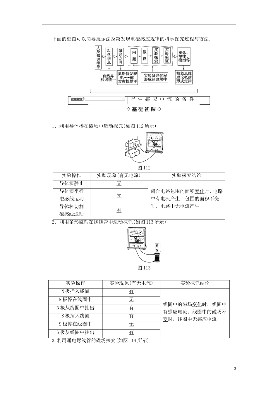
第一节电磁感应现象第二节产生感应电流的条件学习目标知识脉络1.了解电磁感应现象及相关的物理学史.2.通过实验探究产生感应电流的条件.(重点、难点)3.能正确分析磁通量的变化情况.(重点)4.能运用感应电流的产生条件判断是否有感应电流产生.(重点、难点)电磁感应现象1.“电生磁”的发现1820年,丹麦物理学家奥斯特发现了电流的磁效应.2.“磁生电”的发现1831年,英国物理学家法拉第发现了电磁感应现象.3.法拉第的概括法拉第把引起感应电流的原因概括为五类:(1)变化的电流;(2)变化的磁场;(3)运动的恒定电流;(4)运动的磁铁;(5)在磁场中运动的导体.4.电磁感应现象法拉第把他发现的磁生电的现象叫做电磁感应现象,产生的电流叫感应电流.5.发现电磁感应现象的意义使人们找到了磁生电的条件,开辟了人类的电气化时代.1.首先发现电磁感应现象的科学家是奥斯特.(×)2.有电流即生磁场.(√)3.“磁生电”是一种在变化、运动的过程中才能出现的效应.(√)很多科学家在磁生电的研究中为什么没有取得成功?【提示】很多科学家在实验中没有注意到磁场的变化、导体与磁场之间的相对运动等环节,只想把导体放入磁场中来获得电流,这实际上违背了能量转化与守恒定律.1如图111所示,有一个线圈与一个灵敏电流计连成闭合电路.将一条形磁铁的一部分插入线圈中.图111探讨1:当条形磁铁向右运动时,电流计的指针是否发生偏转?【提示】偏转.探讨2:当条形磁铁向左运动时,电流计的指针是否发生偏转?【提示】偏转.1.奥斯特的“电生磁”(1)现象:在南北方向放置的通电导线下面的小磁针发生偏转.(2)意义:电流的磁效应显示了载流导体对磁针的作用力,揭示了电现象与磁现象之间存在的某种联系.2.法拉第的“磁生电”(1)现象:“磁生电”是一种在变化、运动的过程中才出现的效应,法拉第把这些现象定名为电磁感应现象,产生的电流叫做感应电流.(2)条件:法拉第把引起电流的原因概括为五类,它们都与变化和运动相联系,这就是:变化的电流、变化的磁场、运动的恒定电流、运动的磁铁、在磁场中运动的导体.1.首先发现电流的磁效应和电磁感应现象的物理学家分别是()【导学号:97192000】A.安培和法拉第B.法拉第和楞次C.奥斯特和安培D.奥斯特和法拉第【解析】1820年,丹麦著名物理学家奥斯特发现了电流的磁效应.1831年,英国著名物理学家法拉第发现了电磁感应现象.选项D正确.【答案】D2.1825年,瑞士物理学家德拉里夫的助手科拉顿将一个螺线管与电流计相连.为了避免强磁性磁铁影响,他把电流计放在另外一个房间,当他把磁铁插入螺线管中后,立即跑到另一个房间去观察,关于科拉顿进行的实验,下列说法正确的是()A.在科拉顿整个操作过程中,电流计指针不发生偏转B.将磁铁插入螺线管瞬间,电流计指针发生偏转,但科拉顿跑到观察时,电流计指针已不再偏转C.科拉顿无法观察到电流计指针偏转的原因是当时电流计灵敏度不够D.科拉顿无法观察到电流计指针偏转的原因是导线过长,电流过小【解析】科拉顿将磁铁放入螺线管时,穿过线圈的磁通量变化,回路中产生感应电流,电流计指针偏转,之后,穿过线圈的磁通量保持不变,回路中无感应电流,电流计指针不偏转,但由于科拉顿放完磁铁后跑到另一室观察,所以他观察不到偏转.只有B项正确.【答案】B科学探究过程与方法2下面的框图可以简要展示法拉第发现电磁感应规律的科学探究过程与方法.产生感应电流的条件1.利用导体棒在磁场中运动探究(如图112所示)图112实验操作实验现象(有无电流)实验探究结论导体棒静止无闭合电路包围的面积变化时,电路中有电流产生;包围的面积不变时,电路中无电流产生导体棒平行磁感线运动无导体棒切割磁感线运动有2.利用条形磁铁在螺线管中运动探究(如图113所示)图113实验操作实验现象(有无电流)实验探究结论N极插入线圈有线圈中的磁场变化时,线圈中有感应电流;线圈中的磁场不变时,线圈中无感应电流N极停在线圈中无N极从线圈中抽出有S极插入线圈有S极停在线圈中无S极从线圈中抽出有3.利用通电螺线管的磁场探究(如图114所示)3图114实验操作实验现象(线圈B中有无电流)实验探究结论开关闭合瞬...

1、当您付费下载文档后,您只拥有了使用权限,并不意味着购买了版权,文档只能用于自身使用,不得用于其他商业用途(如 [转卖]进行直接盈利或[编辑后售卖]进行间接盈利)。
2、本站所有内容均由合作方或网友上传,本站不对文档的完整性、权威性及其观点立场正确性做任何保证或承诺!文档内容仅供研究参考,付费前请自行鉴别。
3、如文档内容存在违规,或者侵犯商业秘密、侵犯著作权等,请点击“违规举报”。

碎片内容

高中物理 第一章 电磁感应 第1节 电磁感应现象 第2节 产生感应电流的条件学案 粤教版选修3-2-粤教版高二选修3-2物理学案

您可能关注的文档

;绿洲书城+ 关注
实名认证
内容提供者

从事历史教学,热爱教育,高度负责。

确认删除?
VIP
微信客服
  • 扫码咨询
会员Q群
  • 会员专属群点击这里加入QQ群
客服邮箱
回到顶部