电脑桌面
添加小米粒文库到电脑桌面
安装后可以在桌面快捷访问

(新课改省份专版)高考化学一轮复习 10.2 实验基础(2)基本操作“步步清”学案(含解析)-人教版高三全册化学学案VIP免费

(新课改省份专版)高考化学一轮复习 10.2 实验基础(2)基本操作“步步清”学案(含解析)-人教版高三全册化学学案_第1页
1/9
(新课改省份专版)高考化学一轮复习 10.2 实验基础(2)基本操作“步步清”学案(含解析)-人教版高三全册化学学案_第2页
2/9
(新课改省份专版)高考化学一轮复习 10.2 实验基础(2)基本操作“步步清”学案(含解析)-人教版高三全册化学学案_第3页
3/9
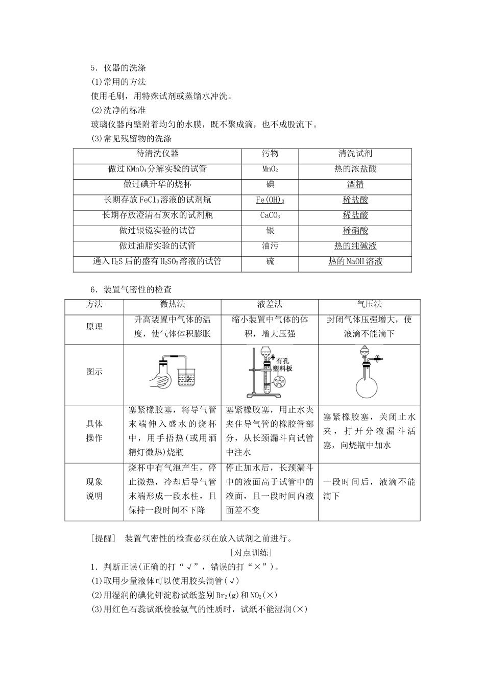
第2课时实验基础(2)——基本操作“步步清”知识点一掌握化学实验的基本操作1.试剂的取用(1)根据试剂的性状和用量选择取用方法①一般试剂的取用取用试剂固体试剂液体试剂粉末块状一定量少量多量一定量使用仪器药匙(或纸槽)镊子用托盘天平称量胶头滴管用试剂瓶倾倒用量筒、滴定管(或移液管)量取②特殊试剂的取用试剂取用方法金属钠、钾等活泼金属用镊子取出一些金属钠或钾后,用滤纸吸干表面的煤油,放在玻璃片或白瓷板上用小刀切割一小块,余下的立即放回原瓶白磷用镊子夹持住白磷,用小刀在水下切割液溴(在通风橱中)先捏瘪滴管胶头,再伸入下层吸取(上层为水溶液层),因液溴有很强的腐蚀性,要注意防止其沾在皮肤上[提醒]试剂取用要做到“三不”:不能用手直接接触试剂;不要把鼻孔凑到容器口去闻试剂的气味;不能尝任何试剂的味道。(2)向仪器中加入试剂的操作方法①向容器内加固体试剂②向容器内加液体试剂2.试纸的使用(1)类型及作用红色石蕊试纸定性检验碱性溶液蓝色石蕊试纸定性检验酸性溶液pH试纸定量检验溶液酸碱性的强弱淀粉KI试纸检验Cl2等具有强氧化性的物质品红试纸检验SO2等具有漂白性的物质(2)使用方法①检验溶液:取一小块试纸放在表面皿或玻璃片上,用蘸有待测液的玻璃棒点在试纸中部,观察试纸颜色的变化。②检验气体:一般先将试纸润湿,粘在玻璃棒的一端,并使其接近出气口,观察颜色的变化。(3)注意事项①不可使用pH试纸测定H2O2、浓HNO3、氯水、NaClO、Ca(ClO)2等具有漂白性溶液的pH。②用pH试纸测定溶液的pH时试纸不可润湿,否则可能导致误差,使酸性溶液pH偏大,碱性溶液pH偏小,中性溶液无影响。③蓝色石蕊试纸检测酸性物质,由蓝色变红色,而红色石蕊试纸检测碱性物质,由红色变蓝色;(CH3COO)2Pb试纸检测H2S,由白色变黑色。3.物质的溶解(1)固体的溶解①使用仪器:烧杯、试管、玻璃棒等。②促溶方法:研细、搅拌、加热等。③注意事项:FeCl3、AlCl3等易水解的固体溶解时不能加热。(2)液体的溶解一般方法:将密度的液体沿着器壁慢慢注入密度的液体中,并用玻璃棒轻轻搅拌。如浓H2SO4稀释时是把浓H2SO4慢慢加入到水中,并用玻璃棒不断搅拌。(3)气体的溶解①对溶解度不大的气体,如CO2、Cl2、H2S等,用如图a所示装置。②对极易溶于水的气体,如NH3、HCl等,用如图b所示装置。4.物质的加热(1)直接加热法(如试管、蒸发皿等):操作时,要先预热再将火焰固定在试管底部加热。加热粉末状固体时,为了防止堵塞导管口,常在导管口塞一团棉花。对盛有液体的试管加热,要使试管口向斜上方倾斜(约45°),试管口不能对着人;加热时,还要不断振荡试管,以防止液体局部过热而引起暴沸。(2)垫石棉网加热(如烧杯、烧瓶等)。(3)物浴加热:对温度不超过100℃的实验,可用水浴来加热,好处:一是受热均匀,二是便于控制反应的温度(如实验室制硝基苯和测定物质溶解度等),若加热温度超过100℃,就要用油浴、沙浴等。[提醒]①中学阶段,用水浴加热的有机实验:硝基苯的制取(55~60℃),乙酸乙酯的水解(70~80℃),银镜反应(热水浴),蔗糖水解等。②加热需要冷凝回流时,要在容器口安装长导管或球形冷凝管,如制溴苯、硝基苯、溴乙烷、乙酸乙酯等。5.仪器的洗涤(1)常用的方法使用毛刷,用特殊试剂或蒸馏水冲洗。(2)洗净的标准玻璃仪器内壁附着均匀的水膜,既不聚成滴,也不成股流下。(3)常见残留物的洗涤待清洗仪器污物清洗试剂做过KMnO4分解实验的试管MnO2热的浓盐酸做过碘升华的烧杯碘酒精长期存放FeCl3溶液的试剂瓶Fe(OH)3稀盐酸长期存放澄清石灰水的试剂瓶CaCO3稀盐酸做过银镜实验的试管银稀硝酸做过油脂实验的试管油污热的纯碱液通入H2S后的盛有H2SO3溶液的试管硫热的NaOH溶液6.装置气密性的检查方法微热法液差法气压法原理升高装置中气体的温度,使气体体积膨胀缩小装置中气体的体积,增大压强封闭气体压强增大,使液滴不能滴下图示具体操作塞紧橡胶塞,将导气管末端伸入盛水的烧杯中,用手捂热(或用酒精灯微热)烧瓶塞紧橡胶塞,用止水夹夹住导气管的橡胶管部分,从长颈漏斗向试管中注水塞紧橡胶塞,关闭止水夹,打开分液漏斗活塞,向烧瓶中加水现象说明烧杯中有气泡产...

1、当您付费下载文档后,您只拥有了使用权限,并不意味着购买了版权,文档只能用于自身使用,不得用于其他商业用途(如 [转卖]进行直接盈利或[编辑后售卖]进行间接盈利)。
2、本站所有内容均由合作方或网友上传,本站不对文档的完整性、权威性及其观点立场正确性做任何保证或承诺!文档内容仅供研究参考,付费前请自行鉴别。
3、如文档内容存在违规,或者侵犯商业秘密、侵犯著作权等,请点击“违规举报”。

碎片内容

(新课改省份专版)高考化学一轮复习 10.2 实验基础(2)基本操作“步步清”学案(含解析)-人教版高三全册化学学案

您可能关注的文档

确认删除?
VIP
微信客服
  • 扫码咨询
会员Q群
  • 会员专属群点击这里加入QQ群
客服邮箱
回到顶部