电脑桌面
添加小米粒文库到电脑桌面
安装后可以在桌面快捷访问

高考物理二轮复习 第8讲 直流与交流电路活页规范训练VIP免费

高考物理二轮复习 第8讲 直流与交流电路活页规范训练_第1页
1/6
高考物理二轮复习 第8讲 直流与交流电路活页规范训练_第2页
2/6
高考物理二轮复习 第8讲 直流与交流电路活页规范训练_第3页
3/6
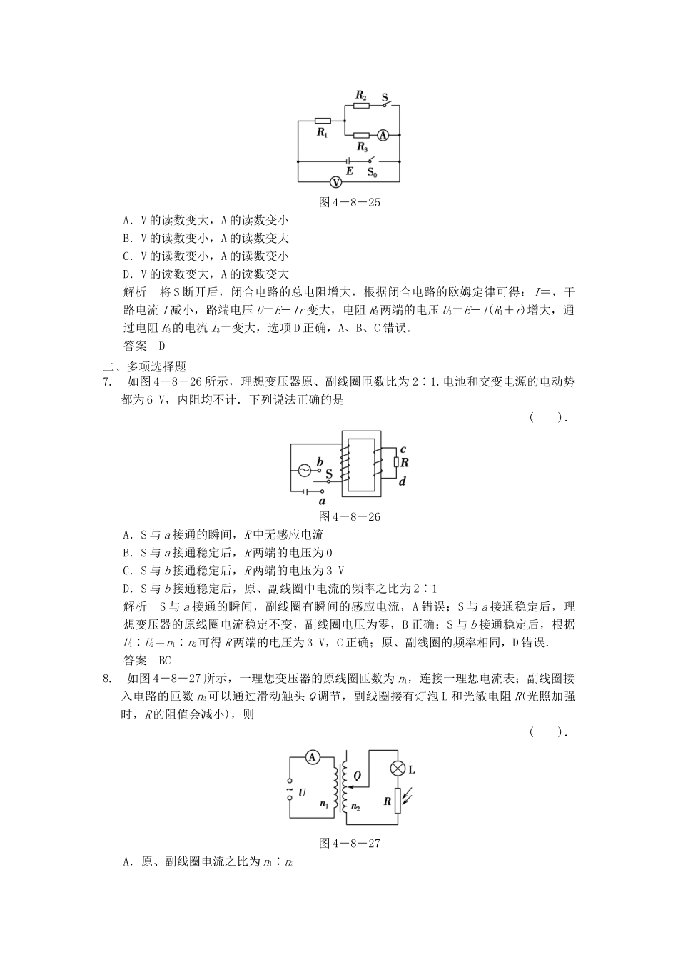
专题四电路与电磁感应第8讲直流与交流电路一、单项选择题1.如图4-8-21所示,电源电动势为E、内阻为r,合上开关S后各电灯都能发光.若某一时刻电灯L1的灯丝断了(此时其余各电灯均不会被烧毁),则下列判断正确的是().图4-8-21A.L2、L4变亮,L3变暗B.L2、L3变亮,L4变暗C.L3变亮,L2、L4变暗D.L3、L4变亮,L2变暗解析电灯L1的灯丝断了,整个电路的外电阻增大,路端电压增大,L4变亮,L3变暗,L2变亮,选项A正确.答案A2.为了减少输电线路中电能损失,发电厂发出的电通常是经过变电所升压后通过远距离输送,再经变电所将高压变为低压.某变电所将电压u0=11000sin100πt(V)的交流电降为220V供居民小区用电,则变电所变压器().A.原、副线圈匝数比为50∶1B.副线圈中电流的频率是100HzC.原线圈的导线比副线圈的要粗D.输入原线圈的电流等于居民小区各用电器电流的总和答案A3.(·海南单科,4)如图4-8-22,理想变压器原、副线圈匝数比为20∶1,两个标有“12V,6W”的小灯泡并联在副线圈的两端.当两灯泡都正常工作时,原线圈电路中电压表和电流表(可视为理想的)的示数分别是().图4-8-22A.120V,0.10AB.240V,0.025AC.120V,0.05AD.240V,0.05A解析副线圈电压U2=12V,由=得U1=240V,副线圈中电流I2=2·=1A,由=得I1=0.05A.答案D4.一理想变压器原、副线圈匝数比n1∶n2=11∶5,原线圈与正弦交变电源连接,输入电压u随时间t的变化规律如图4-8-23所示,副线圈仅接入一个10Ω的电阻,则().图4-8-23A.流过电阻的最大电流是20AB.与电阻并联的电压表的示数是141VC.变压器的输入功率是1×103WD.在交变电流变化的一个周期内,电阻产生的焦耳热是2×103J解析由图象知,输入电压的最大值为220V,周期为0.02s,由电压与匝数比的关系知,输出电压最大值为100V,流过电阻的电流最大值为10A,输出电压有效值为100V,电压表示数为100V,电流有效值为10A,输出功率为1000W,电阻在一个周期内产生的焦耳热为20J,故A、B、D错误,C正确.答案C5.在某交变电流电路中,有一个正在工作的理想变压器,如图4-8-24所示.它的原线圈匝数n1=600匝,交流电源的电动势e=311sin(100πt)V(不考虑其内阻),电压表和电流表对电路的影响可忽略不计,原线圈串联一个额定电流为0.2A的保险丝,副线圈匝数n2=120匝,为保证保险丝不被烧断,则().图4-8-24A.负载功率不能超过62WB.副线圈电流最大值不能超过1AC.副线圈电路中的电阻R不能小于44ΩD.副线圈电路中电压表的读数为62V解析由=得U2=44V,D错;由=得I2≤1A,所以负载功率最大为P2=U2I2≤44W,A错;副线圈中的电流最大值为Im=I2=A,故B错;由R=得R≥44Ω,C对.答案C6.如图4-8-25,E为内阻不能忽略的电池,R1、R2、R3为定值电阻,S0、S为开关,V与A分别为电压表和电流表.初始时S0与S均闭合,现将S断开,则().图4-8-25A.V的读数变大,A的读数变小B.V的读数变小,A的读数变大C.V的读数变小,A的读数变小D.V的读数变大,A的读数变大解析将S断开后,闭合电路的总电阻增大,根据闭合电路的欧姆定律可得:I=,干路电流I减小,路端电压U=E-Ir变大,电阻R3两端的电压U3=E-I(R1+r)增大,通过电阻R3的电流I3=变大,选项D正确,A、B、C错误.答案D二、多项选择题7.如图4-8-26所示,理想变压器原、副线圈匝数比为2∶1.电池和交变电源的电动势都为6V,内阻均不计.下列说法正确的是().图4-8-26A.S与a接通的瞬间,R中无感应电流B.S与a接通稳定后,R两端的电压为0C.S与b接通稳定后,R两端的电压为3VD.S与b接通稳定后,原、副线圈中电流的频率之比为2∶1解析S与a接通的瞬间,副线圈有瞬间的感应电流,A错误;S与a接通稳定后,理想变压器的原线圈电流稳定不变,副线圈电压为零,B正确;S与b接通稳定后,根据U1∶U2=n1∶n2可得R两端的电压为3V,C正确;原、副线圈的频率相同,D错误.答案BC8.如图4-8-27所示,一理想变压器的原线圈匝数为n1,连接一理想电流表;副线圈接入电路的匝数n2可以通过滑动触头Q调节,副线圈接有灯泡L和光敏电阻R(光照加强时,R的阻值会减小),则().图4-8-27A.原、副线圈电流之...

1、当您付费下载文档后,您只拥有了使用权限,并不意味着购买了版权,文档只能用于自身使用,不得用于其他商业用途(如 [转卖]进行直接盈利或[编辑后售卖]进行间接盈利)。
2、本站所有内容均由合作方或网友上传,本站不对文档的完整性、权威性及其观点立场正确性做任何保证或承诺!文档内容仅供研究参考,付费前请自行鉴别。
3、如文档内容存在违规,或者侵犯商业秘密、侵犯著作权等,请点击“违规举报”。

碎片内容

高考物理二轮复习 第8讲 直流与交流电路活页规范训练

确认删除?
VIP
微信客服
  • 扫码咨询
会员Q群
  • 会员专属群点击这里加入QQ群
客服邮箱
回到顶部