电脑桌面
添加小米粒文库到电脑桌面
安装后可以在桌面快捷访问

湖北省恩施巴东县第一高级中学高中数学 2.3.2 抛物线的几何性质(1)教案 新人教版选修1-1VIP免费

湖北省恩施巴东县第一高级中学高中数学 2.3.2 抛物线的几何性质(1)教案 新人教版选修1-1_第1页
1/6
湖北省恩施巴东县第一高级中学高中数学 2.3.2 抛物线的几何性质(1)教案 新人教版选修1-1_第2页
2/6
湖北省恩施巴东县第一高级中学高中数学 2.3.2 抛物线的几何性质(1)教案 新人教版选修1-1_第3页
3/6
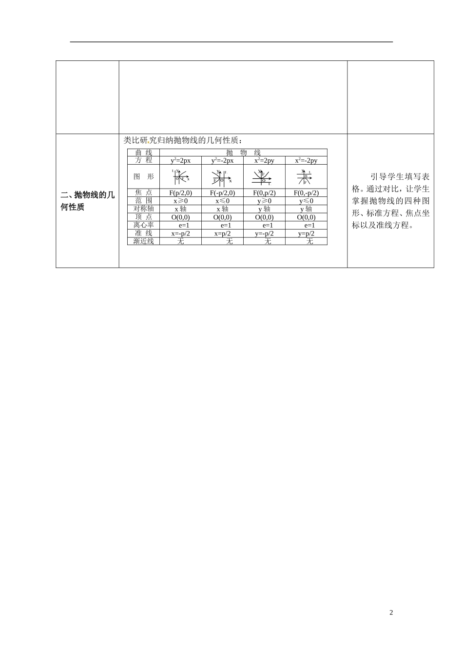
§2.3.2抛物线的几何性质(1)【学情分析】:由于学生具备了曲线与方程的部分知识,掌握了研究解析几何的基本方法,因而利用已有椭圆与双曲线的知识,引导学生独立发现、归纳知识,指导学生在实践和创新意识上下工夫,训练基本技能。【教学目标】:(1)知识与技能:熟练掌握抛物线的范围,对称性,顶点,准线,离心率等几何性质。(2)过程与方法:重视基础知识的教学、基本技能的训练和能力的培养;启发学生能够发现问题和提出问题,善于独立思考。(3)情感、态度与价值观:培养严谨务实,实事求是的个性品质和数学交流合作能力,以及勇于探索,勇于创新的求知意识,激发学生学习数学的兴趣与热情。【教学重点】:熟练掌握抛物线的范围,对称性,顶点,准线,离心率等几何性质。【教学难点】:熟练掌握抛物线的范围,对称性,顶点,准线,离心率等几何性质及其应用。【课前准备】:Powerpoint或投影片【教学过程设计】:教学环节教学活动设计意图一、复习引入1.已知抛物线的焦点坐标是F(0,-2),求它的标准方程.解:焦点在x轴负半轴上,=2,所以所求抛物线的标准方程是2.填空:动点M与定点F的距离和它到定直线的距离的比等于e,则当0<e<1时,动点M的轨迹是椭圆;当e=1时,动点M的轨迹是抛物线;当e>1时,动点M的轨迹是双曲线.3.复习椭圆、双曲线几何性质的主要内容:通过离心率的填空引出抛物线。引起学生的兴趣。1xyoABFxyoABFxyoABF曲线椭圆双曲线方程图形焦点F1(-c,0)F2(c,0)F1(-c,0)F2(c,0)范围|x|≤a,|y|≤b|x|≥a,y∈R对称性中心、轴对称中心、轴对称顶点A1,A2,B1,B2A1(-a,0),A2(a,0)离心率e∈(0,1)e∈(1,+∞)准线x=±a2/cx=±a2/c渐近线无y=±(b/a)xxyoF1F2L1L2xyoF1F2L1L2二、抛物线的几何性质类比研究归纳抛物线的几何性质:引导学生填写表格。通过对比,让学生掌握抛物线的四种图形、标准方程、焦点坐标以及准线方程。2曲线抛物线方程y2=2pxy2=-2pxx2=2pyx2=-2py图形xyoFLxyoFLyoFLyoFL焦点F(p/2,0)F(-p/2,0)F(0,p/2)F(0,-p/2)范围x≥0x≤0y≥0y≤0对称轴x轴x轴y轴y轴顶点O(0,0)O(0,0)O(0,0)O(0,0)离心率e=1e=1e=1e=1准线x=-p/2x=p/2y=-p/2y=p/2渐近线无无无无三、例题讲解例1已知抛物线的顶点在原点,对称轴为坐标轴,且过点A(4,2),求这条抛物线的准线方程。解:⑴若抛物线开口向右,设抛物线的标准方程为 ∴∴抛物线的标准方程为⑵若抛物线开口向上,设抛物线的标准方程为 ∴∴抛物线的标准方程为例2汽车前灯反射镜与轴截面的交线是抛物线的一部分,灯口所在的圆面与反射镜的轴垂直,灯泡位于抛物线焦点处。已知灯口的直径是24cm,灯深10cm,那么灯泡与反射镜的顶点距离是多少?让学生运用抛物线的几何性质,写出符合条件的抛物线的准线方程。三、例题讲解分析:依标准方程特点和几何性质建系,由待定系数法求解,强调方程的完备性。解:如图,在探照灯的轴截面所在平面内建立直角坐标系,使反光镜的顶点(即抛物线的顶点)与原点重合,轴垂直于灯口直径.抛物线的标准方程为,由已知条件可得点的坐标是(40,30)且在抛物线上,代入方程得:,运用抛物线的几何性质解决现实生活中的问题,提高学生学习数学的兴趣和综合解题能力。3所以所求抛物线的标准方程为,焦点坐标是.例3过抛物线的焦点F任作一条直线m,交这抛物线于A、B两点,求证:以AB为直径的圆和这抛物线的准线相切.分析:运用抛物线的定义和平面几何知识来证比较简捷.证明:如图.设AB的中点为E,过A、E、B分别向准线引垂线AD,EH,BC,垂足为D、H、C,则|AF|=|AD|,|BF|=|BC|∴|AB|=|AF|+|BF|=|AD|+|BC|=2|EH|所以EH是以AB为直径的圆E的半径,且EH⊥l,因而圆E和准线相切.四、巩固练习1.过抛物线的焦点作直线交抛物线于,两点,如果,那么=(B)(A)10(B)8(C)6(D)42.已知为抛物线上一动点,为抛物线的焦点,定点,则的最小值为(B)(A)3(B)4(C)5(D)63.过抛物线的焦点作直线交抛物线于、两点,若线段、的长分别是、,则=(C)(A)(B)(C)(D)4.过抛物线焦点的直线它交于、两点,则弦的中点的轨迹方程是5.定长为的线段的端点、在抛物...

1、当您付费下载文档后,您只拥有了使用权限,并不意味着购买了版权,文档只能用于自身使用,不得用于其他商业用途(如 [转卖]进行直接盈利或[编辑后售卖]进行间接盈利)。
2、本站所有内容均由合作方或网友上传,本站不对文档的完整性、权威性及其观点立场正确性做任何保证或承诺!文档内容仅供研究参考,付费前请自行鉴别。
3、如文档内容存在违规,或者侵犯商业秘密、侵犯著作权等,请点击“违规举报”。

碎片内容

湖北省恩施巴东县第一高级中学高中数学 2.3.2 抛物线的几何性质(1)教案 新人教版选修1-1

您可能关注的文档

星河书苑+ 关注
实名认证
内容提供者

从事历史教学,热爱教育,高度负责。

确认删除?
VIP
微信客服
  • 扫码咨询
会员Q群
  • 会员专属群点击这里加入QQ群
客服邮箱
回到顶部