电脑桌面
添加小米粒文库到电脑桌面
安装后可以在桌面快捷访问

互换性与技术测量试题及答案套VIP免费

互换性与技术测量试题及答案套_第1页
1/16
互换性与技术测量试题及答案套_第2页
2/16
互换性与技术测量试题及答案套_第3页
3/16
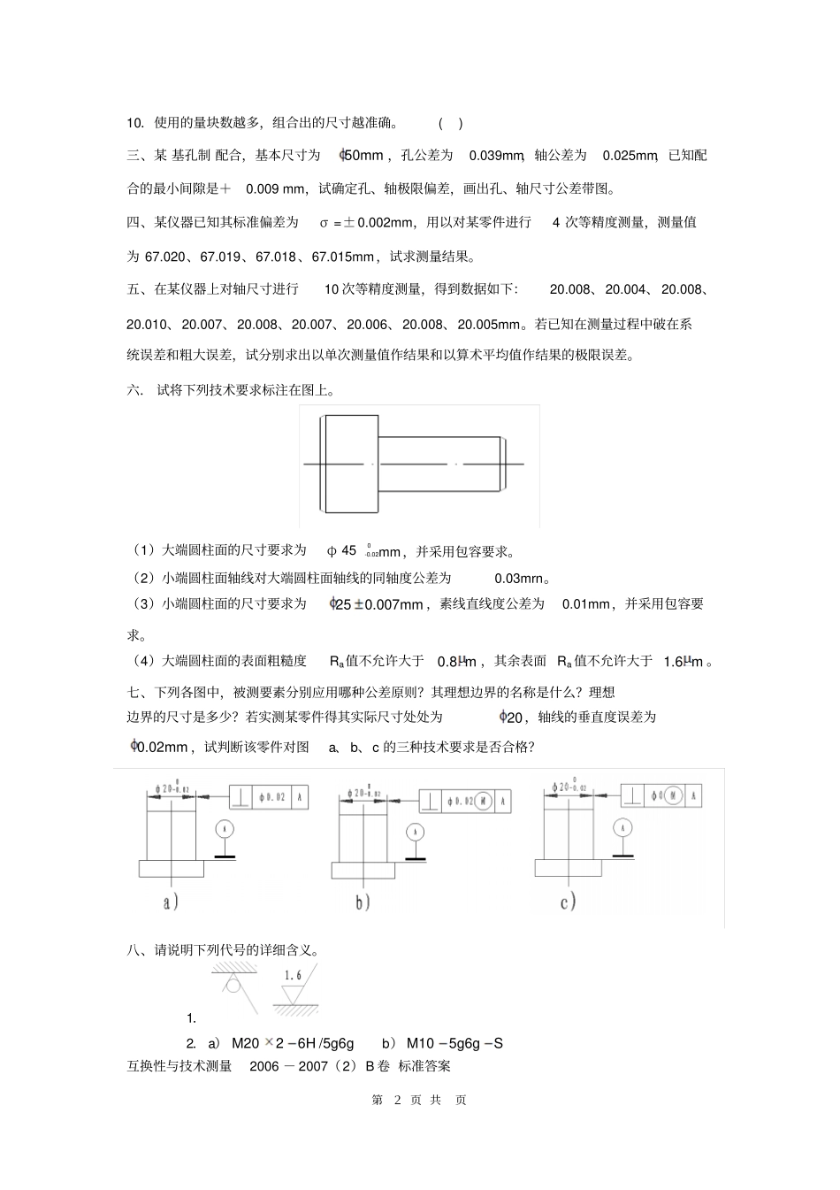
第1页共页互换性测量一、填空题1.轴的基本偏差代号为________~________时,与基准孔配合形成间隙配合。2.孔和轴的公差带由__________决定大小,由___________决定位置。3.已知某基准孔的公差为0.013,则它的下偏差为________mm,上偏差为________mm。4.在任意方向上,线的位置度公差带形状是________________________,在给定的一个方向上,线的位置度公差带形状是________________________。5.圆度和圆柱度公差等级有____级,其它注出形位公差项目的等级有____。6.孔的最大实体尺寸即孔的________?极限尺寸,轴的最大实体尺寸为轴的________极限尺寸。7.国标按螺纹公差等级和旋合长度规定了3种精度级,分别称为__________、__________和__________。8.根据国标规定,向心滚动轴承按其尺寸公差和旋转精度分为__________个公差等级,其中__________级精度最高,__________级精度最低。9.国标规定的表面粗糙度高度参数(名称和代号)有________________、________________、________________。10.根据泰勒原则,量规通规的工作面应是_________表面,止规的工作面应是________表面。11.圆柱度和径向全跳动公差带的________相同,________不同。二、判断题(若正确请在题后的括弧内打“√”)1.零件尺寸的公差等级越高,其基本偏差的绝对值就越小。()2.φ30M8/h7和φ30H8/m7的配合性质相同。()3.作用中径反映了实际螺纹的中径偏差、螺距偏差和牙型半角偏差的综合作用。()4.直线度公差带一定是距离为公差值t的两平行平面之间的区域。()5.当包容要求用于单一要素时,被测要素必须遵守最大实体实效边界。()6.根据国家标准,滚动轴承内圈内径公差带在零线下方,上偏等于0。()7.测量过程中产生随机误差的原因可以一一找出,而系统误差是测量过程中所不能避免的。()8、光滑极限量规通规的基本尺寸等于工件的最大极限尺寸。()9.零件的实际尺寸越接近其基本尺寸就越好。()第2页共页10.使用的量块数越多,组合出的尺寸越准确。()三、某基孔制配合,基本尺寸为50mm,孔公差为0.039mm,轴公差为0.025mm,已知配合的最小间隙是+0.009mm,试确定孔、轴极限偏差,画出孔、轴尺寸公差带图。四、某仪器已知其标准偏差为σ=±0.002mm,用以对某零件进行4次等精度测量,测量值为67.020、67.019、67.018、67.015mm,试求测量结果。五、在某仪器上对轴尺寸进行10次等精度测量,得到数据如下:20.008、20.004、20.008、20.010、20.007、20.008、20.007、20.006、20.008、20.005mm。若已知在测量过程中破在系统误差和粗大误差,试分别求出以单次测量值作结果和以算术平均值作结果的极限误差。六.试将下列技术要求标注在图上。(1)大端圆柱面的尺寸要求为φ450-0.02mm,并采用包容要求。(2)小端圆柱面轴线对大端圆柱面轴线的同轴度公差为0.03mrn。(3)小端圆柱面的尺寸要求为250.007mm,素线直线度公差为0.01mm,并采用包容要求。(4)大端圆柱面的表面粗糙度Ra值不允许大于0.8m,其余表面Ra值不允许大于1.6m。七、下列各图中,被测要素分别应用哪种公差原则?其理想边界的名称是什么?理想边界的尺寸是多少?若实测某零件得其实际尺寸处处为20,轴线的垂直度误差为0.02mm,试判断该零件对图a、b、c的三种技术要求是否合格?八、请说明下列代号的详细含义。1.2.a)M2026H/5g6gb)M105g6gS互换性与技术测量2006-2007(2)B卷标准答案第3页共页一、解:1.a、h2.标准公差基本偏差3.0、0.0134.圆柱面内的区域两相互平行平面间的区域5.13126.最小最大7.精密级中等级粗糙级8.5BG9.aR轮廓算术平均偏差zR微观不平度十点高度yR轮廓最大高度10.全形非全形(点状)11.形状方向及位置评分标准:每空1分,共25分。二、解:1.×2.√3.√4.×5.×6.√7.×8.×9.×10.×评分标准:每小题1.5分,共15分。三、解:(1)根据已知条件,孔的基本偏差EI=0,上偏差DESTEI0.039mm。(2)已知Xmin=EI-es=+0.009mm,es=EI-Xmin=0-0.009=-0.009mm,ei=es-Td=-0.009-0.025=-0.034mm。孔轴050mm+390-9-34评分标准:第1、2步各4分,公差带图2分;共10分。四、解:(1)测量结果67.02...

1、当您付费下载文档后,您只拥有了使用权限,并不意味着购买了版权,文档只能用于自身使用,不得用于其他商业用途(如 [转卖]进行直接盈利或[编辑后售卖]进行间接盈利)。
2、本站所有内容均由合作方或网友上传,本站不对文档的完整性、权威性及其观点立场正确性做任何保证或承诺!文档内容仅供研究参考,付费前请自行鉴别。
3、如文档内容存在违规,或者侵犯商业秘密、侵犯著作权等,请点击“违规举报”。

碎片内容

互换性与技术测量试题及答案套

确认删除?
VIP
微信客服
  • 扫码咨询
会员Q群
  • 会员专属群点击这里加入QQ群
客服邮箱
回到顶部