电脑桌面
添加小米粒文库到电脑桌面
安装后可以在桌面快捷访问

转向柱带中间轴总成试验标准VIP免费

转向柱带中间轴总成试验标准_第1页
1/21
转向柱带中间轴总成试验标准_第2页
2/21
转向柱带中间轴总成试验标准_第3页
3/21
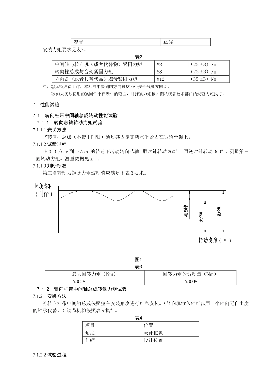
转向柱带中间轴总成试验规范1范围本标准规定了转向柱带中间轴总成试验要求。本标准适用于乘用车转向柱带中间轴总成。2规范性引用文件标准下列文件中的条款通过本标准的引用而成为本标准的条款。凡是注日期的引用文件,其随后所有的修改单(不包括勘误的内容),或修订版均不适用于本标准。然而,鼓励根据本标准达成协议的各方研究是否可使用这些文件的最新版本。凡是不注日期的引用文件,其最新版本适用于本标准。QC/T647-2000汽车转向万向节总成性能要求及试验方法QC/T649-2000汽车转向传动轴总成性能要求及试验方法Q/SQR.04.028-2007整车金属零部件涂层技术规范3试验目的本标准规定了供应商提供的机械可调转向柱带中间轴总成工装样件的性能、耐久性试验方法和判断标准。4试验职责设计工程师必须对试验规范是否满足整车的设计要求、试验项目、试验条件及试验规范确定的目标值负责,试验工程师必须对试验数据的正确性负责,供应商提供的工装样件在无特殊说明的条件下,必须符合此规范中所述的产品定义。5试验项目要求新开发产品,在OTS认可前,供应商必须完成GB11557中转向盘遭撞击时吸收能量的试验,并出具具有资质试验机构的试验报告。6试验环境要求无特殊说明时,试验环境为常温、常湿;测试期间的测量时间,不包括测试准备,检验或报告写作时间;试验参数的公差、安装要求如下:试验参数公差范围见表1。表1项目误差温度±5℃力/扭矩±5%角度±5%速度/圆周速度±10%线性偏差±5%Ⅰ湿度±5%安装力矩要求见表2。表2中间轴与转向机(或者代替物)紧固力矩M8()Nm转向柱总成与台架紧固力矩M8()Nm方向盘(或者其替代品)螺母紧固力矩M12()Nm注:①无特殊说明时,本标准中提到的方向盘均为带安全气囊方向盘。②如果实际使用的紧固件不在表中的范围,则拧紧力矩按照图纸或者技术部门的规范力矩执行。7性能试验7.1转向柱带中间轴总成转动性能试验7.1.1转向芯轴转动力矩试验7.1.1.1安装方法将转向柱总成(不带中间轴)通过其固定支架水平紧固在试验台架上。7.1.1.2试验过程在0.3r/sec到1r/sec的转速下转动转向芯轴,顺时针转动360°,再逆时针转动360°,测量第三圈转动力矩。测量数据见图1。7.1.1.3判断标准第三圈转动力矩及力矩波动值应满足下表3要求。图1表3最大回转力矩(Nm)回转力矩的波动量(Nm)≤0.25≤0.057.1.2转向柱带中间轴总成转动力矩试验7.1.2.1安装方法将转向柱带中间轴总成按照整车安装角度进行可靠安装。(转向机输入轴可以用一个轴向无自由度的轴承代替。)调节机构按照表5执行。表4项目位置角度设计位置伸缩设计位置7.1.2.2试验过程在0.3r/sec到1r/sec的转速下转动转向芯轴,顺时针转动360°,再逆时针转动360°,测量第三圈转动力矩。测量数据见图1所示。7.1.2.3判断标准第三圈转动力矩及波动量应满足表5的回转力矩要求。图2表5最大转动力矩(Nm)转动力矩的波动量(Nm)≤0.50≤0.27.1.3万向节最大工作角度试验7.1.3.1安装方法按图3所示,将万向节两端连接的轴用合适的工具支撑,使两万向节连接轴的轴线间夹角为工作角度α=45°。图37.1.3.2试验过程以0.5r/s速度连续转动其中一万向节叉输入轴。7.1.3.3判断标准两万向节连接轴轴线在指定的角度旋转时,两万向节叉不产生相互干涉、发卡等现象。7.1.4下枢轴转动力矩试验7.1.4.1安装方法按图4所示,将转向柱固定,下支架枢轴可以自由转动。图47.1.4.2试验过程以0.5r/s速度,正负30°范围内转动下支架,测量力矩值。7.1.4.3判断标准旋转时,下支架不产生发卡现象,力矩在1.5到5.9N.m范围内或更小。7.1.5中间轴节叉摆动力矩7.1.5.1安装方法将中间轴水平如图5固定,末端处于自由状态。7.1.5.2试验过程在末端施加一个力矩,向左和向右旋转45°,测量力矩值7.1.5.3判断标准力矩小于0.3N.m图57.2调节机构调节力试验7.2.1调节手柄放松和锁止的力7.2.1.1锁紧块形式的锁止力1\安装方法将转向柱带总成通过其固定支架水平紧固在试验台架上,如图62\实验过程在锁紧调节手柄的同时测量手柄的操作力,直到接触限位器或者手柄到达手柄的图纸定义位置。3\判断标准调节过程中的最大调节力要小于80N图6螺纹锁紧模式的松开力1\安装方法...

1、当您付费下载文档后,您只拥有了使用权限,并不意味着购买了版权,文档只能用于自身使用,不得用于其他商业用途(如 [转卖]进行直接盈利或[编辑后售卖]进行间接盈利)。
2、本站所有内容均由合作方或网友上传,本站不对文档的完整性、权威性及其观点立场正确性做任何保证或承诺!文档内容仅供研究参考,付费前请自行鉴别。
3、如文档内容存在违规,或者侵犯商业秘密、侵犯著作权等,请点击“违规举报”。

碎片内容

转向柱带中间轴总成试验标准

您可能关注的文档

确认删除?
VIP
微信客服
  • 扫码咨询
会员Q群
  • 会员专属群点击这里加入QQ群
客服邮箱
回到顶部