电脑桌面
添加小米粒文库到电脑桌面
安装后可以在桌面快捷访问

高压加热器制造生产过程VIP免费

高压加热器制造生产过程_第1页
1/7
高压加热器制造生产过程_第2页
2/7
高压加热器制造生产过程_第3页
3/7
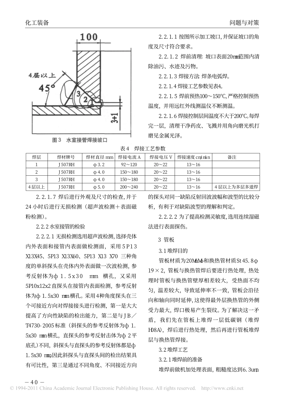
-38-化工装备1高压加热器的分类1.1按压力分类:按照不同的管侧(给水侧)压力,加热器分为高压加热器以及中压高加热器。在电厂,凡属给水泵出口以后的加热器都称为高压加热器。但对于制造厂而言,管侧设计压力大于等于10MPa的高压加热器归属高压容器类,按容器分类属三类容器,在制造过程中对于其材料、加工、焊接、检验甚至运行、检修要求都较严格。而对于管侧设计压力不大于10MPa的高压加热器归属为中压容器类,按容器分类为二类容器,在制造等过程中对其的要求比三类容器低得多。这类中压机组的高压加热器在实际归属为中压加热器。1.2按结构分类:目前高压加热器可按水室配水和传热管的不同形式以及两者的结合进行结构分类。按水室配水形式分为板式和集箱式两种。1.3本文以一种正置立式U形管式高压加热器(具有人孔)为例探讨高压加热器主要的部件制造及检验过程(图1所示)。2水室水室的材质主要为20MnMo,20MnMo钢是一种低合金钢,是压力容器常用的锻件,钢的热加工和焊接工艺性能良好,无回火脆性倾向,经调质处理抗拉强度Rm可达到600MPa以上。钢有白点敏感性并略有过热倾向,材质的化学成分见表1,力学性能见表2。2.1水室环焊缝的焊接与检验2.1.1水室环焊缝的焊接2.1.1.1焊前清理:坡口表面20mm范围内清高压加热器制造生产过程王凤英卫先勇韩家发(济南市压力容器厂,济南250022)陈蓉(济南市锅炉压力容器检验研究所,济南250002)摘要:本文以一种正置立式U形管式高压加热气为例探讨高压加热器主要部件的制造及检验,并着重对水室各部件、管板及管束的制造与检验进行了详细的介绍。关键词:水室焊接与检验管板制造U形管弯制质量检查图1U管式高压加热器图2水室环焊缝坡口问题与对策-39-化工装备公称热处理回火温拉伸试验冲击试验硬度试验厚度mm状态度℃≥Rm/MPaσs/MPaδ5/%试验温度℃Akv/JHB≥≥≤300530~70037018156~208>300~500淬火+回火600510~68035018034136~201>500~700490~66033018130~196表220MnMo锻件力学性能表3焊接工艺参数焊层焊材牌号焊材直径mm焊接电流A焊接电压V焊接速度cm/min备注1J507RHφ4.0150-18020-2213~162J507RHφ5.0200-24020-2213~163J507RHφ5.0200-24020-2213~164H10Mn2+HJ431φ4.0750-80036-3830~325层以上H10Mn2+HJ431φ4.0750-80036-380~325层以上为多层多道焊除油污、水迹及污物(见图2)。2.1.1.2焊接方法:埋弧自动焊+焊条电弧焊。2.1.1.3焊接工艺参数见表3。2.1.1.4焊前预热100~150℃,严格控制预热温度,并用远红外线测温仪不断测温。2.1.1.5焊接控制层间温度不大于200℃,每焊完一层,清理干净药皮、飞溅并用角向磨光机打磨见金属光泽。2.1.1.6焊接完毕4层24小时后做一次超声波检测,如发现超标缺陷需进行返修,如果没有发现焊接缺陷则重新预热到100~150℃进行焊接,这样做的目的是及时发现焊接缺陷,从而减少焊接返修量。2.1.1.7焊后进行外观及尺寸的检查,并于24小时后进行无损检测。2.1.1.8根据技术要求,环焊缝100%射线+20%的超声波复检,按JB/T4730-2005II级合格。2.1.2水室环焊缝的检验2.1.2.1板厚为100mm常规的射线机无法进行,只能选用γ源透照。2.1.2.2根据厚壁焊接特性,焊后容易产生裂纹缺陷,由于γ射线对裂纹的检出率低,因此附加超声波复检,但是超声波检出率与人的因素及探伤工艺的选择及探头的选择对探伤结果有较大的影响。在常规检测中,通常采用单探头检测,但单探头对产生或存在垂直于焊缝表面的横向裂纹是不易检出的,因为这些缺陷的反射面与入射波声束轴线的倾角太大,极易造成漏检。针对此特殊原因,采用串列法就可检出横向缺陷。2.1.3焊后进行620~640℃消应热处理,热处理时应严格按照热处理工艺卡执行,注意控制加热速度、保温时间及炉内温差。2.2水室接管的焊接及检验2.2.1水室接管的焊接根据图样及标准的有关要求,对于水室两测接管的坡口及焊接检验要求如下(见图3)。PSNiCuCSiMnMoCrVNb≤0.17~0.230.17~0.371.10~1.400.20~0.35≤0.30--0.0250.0150.300.25注:对真空碳脱氧钢,允许Si含量小于或等于0.12%表120MnMo钢化学成分%问题与对策-40-化工装备图3水室接管焊接坡口2.2.1.1按...

1、当您付费下载文档后,您只拥有了使用权限,并不意味着购买了版权,文档只能用于自身使用,不得用于其他商业用途(如 [转卖]进行直接盈利或[编辑后售卖]进行间接盈利)。
2、本站所有内容均由合作方或网友上传,本站不对文档的完整性、权威性及其观点立场正确性做任何保证或承诺!文档内容仅供研究参考,付费前请自行鉴别。
3、如文档内容存在违规,或者侵犯商业秘密、侵犯著作权等,请点击“违规举报”。

碎片内容

高压加热器制造生产过程

您可能关注的文档

确认删除?
VIP
微信客服
  • 扫码咨询
会员Q群
  • 会员专属群点击这里加入QQ群
客服邮箱
回到顶部