电脑桌面
添加小米粒文库到电脑桌面
安装后可以在桌面快捷访问

京津鲁琼专用2020版高考物理复习试验题热点巧练热点15电学常规试验含解析VIP免费

京津鲁琼专用2020版高考物理复习试验题热点巧练热点15电学常规试验含解析_第1页
1/6
京津鲁琼专用2020版高考物理复习试验题热点巧练热点15电学常规试验含解析_第2页
2/6
京津鲁琼专用2020版高考物理复习试验题热点巧练热点15电学常规试验含解析_第3页
3/6
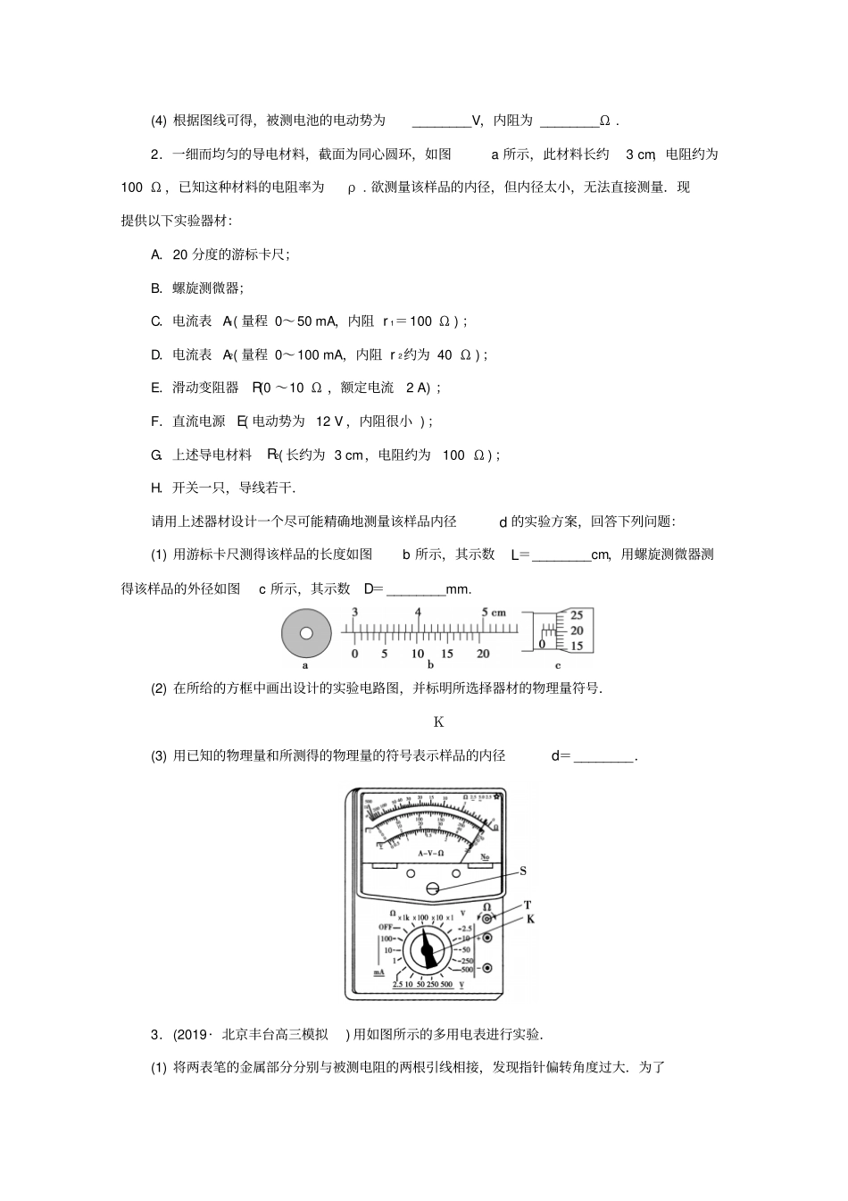
热点15电学常规实验(建议用时:20分钟)1.(2019·烟台高三二模)小明刚从超市购买了一节干电池,于是他想测定该干电池的电动势和内阻,小明做实验中,备有下列器材:A.干电池(电动势约为1.5V,内阻小于0.5Ω)B.电流表G(满偏电流1.5mA,内阻为10Ω)C.电流表A(0~0.6A,内阻约为0.1Ω)D.滑动变阻器R1(0~20Ω,10A)E.滑动变阻器R2(0~100Ω,1A)F.定值电阻R3=0.5ΩG.定值电阻R4=990ΩH.开关、导线若干(1)为方便且能较准确地进行测量,应选用滑动变阻器________(填写序号);(2)小明按照自己设计的实验方案,画图处理数据,由于新电池内阻很小,发现图象斜率较小,给数据的处理带来了很大的障碍.请利用本题提供的器材帮助小明改进实验方案,要求测量误差尽可能地小,在下面所给方框内画出改进后的电路图;(3)某同学根据他设计的实验测出了六组I1(电流表G的示数)和I2(电流表A的示数),请在所给坐标纸上使用适当的数据,作出I1和I2的关系图线;序号123456I1/mA1.401.361.351.281.201.07I2/A0.100.150.230.250.350.50(4)根据图线可得,被测电池的电动势为________V,内阻为________Ω.2.一细而均匀的导电材料,截面为同心圆环,如图a所示,此材料长约3cm,电阻约为100Ω,已知这种材料的电阻率为ρ.欲测量该样品的内径,但内径太小,无法直接测量.现提供以下实验器材:A.20分度的游标卡尺;B.螺旋测微器;C.电流表A1(量程0~50mA,内阻r1=100Ω);D.电流表A2(量程0~100mA,内阻r2约为40Ω);E.滑动变阻器R(0~10Ω,额定电流2A);F.直流电源E(电动势为12V,内阻很小);G.上述导电材料R2(长约为3cm,电阻约为100Ω);H.开关一只,导线若干.请用上述器材设计一个尽可能精确地测量该样品内径d的实验方案,回答下列问题:(1)用游标卡尺测得该样品的长度如图b所示,其示数L=________cm,用螺旋测微器测得该样品的外径如图c所示,其示数D=________mm.(2)在所给的方框中画出设计的实验电路图,并标明所选择器材的物理量符号.K(3)用已知的物理量和所测得的物理量的符号表示样品的内径d=________.3.(2019·北京丰台高三模拟)用如图所示的多用电表进行实验.(1)将两表笔的金属部分分别与被测电阻的两根引线相接,发现指针偏转角度过大.为了得到比较准确的测量结果,请从下列选项中挑出合理的步骤,并按________(填选项前的字母)的顺序进行操作,再将两表笔分别与待测电阻相接,进行测量.A.将K旋转到电阻挡“×1k”的位置B.将K旋转到电阻挡“×10”的位置C.将两表笔短接,旋动部件T,对电表进行校准(2)测量二极管的正向导通电阻时,红表笔应接二极管的________(填“正极”或“负极”).4.(2019·山师大附中二模)某物理兴趣小组的同学要测定某电阻Rx的阻值,通过讨论,决定采用下列方法来测定.(1)方法一:用多用电表测量首先,选用欧姆表“×1”挡进行粗测,正确操作后,表盘指针如图1所示,则该电阻的测量值为Rx=________Ω.(2)方法二:用伏安法测量所用的部分器材:电压表V(0~3V,内阻约3kΩ);电流表A(0~0.6A,内阻约2Ω).分析下列问题.①他们设置了如图2、图3所示的两种电路图,为减小实验误差应选用__________(填“图2”或“图3”)作为测量电路;②请根据他们所选的电路将图4所示的实物图连接好;③他们选择了正确的电路后,通过测量,根据得到的实验数据作出了如图5所示的U-I图象,根据图象,可得Rx=______Ω.(3)方法三:等效替代法某同学设计了如图6所示的测量电路,实验步骤如下所示:A.按图6连接好实验电路.B.保持开关S2断开,将开关S1闭合,然后调节电阻箱R和滑动变阻器R′.待电路稳定后电阻箱读数R1如图7所示,记下此时电压表的示数.C.闭合开关S2,保持滑动变阻器的滑片位置不变,然后调节电阻箱的电阻,使电压表的读数与步骤B中的示数相同,此时电阻箱的读数R2=26Ω.①在步骤B中电阻箱的读数为R1=________Ω;②由以上实验测得电阻Rx的阻值为Rx=________Ω.热点15电学常规实验1.解析:(1)为方便实验操作,滑动变阻器的阻值不能太大,选择D比较合适.(2)由于没有电压表,给定的电流表G可与定值电阻R4串联作电压表使用;图象的斜率的...

1、当您付费下载文档后,您只拥有了使用权限,并不意味着购买了版权,文档只能用于自身使用,不得用于其他商业用途(如 [转卖]进行直接盈利或[编辑后售卖]进行间接盈利)。
2、本站所有内容均由合作方或网友上传,本站不对文档的完整性、权威性及其观点立场正确性做任何保证或承诺!文档内容仅供研究参考,付费前请自行鉴别。
3、如文档内容存在违规,或者侵犯商业秘密、侵犯著作权等,请点击“违规举报”。

碎片内容

京津鲁琼专用2020版高考物理复习试验题热点巧练热点15电学常规试验含解析

文库响当当+ 关注
实名认证
内容提供者

该用户很懒,什么也没介绍

确认删除?
VIP
微信客服
  • 扫码咨询
会员Q群
  • 会员专属群点击这里加入QQ群
客服邮箱
回到顶部