电脑桌面
添加小米粒文库到电脑桌面
安装后可以在桌面快捷访问

天然气输送企业计量器具配备规范VIP免费

天然气输送企业计量器具配备规范_第1页
1/12
天然气输送企业计量器具配备规范_第2页
2/12
天然气输送企业计量器具配备规范_第3页
3/12
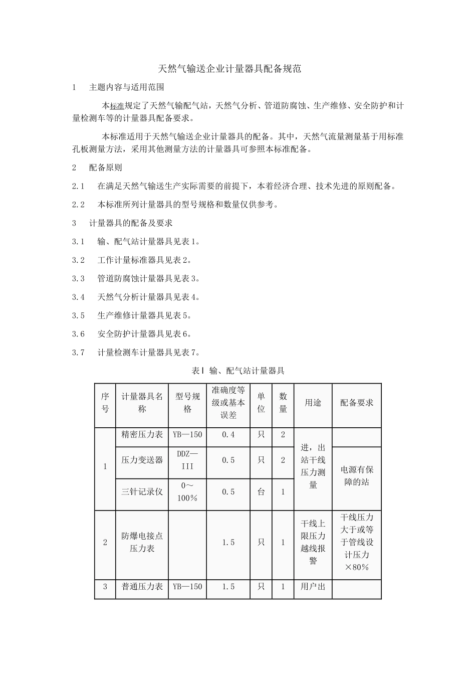
天然气输送企业计量器具配备规范1主题内容与适用范围本标准规定了天然气输配气站,天然气分析、管道防腐蚀、生产维修、安全防护和计量检测车等的计量器具配备要求。本标准适用于天然气输送企业计量器具的配备。其中,天然气流量测量基于用标准孔板测量方法,采用其他测量方法的计量器具可参照本标准配备。2配备原则2.1在满足天然气输送生产实际需要的前提下,本着经济合理、技术先进的原则配备。2.2本标准所列计量器具的型号规格和数量仅供参考。3计量器具的配备及要求3.1输、配气站计量器具见表1。3.2工作计量标准器具见表2。3.3管道防腐蚀计量器具见表3。3.4天然气分析计量器具见表4。3.5生产维修计量器具见表5。3.6安全防护计量器具见表6。3.7计量检测车计量器具见表7。表l输、配气站计量器具序号计量器具名称型号规格准确度等级或基本误差单位数量用途配备要求1精密压力表YB—1500.4只2进,出站干线压力测量压力变送器DDZ—III0.5只2电源有保障的站三针记录仪0~100%0.5台12防爆电接点压力表1.5只1干线上限压力越线报警干线压力大于或等于管线设计压力×80%3普通压力表YB—1501.5只1用户出站压力测量压力变送器DDZ—III0.5只1电源有保障的站三针记录仪0.5台14防爆电接点压力表1.5只1用户出站压力报警出站压力大于或等于管线设计压力×80%续表1序号计量器具名称型号规格准确度等级或基本误差单位数量用途配备要求5水银温度计0~50℃±0.5℃只1温度变送器0.5只l温度测量与记录三针记录仪0~1OO%0.5台l电源有保障的站6一般结构标准节流装置50~80mmβ<0.6时,±0.6%;β>0.6时,±β/100套1管内流体节流,产生与流量相关的差压信号DN<80mm的用户简易孔板阀PKF—F套lDn<100mm的用户高级孔板阀GKF—F套lDN>150mm的用户7双波纹管差压计CW—4301台l差压,静压测量,记录差压变送器DDZ—III0.5只l电源有保障的站压力变送器DDZ—III0,5只l三针记录仪0~100100.5台l8圆图方根求积仪0~100100.5台l静压、差压记录曲线处理与双波纹管差压计配用长图方根求积仪0~100u/o0.5台l与三针记录仪配用程序计算器个l气量计算10天然气色谱分析仪SC—4K或SC—IO01±1%台l天然气组分分析外销气量50×l04m3/d以上或10×l04m3/d以上且气质变化较大的站11总硫测定仪LC—2±5%台l总硫含量测量进气交接首站配备12水分分析仪台1含水量测定进气交接站配备13游标卡尺0~300mm±0.02mm只1孔板常规检测14钢板尺0~500mm±1mm个1垫子制作等15钢卷尺0~2m±1mm个1计量管尺寸测量16万用表500型0.5只l量管线保护电位等测有电化学防腐保护的站才配17(自力式)压力调节器±5%台按需压力调节管线压力波动较大者18燃气检漏仪台1管线,设备验收表2工作计量标准器具序号计量器具名称型号规格准确度等级或基本误差单位数量用途配备要求1二等标准活塞式压力计0.04~0.6MPa0.1~6MPa二等(±0.05%)套1用于0.4,0.25级精密压力表的检定2浮球式压力计0.005~0.25MPa±0,05%台1用于校验0.1级、0.2级微压计3弹簧管式精密压YB0—1500.25套2用于1级准能覆盖全部工力表0~4,0~1.6,0~2.5,0~4,0~6MPa确度压力计检定作表量程,1套为备用4弹簧管式精密压力表YB-J500~4,0~1.6,0~2.5,0~4,0~6MPa0.4套2检定普通压力表能覆盖全部工作表量程,1套为备用5数字精密压力计YBS-30~25,25~60kPa0.1台l检定差压计检定环境电源有保证的用交流型,否则用交直流两用型台式精密压力表0—60kPa0.25台1单管水银压力计0~250mm0~400mm0.2台16二等水银温度标准器0~250C0~100C二等0.2℃套l检定温度计或电阻恒温水浴503型室温~95℃±0.1台l另配冰点校验仪温度控制台503型±0.001℃台1辅助设备7数字万用表V:0.02I:0.1只1校验普通万用表8放大镜4倍,12倍个各1外观内径千分尺0~150mm0~300mm±O.O1mm只按需d(内径)游标卡尺0~150mm0~3OOmm±0.02mm只按需E(厚度)圆度仪DQR-1台标准节流孔板的尺寸、C面、C-K面圆度形状检验双斜面样板直尺0—300mmO级个1A丽平面度工作平板400×00mmO级个1百分表O~0mm±O.O1mm只1B面对A面平行度续表2序号计量器具名称型号规格准确度等级或基本误差单位数量用途配备要求8表面粗糙度检查测量仪2201型±1...

1、当您付费下载文档后,您只拥有了使用权限,并不意味着购买了版权,文档只能用于自身使用,不得用于其他商业用途(如 [转卖]进行直接盈利或[编辑后售卖]进行间接盈利)。
2、本站所有内容均由合作方或网友上传,本站不对文档的完整性、权威性及其观点立场正确性做任何保证或承诺!文档内容仅供研究参考,付费前请自行鉴别。
3、如文档内容存在违规,或者侵犯商业秘密、侵犯著作权等,请点击“违规举报”。

碎片内容

天然气输送企业计量器具配备规范

您可能关注的文档

确认删除?
VIP
微信客服
  • 扫码咨询
会员Q群
  • 会员专属群点击这里加入QQ群
客服邮箱
回到顶部