电脑桌面
添加小米粒文库到电脑桌面
安装后可以在桌面快捷访问

贴片热敏电阻VIP免费

贴片热敏电阻_第1页
1/19
贴片热敏电阻_第2页
2/19
贴片热敏电阻_第3页
3/19
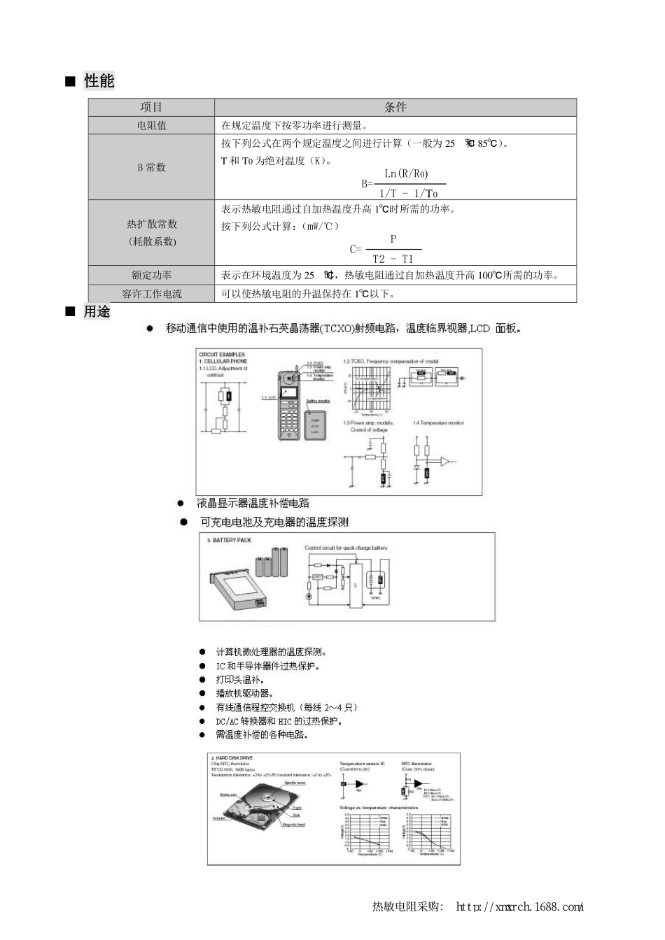
贴片NTC热敏电阻器详细介绍资料热敏电阻采购:http://xmxrch.1688.com/印刷型片式负温度系数热敏电阻器0402/0603/0805/1206尺寸的印刷型片式NTC热敏电阻具有卓越的可焊性,其内部独特的结构可提供高度的环境稳定性,具有更快的相应时间,卓越的自恢复性能■产品特点●体积小、重量轻。●适应再流焊与波峰焊。●玻璃封装,较强的耐酸碱性能。●装配成本低,并与自动装贴设备匹配。●机械强度高。●符合ROHS标准。●响应时间快。●自恢复性能好。●卓越长期老化稳定性。●高精度的电阻及B常数。■基本特性1.热敏电阻的零功率电阻值:RR=R0expB(1/T-1/T0)………(1)R:周围温度T(K)时的电阻值(K:绝对温度)R0:周围温度T0(K)时的电阻值B:热敏电阻的B常数2.B常数如(1)公式:B=ln(R/R0)/(1/T-1/T0)……(2)3.热扩散常数(耗散系数δ)当在周围温度T1下电功率为P(mW)且热敏电阻温度升高T2,则有如下公式:P=C(T2-T1)……………………(3)C:热扩散常数(mW/℃)热扩散常数随尺寸、测量条件等变化。4.热时间常数在周围温度T0(℃)变到T1(℃)时热敏电阻的温度变化63.2%所需的时间。热敏电阻采购:http://xmxrch.1688.com/■性能项目条件电阻值在规定温度下按零功率进行测量。B常数按下列公式在两个规定温度之间进行计算(一般为25℃和85℃)。T和T0为绝对温度(K)。Ln(R/R0)B=1/T-1/T0热扩散常数(耗散系数)表示热敏电阻通过自加热温度升高1℃时所需的功率。按下列公式计算:(mW/℃)PC=T2-T1额定功率表示在环境温度为25℃时,热敏电阻通过自加热温度升高100℃所需的功率。容许工作电流可以使热敏电阻的升温保持在1℃以下。■用途热敏电阻采购:http://xmxrch.1688.com/■用法■产品命名表示方法XRN03103J350HT产品代号印刷型片式负温度系数热敏电阻器代号型号020402030603050805061206电阻值代号三位数(E-24系列):前两位表示有效数字,第三位表示有效数字后零的个数例如:103=10KΩ(E-24)电阻值误差精度代号代号误差精度F±1%G±2%H±3%J±5%K±10%B值只显示前三位数字值,且不包括第四位数字例如:350=3500KB值误差精度代号代号误差精度F±1%G±2%H±3%J±5%代号包装方法T编带包装B塑料盒包装C塑料袋散装热敏电阻采购:http://xmxrch.1688.com/■结构及规格尺寸(mm)型号TypeLWt0402(1005)1.00±0.100.50±0.100.30±0.100603(1608)1.60±0.150.80±0.150.40±0.100805(2012)2.00±0.201.25±0.150.50±0.101206(3216)3.20±0.201.60±0.150.55±0.10■产品外观基本要求1.电阻器表面二次玻璃体保护膜覆盖完好且难以脱落,表面平整。2.电阻器引出端电极覆盖均匀、镀层较难脱落,且平整、无裂痕、针孔、变色。3电阻器芯片无裂痕。■ROHS对应情况●产品不含有RoHS禁止的六种物质(包括铅、镉、汞、六价铬、PBB、PBDE)■参考标准GB/T5729-2003GB/T9546-1995JISC5223-1995JISC5201-1998JISC5202-1990SS-00259the4rdedition详见SGS报告编号NO.名称Components1陶瓷基片Substrate2面电极FaceElectrode3背电极ReverseElectrode4半导体层semiconductor5保护玻璃体ProtectionCoating6端电极Termination7中间电极BetweenTermination8外部电极OuterTermination热敏电阻采购:http://xmxrch.1688.com/■机械性能项目Item标准Specification试验方法(JISC5202)TestMethods(JISC5202)端头强度TerminalStrenrth各规格元件应能承受下表作用力,端电极无脱落,芯片外观无机械损伤。Theterminalelectrodeshallnotbebrokenoffnorthechipelement。04020603080512065N8N10N15N抗弯强度Flexturestrength各规格元件应能承受PCB板3mm弯曲量,且试验后,外观无机械损伤;R25阻值变化率在±3%以内PreethePCBboardatarateofabout3mmuntilthedeflectionbecomes1mmandthenthepressureshallbemaintainedfor5sec。NoMechanicaldamage;Zero-powerresistanceat25deg(℃)Changewithin±3%振动Vibration没机械损伤;R25阻值变化率在±3%以内;B值(B25/50)变化不超过±2%。NoMechanicaldamage;R25Changewithin±2%;B-CONSTANT(B25/50)changewithin±2%。频率:10-55-10Hz;振幅:1.52mm;XY和Z方向的时间:每方向...

1、当您付费下载文档后,您只拥有了使用权限,并不意味着购买了版权,文档只能用于自身使用,不得用于其他商业用途(如 [转卖]进行直接盈利或[编辑后售卖]进行间接盈利)。
2、本站所有内容均由合作方或网友上传,本站不对文档的完整性、权威性及其观点立场正确性做任何保证或承诺!文档内容仅供研究参考,付费前请自行鉴别。
3、如文档内容存在违规,或者侵犯商业秘密、侵犯著作权等,请点击“违规举报”。

碎片内容

贴片热敏电阻

您可能关注的文档

确认删除?
VIP
微信客服
  • 扫码咨询
会员Q群
  • 会员专属群点击这里加入QQ群
客服邮箱
回到顶部