电脑桌面
添加小米粒文库到电脑桌面
安装后可以在桌面快捷访问

人工挖孔桩施工记录VIP免费

人工挖孔桩施工记录_第1页
1/34
人工挖孔桩施工记录_第2页
2/34
人工挖孔桩施工记录_第3页
3/34
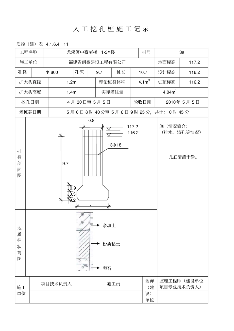
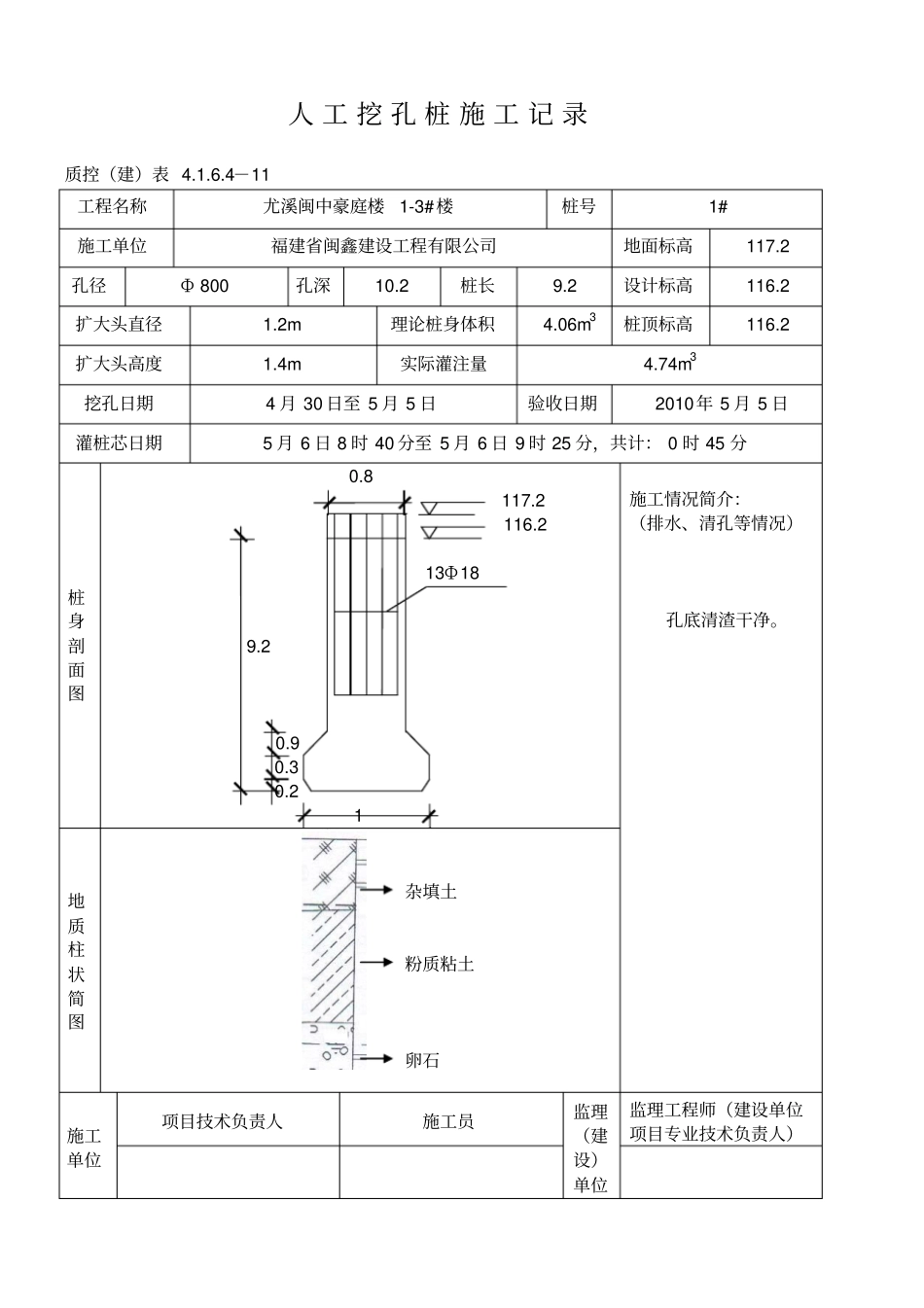
人工挖孔桩施工记录质控(建)表4.1.6.4-11工程名称尤溪闽中豪庭楼1-3#楼桩号1#施工单位福建省闽鑫建设工程有限公司地面标高117.2孔径Ф800孔深10.2桩长9.2设计标高116.2扩大头直径1.2m理论桩身体积4.06m3桩顶标高116.2扩大头高度1.4m实际灌注量4.74m3挖孔日期4月30日至5月5日验收日期2010年5月5日灌桩芯日期5月6日8时40分至5月6日9时25分,共计:0时45分桩身剖面图0.8117.2116.213Ф189.20.90.30.21施工情况简介:(排水、清孔等情况)孔底清渣干净。地质柱状简图杂填土粉质粘土卵石施工单位项目技术负责人施工员监理(建设)单位监理工程师(建设单位项目专业技术负责人)人工挖孔桩施工记录质控(建)表4.1.6.4-11工程名称尤溪闽中豪庭楼1-3#楼桩号2#施工单位福建省闽鑫建设工程有限公司地面标高117.2孔径Ф800孔深10.8桩长9.8设计标高116.2扩大头直径1.2m理论桩身体积4.2m3桩顶标高116.2扩大头高度1.4m实际灌注量4.9m3挖孔日期4月30日至5月5日验收日期2010年5月5日灌桩芯日期5月6日9时20分至5月6日10时20分,共计:1时0分桩身剖面图0.8117.2116.213Ф189.80.90.30.21施工情况简介:(排水、清孔等情况)孔底清渣干净。地质柱状简图杂填土粉质粘土卵石施工单位项目技术负责人施工员监理(建设)单位监理工程师(建设单位项目专业技术负责人)人工挖孔桩施工记录质控(建)表4.1.6.4-11工程名称尤溪闽中豪庭楼1-3#楼桩号3#施工单位福建省闽鑫建设工程有限公司地面标高117.2孔径Ф800孔深9.7桩长10.7设计标高116.2扩大头直径1.2m理论桩身体积4.1m3桩顶标高116.2扩大头高度1.4m实际灌注量4.04m3挖孔日期4月30日至5月5日验收日期2010年5月5日灌桩芯日期5月6日8时40分至5月6日9时25分,共计:0时45分桩身剖面图0.8117.2116.213Ф189.70.90.30.21施工情况简介:(排水、清孔等情况)孔底清渣干净。地质柱状简图杂填土粉质粘土卵石施工单位项目技术负责人施工员监理(建设)单位监理工程师(建设单位项目专业技术负责人)人工挖孔桩施工记录质控(建)表4.1.6.4-11工程名称尤溪闽中豪庭楼1-3#楼桩号4#施工单位福建省闽鑫建设工程有限公司地面标高117.2孔径Ф800孔深10.3桩长9.3设计标高116.2扩大头直径1.2m理论桩身体积4.1m3桩顶标高116.2扩大头高度1.4m实际灌注量4.5m3挖孔日期4月30日至5月5日验收日期2010年5月5日灌桩芯日期5月6日9时40分至5月6日10时40分,共计:1时0分桩身剖面图0.8117.2116.213Ф189.30.90.30.21施工情况简介:(排水、清孔等情况)孔底清渣干净。地质柱状简图杂填土粉质粘土卵石施工单位项目技术负责人施工员监理(建设)单位监理工程师(建设单位项目专业技术负责人)人工挖孔桩施工记录质控(建)表4.1.6.4-11共30页第2页工程名称福清市公务员公寓楼桩号2#(A-2、ZH4)施工单位福建省高华建设工程有限公司地面标高-2.6m孔径Ф800孔深11.7m桩长8.9m设计标高-4.2m扩大头直径1m理论桩身体积4.62m3桩顶标高-4.2m扩大头高度0.9m实际灌注量5.31m3挖孔日期1月30日至2月9日验收日期2006年2月11日灌桩芯日期2月11日10时00分至2月11日10时45分,共计:0时45分桩身剖面图0.8-2.4-4.210Ф168.90.90.30.21施工情况简介:(排水、清孔等情况)排水采用DN75污水泵,孔底清渣干净。地质柱状简图杂填土坡积粘性土强风化中~微风化施工单位项目技术负责人施工员监理(建设)单位监理工程师(建设单位项目专业技术负责人)人工挖孔桩施工记录质控(建)表4.1.6.4-11共30页第3页工程名称福清市公务员公寓楼桩号3#(H-3、ZH4)施工单位福建省高华建设工程有限公司地面标高-2.6m孔径Ф800孔深12.2m桩长9.4m设计标高-4.2m扩大头直径1m理论桩身体积4.86m3桩顶标高-4.2m扩大头高度0.9m实际灌注量5.59m3挖孔日期1月30日至2月9日验收日期2007年2月11日灌桩芯日期2月11日10时55分至2月11日11时30分,共计:0时35分桩身剖面图0.8-2.4-4.210Ф169.40.90.30.21施工情况简介:(排水、清孔等情况)排水采用DN75污水泵,孔底清渣干净。地质柱状简图杂填土坡积粘性土强风化中~微风化施工单位项目技术负责人施工员监理(建设)单位监理工程师(建设单位项目专业技术负责人)人工挖孔桩施工记录质...

1、当您付费下载文档后,您只拥有了使用权限,并不意味着购买了版权,文档只能用于自身使用,不得用于其他商业用途(如 [转卖]进行直接盈利或[编辑后售卖]进行间接盈利)。
2、本站所有内容均由合作方或网友上传,本站不对文档的完整性、权威性及其观点立场正确性做任何保证或承诺!文档内容仅供研究参考,付费前请自行鉴别。
3、如文档内容存在违规,或者侵犯商业秘密、侵犯著作权等,请点击“违规举报”。

碎片内容

人工挖孔桩施工记录

您可能关注的文档

确认删除?
VIP
微信客服
  • 扫码咨询
会员Q群
  • 会员专属群点击这里加入QQ群
客服邮箱
回到顶部