电脑桌面
添加小米粒文库到电脑桌面
安装后可以在桌面快捷访问

二次确认机BZH-212-B-慧锐通WRT楼宇对讲说明书VIP免费

二次确认机BZH-212-B-慧锐通WRT楼宇对讲说明书_第1页
1/4
二次确认机BZH-212-B-慧锐通WRT楼宇对讲说明书_第2页
2/4
二次确认机BZH-212-B-慧锐通WRT楼宇对讲说明书_第3页
3/4
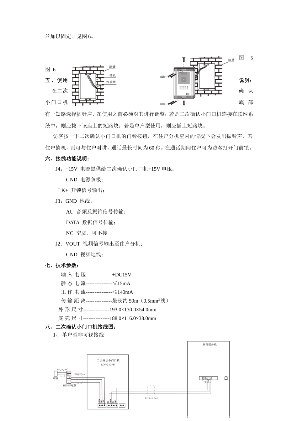
二次确认小门口机BZH-212-B版本:A1一、概述:BZH-212-B二次确认机是WRTR2系统中安装在住户门前的一种小门口机,适合于社区型或单户型住户使用。其包括黑白型BZH-212B-B、彩色型BZH-212C-B和非可视型BZH-212-B。该小门口机可以呼叫住户并和住户对讲,可视系统住户通过可视二次确认机也能够对访客身份进行二次识别。二、各部件说明:1、非可视二次确认小门口机:前视图后视图1、麦克风2、扬声器3、门铃按钮4、至开锁电源插座5、短路插针座6、音频信号传输插座2、可视二次确认小门口机前视图后视图1、红外补偿灯2、麦克风3、摄像头4、扬声器5、门铃按钮6、至开锁电源插座7、短路插针座8、音频信号传输插座9、视频信号输出插座三、安装使用注意事项1.不可将对讲系统安装于太阳直接曝晒、高温、雪霜、化学物质腐蚀及灰尘太多的地方。12.将二次确认小门口机安装于便于维修、调试的地方,建议高度为145cm(产品中心点距地面的高度)。3.在安装过程中严禁带电操作。4.如系统不正常,断电后请分段检查。如未查明故障原因,请通知代理销售商或厂家售后服务部,切勿自行修理或更换元件而造成系统损坏。四、安装方法:1、嵌入式安装1、按底壳的尺寸188×116在铁门后板上开一方孔,建议方孔的中心点距地面约145cm,如图1中需框。2、按图1所示尺寸在铁门前板开一方孔和四个8mm的螺丝孔。3、在底壳下部开一出线孔,将底壳按铁门后板至前板的方向套入铁门(注意出线孔向下)。接好传输线,最后将二次确认小门口机按铁门前板至后板的方向套入铁门,对准螺丝孔后,从二次确认小门口机上下各旋进两颗PM3×25mm螺丝加以固定。见图2。图1图24、在装螺丝位置放好铭牌,再从二次确认小门口机上下各旋入一颗FM3×8的螺丝加以固定。2、埋入式安装:1.在墙上开一个槽孔,且槽孔的中心点距离地面约145cm。粉刷水泥浆,粉刷后的槽孔尺寸约为188×116×38mm。见图3。2.在底壳合适位置打四个螺丝孔,然后将传输线从底壳出线孔穿过。见图4。图3图43.将底壳放入槽孔内,并预埋水泥。见图5。4.接好传输线,将二次确认小门口机套入底壳,再在二次确认机上下旋入四颗PM3×25的螺丝加以固定,最后按图示在螺丝处装上铭牌,再从二次确认小门口机上下旋入FM3×8螺2丝加以固定。见图6。图5图6五、使用说明:在二次确认小门口机底部有一短路选择插针座,在使用之前必须对其进行调整:若是二次确认小门口机连接在联网系统中,则应拔下该座上的短路块;若是单户型使用,则应插上短路块。访客按一下二次确认小门口机的门铃按钮,在住户分机空闲的情况下会发出振铃声,若住户摘机,则可与住户对讲,通话最长时间为60秒。在通话期间住户可为访客打开门前锁。六、接线功能说明:J4:+15V电源提供给二次确认小门口机+15V电压;GND电源负极;LK+开锁信号输出;J3:GND地线;AU音频及振铃信号传输;DATA数据信号传输;NC空脚,可不接J2:VOUT视频信号输出至住户分机;GND视频地线;七、技术参数:输入电压---------------+DC15V静态电流---------------≤15mA工作电流---------------≤140mA传输距离---------------最长约50m(0.5mm2线)外形尺寸---------------193.0×130.0×54.0mm底壳尺寸---------------188.0×116.0×38.0mm八、二次确认小门口机接线图:1、单户型非可视接线32、单户型可视接线3、联网型接线4

1、当您付费下载文档后,您只拥有了使用权限,并不意味着购买了版权,文档只能用于自身使用,不得用于其他商业用途(如 [转卖]进行直接盈利或[编辑后售卖]进行间接盈利)。
2、本站所有内容均由合作方或网友上传,本站不对文档的完整性、权威性及其观点立场正确性做任何保证或承诺!文档内容仅供研究参考,付费前请自行鉴别。
3、如文档内容存在违规,或者侵犯商业秘密、侵犯著作权等,请点击“违规举报”。

碎片内容

二次确认机BZH-212-B-慧锐通WRT楼宇对讲说明书

海纳百川+ 关注
实名认证
内容提供者

热爱教学事业,对互联网知识分享很感兴趣

相关文档

确认删除?
VIP
微信客服
  • 扫码咨询
会员Q群
  • 会员专属群点击这里加入QQ群
客服邮箱
回到顶部