电脑桌面
添加小米粒文库到电脑桌面
安装后可以在桌面快捷访问

强电照明设计规范VIP免费

强电照明设计规范_第1页
1/4
强电照明设计规范_第2页
2/4
强电照明设计规范_第3页
3/4
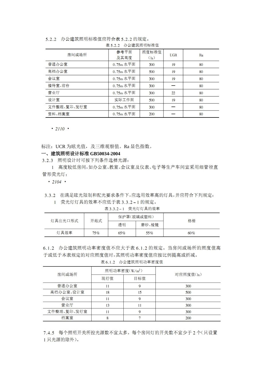
标注:UCR为眩光值,及三维观察值。Ra显色指数。一、建筑照明设计标准GB50034-2004二.GB50189-2005《公共建筑节能设计标准》.doc5.3.5设计变风量全空气空气调节系统时,宜采用变频自动调节风机转速的方式,并应在设计文件中标明每个变风量末端装置的最小送风量。B.0.7参照建筑各个房间的电器设备功率应与所设计建筑一致。当不能按设计文件确定设计建筑各个房间的电器设备功率时,可按表B.0.7-1确定电器设备功率。参照建筑和所设计建筑电器设备的逐时使用率按表B.0.7-2确定。表B.0.7.1不同类型房间电器设备功率(W/m2)建筑类别房间类别电器设备功率办公建筑普通办公室20高档办公室13会议室5走廊0其他5宾馆建筑普通客房20高档客房13会议室、多功能厅5走廊0其他5商场建筑一般商店13高档商店13表3.0.1-2空气调节系统室内计算参数参数冬季夏季温度(℃)一般房间2025大堂、过厅18室内外温差≤10风速(v)(m/s)0.10≤v≤0.200.15≤v≤0.30相对湿度(%)30~6040~65三、《通用用电设备配电设计规范》+条文说明_GB50055-93.pdf四、《办公建筑设计规范》JGJ67-2006.doc第4.3.1条办公建筑负荷等级应符合下列规定:照度标准度表4.3.5房间名称照度标准值(Lx)办公室、研究工作室、会议室、接待室、陈列室设计室、绘图室、打字室图书阅览室档案室、资料室等计算机房电话总机房、晒图室、复印室电梯间、门厅走道、厕所开水间、楼梯间、贮藏室100~200200~500100~20075~150150~30075~15030~515~3020~50第4.3.6条办公室的照明宜采用荧光灯、门厅、接待室、陈列室等房间也可根据建筑装修的需要安装饰灯。第4.3.7条办公室每个标准开间内宜设置2~3个插座,插座回路宜与照明回路分开。一、重要办公建筑和建筑高度超过50m的高层办公建筑的重要设备及部位按一级负荷供电。二、建筑高度不超过50m的高层办公建筑和部、省级行政办公建筑的重要设备和部位按二级负荷供电。三、除一、二级负荷以外的用电设备及部位,均按三级负荷供电。注:重要设备及部位系指办公室、会议室、总值班室、主要通道的一般照明,各种场所事故照明、消防电梯、防烟及排烟设施、紧急广播、消防水泵、火灾自动报警、自动灭火装置等消防的电力设施,以及电话总机房、计算机房、变配电所、柴油发电机房等部位。五、低压配电设计规范.doc第3.1.5条落地式配电箱的底部宜抬高,室内宜高出地面50mm以上,室外应高出地面200mm以上。底座周围应采取封闭措施,并应能第3.1.8条成排布置的配电屏,其长度超过6m时,屏后的通道应设两个出口,并宜布置在通道的两端,当两出口之间的距离超过15m时第3.3.2条配电室长度超过7m时应设两个出口,并宜布置在配电室的两端。当配电室为楼上楼下两部分布置时,楼上部分的出口应至少有一个通向该层走廊或室外的安全出口。配电室的门均应向外开启,但通向高压配电室的门应为双向开启门。第3.3.3条配电室的顶棚、墙面及地面的建筑装修应少积灰和不起灰;顶棚不应抹灰。第3.3.5条当严寒地区冬季室温影响设备的正常工作时,配电室应采暖。炎热地区的配电室应采取隔热、通风或空调等措施。三、当导线垂直敷设至地面低于1.8m时,应穿管保护。第5.2.9条电线管与热水管、蒸汽管同侧敷设时,应敷设在热水管、蒸汽管的下面。当有困难时,可敷设在其上面。其相互间的净距不宜小于下列数值:一、当电线管敷设在热水管下面时为0.2m,在上面时为0.3m。二、当电线管敷设在蒸汽管下面时为0.5m,(Ⅳ)电缆埋地敷设第5.6.29条电缆直接埋地敷设时,沿同一路径敷设的电缆数量不宜超过8根。第5.6.30条电缆在屋外直接埋地敷设的深度不应小于700mm;在上面时为1m。

1、当您付费下载文档后,您只拥有了使用权限,并不意味着购买了版权,文档只能用于自身使用,不得用于其他商业用途(如 [转卖]进行直接盈利或[编辑后售卖]进行间接盈利)。
2、本站所有内容均由合作方或网友上传,本站不对文档的完整性、权威性及其观点立场正确性做任何保证或承诺!文档内容仅供研究参考,付费前请自行鉴别。
3、如文档内容存在违规,或者侵犯商业秘密、侵犯著作权等,请点击“违规举报”。

碎片内容

强电照明设计规范

您可能关注的文档

确认删除?
VIP
微信客服
  • 扫码咨询
会员Q群
  • 会员专属群点击这里加入QQ群
客服邮箱
回到顶部