电脑桌面
添加小米粒文库到电脑桌面
安装后可以在桌面快捷访问

污水处理厂防腐方案VIP专享VIP免费

污水处理厂防腐方案_第1页
1/24
污水处理厂防腐方案_第2页
2/24
污水处理厂防腐方案_第3页
3/24
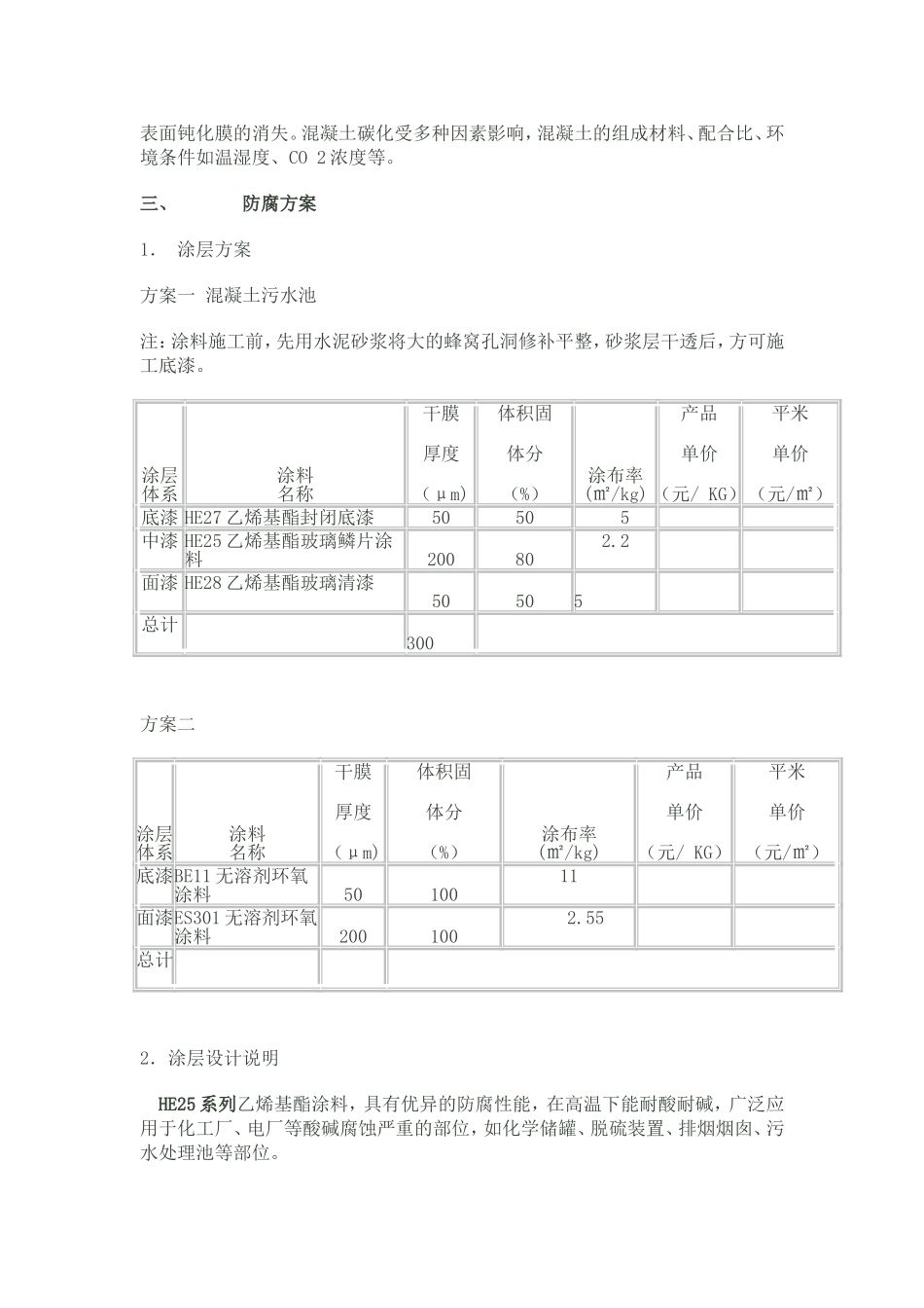
污水处理厂防腐方案一、前言本方案针对污水站的腐蚀状况,采用乙烯基酯系列涂料和低表面处理无溶剂环氧体系涂料,制定了混凝土防腐方案。可有效解决污水腐蚀严重,酸性气体腐蚀严重等难题。可以提供8年以上的防腐保护。二、混凝土的腐蚀机理简介1.通常,钢筋混凝土的化学腐蚀主要有以下几种:1)氯离子腐蚀:一般情况下,由于混凝土为强碱性物质,其液相PH值为12.5~13.5,钢材在这种环境中能形成厚约40μm的致密的共格构薄膜(钝化膜)它不仅可以隔绝氧接触钢筋,而且阻止钢筋内部形成腐蚀电流,因此对钢筋起到保护作用。然而污水中存在着大量的氯化物,氯离子是钢筋最强烈的活化剂之一,当氯离子渗透到钢筋表面、氯离子达到一定浓度时会使得局部保护膜破坏,成了活化态,在氧和水充足的条件下,活化的钢筋表面形成一个小阳极,未活化的钢筋表面成为阴极,结果阳极金属溶解形成腐蚀坑,这种腐蚀成为点腐蚀(铁锈)。铁锈若继续失水就形成水化氧化物红锈,一部分氯化不完全的变成黑锈,由于铁锈成多孔从而伴随着较大的体积膨胀,因此很容易在混凝土中出现顺筋裂缝,引起结构物的耐久性破坏。同时氯盐还可以和混凝土中的Ca离子反应生成易溶的CaCl2和带有大量结晶水、比反应物体体积大几倍的固相化合物,造成混凝土的膨胀破坏如果水泥中铝酸三钙含量高于8%,其制成的混凝土很容易受到Cl-腐蚀。2)硫酸根离子腐蚀:当污水中存在的SO42-进入混凝土表层内部后与混凝土的某些成分反应,生成物吸水肿胀产生膨胀应力,当应力达到一定程度时混凝土就产生裂缝,这种腐蚀作用在不同条件下又有两种表现形式,即E盐破坏和G盐破坏。E盐破坏即钙矾石膨胀破坏,其生成物的体积比反应物大1.5倍多,呈针状结晶,引起很大的内应力,其破坏特征为混凝土表面出现几条较粗大的裂缝。G盐破坏即石膏膨胀破坏,当外界溶液中SO42-浓度达到1000mg/L,SO42-可与Ca(OH)2反应生成石膏晶体,生成的CaSO4*2H2O体积增大1.24倍,导致混凝土因内应力而破坏,其破坏特征为混凝土表面无粗大裂缝但是遍体溃散,即使浓度不高,但是混凝土处于干湿交替状态,因水分蒸发而导致石膏结晶的G盐破坏也容易发生。3)碳化作用:空气中的CO2与混凝土中的Ca(OH)2和水化硅酸钙反应,导致混凝土碱度降底、碳化层的收缩裂缝和混凝土本身的竕化,同时也可能导致钢筋表面钝化膜的消失。混凝土碳化受多种因素影响,混凝土的组成材料、配合比、环境条件如温湿度、CO2浓度等。三、防腐方案1.涂层方案方案一混凝土污水池注:涂料施工前,先用水泥砂浆将大的蜂窝孔洞修补平整,砂浆层干透后,方可施工底漆。方案二2.涂层设计说明HE25系列乙烯基酯涂料,具有优异的防腐性能,在高温下能耐酸耐碱,广泛应用于化工厂、电厂等酸碱腐蚀严重的部位,如化学储罐、脱硫装置、排烟烟囱、污水处理池等部位。涂层体系涂料名称干膜厚度(μm)体积固体分(%)涂布率(㎡/kg)产品单价(元/KG)平米单价(元/㎡)底漆HE27乙烯基酯封闭底漆50505中漆HE25乙烯基酯玻璃鳞片涂料200802.2面漆HE28乙烯基酯玻璃清漆50505总计300涂层体系涂料名称干膜厚度(μm)体积固体分(%)涂布率(㎡/kg)产品单价(元/KG)平米单价(元/㎡)底漆BE11无溶剂环氧涂料5010011面漆ES301无溶剂环氧涂料2001002.55总计ES301是具有世界顶级水平的生态环保无溶剂重防腐涂料,双组份,100%固体含量,无有害的溶剂挥发气体,无露点限制,无毒,表面处理要求低,可在100%潮湿和有少量油污的表面直接涂装,与新旧钢铁兼容、紧密附着于锈斑、与表面粘接牢固的涂层相容,能与基底上的湿气起反应,具有杰出的基底和内层粘附力,具备超常的防蚀和保护特性,是有效的水屏障。ES301是目前在全世界范围内用于海洋环境下技术指标最高,防腐年限最长的重防腐涂料,被巴西海洋石油公司编入海洋平台防腐标准,是美国海军压载舱防腐指定产品(美国海军唯一批准可在潮湿面施工的防腐涂料产品)、中国南极长城站防腐指定产品。四、公司简介Euronavy公司成立于1981年,是世界知名的以技术研发为核心,在重防腐涂料领域取得骄人业绩的专业性高科技涂料公司。Euronavy国际公司自1993年开始将其业务拓展至全球范...

1、当您付费下载文档后,您只拥有了使用权限,并不意味着购买了版权,文档只能用于自身使用,不得用于其他商业用途(如 [转卖]进行直接盈利或[编辑后售卖]进行间接盈利)。
2、本站所有内容均由合作方或网友上传,本站不对文档的完整性、权威性及其观点立场正确性做任何保证或承诺!文档内容仅供研究参考,付费前请自行鉴别。
3、如文档内容存在违规,或者侵犯商业秘密、侵犯著作权等,请点击“违规举报”。

碎片内容

污水处理厂防腐方案

确认删除?
VIP
微信客服
  • 扫码咨询
会员Q群
  • 会员专属群点击这里加入QQ群
客服邮箱
回到顶部