电脑桌面
添加小米粒文库到电脑桌面
安装后可以在桌面快捷访问

汽车销量与特征的关系 统计一班 王夕文 20112430VIP免费

汽车销量与特征的关系 统计一班 王夕文 20112430_第1页
1/10
汽车销量与特征的关系 统计一班 王夕文 20112430_第2页
2/10
汽车销量与特征的关系 统计一班 王夕文 20112430_第3页
3/10
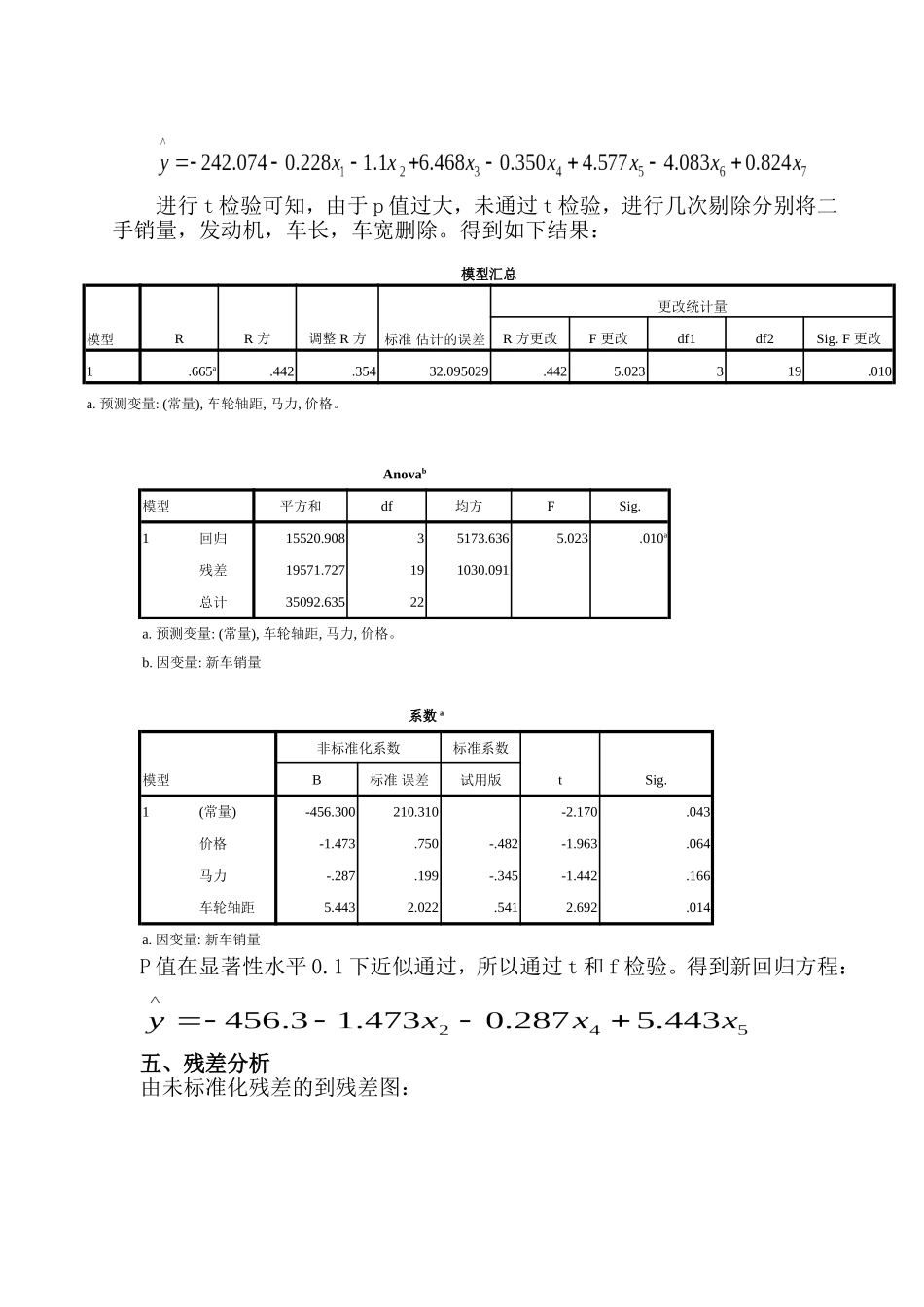
研究汽车销量与汽车特征的关系一、研究的经济意义近年来,随着人们生活水平的提高,越来越多的人们热衷于购买汽车来满足自己的消费需求,而汽车的销量与汽车的各项特征有密切联系,通过本次研究,可以看出特征对销量的影响。二、数据来源三、变量与模型设定将“销售量”作为“因变量”,将“车长,车宽,耗油率,车净重等7个作为自变量。则回归方程(i=1…7)四、参数估计对模型做普通最小二乘估计得下表输入/移去的变量模型输入的变量移去的变量方法1车长,二手销量,价格,车轮轴距,马力,车宽,发动机a.输入a.已输入所有请求的变量。模型汇总模型RR方调整R方标准估计的误差更改统计量R方更改F更改df1df2Sig.F更改1.680a.462.21135.481273.4621.839715.152a.预测变量:(常量),车长,二手销量,价格,车轮轴距,马力,车宽,发动机。Anovab模型平方和df均方FSig.1回归16208.82472315.5461.839.152a残差18883.811151258.921总计35092.63522a.预测变量:(常量),车长,二手销量,价格,车轮轴距,马力,车宽,发动机。b.因变量:新车销量系数a模型非标准化系数标准系数tSig.B标准误差试用版1(常量)-242.074457.240-.529.604二手销量-.2281.352-.057-.168.869价格-1.1001.073-.360-1.025.322发动机6.46831.558.153.205.840马力-.350.492-.421-.712.487车轮轴距4.5773.296.4541.389.185车宽-4.0835.981-.291-.683.505车长.8241.759.205.469.646得到如下模型:进行t检验可知,由于p值过大,未通过t检验,进行几次剔除分别将二手销量,发动机,车长,车宽删除。得到如下结果:Anovab模型平方和df均方FSig.1回归15520.90835173.6365.023.010a残差19571.727191030.091总计35092.63522a.预测变量:(常量),车轮轴距,马力,价格。b.因变量:新车销量系数a模型非标准化系数标准系数tSig.B标准误差试用版1(常量)-456.300210.310-2.170.043价格-1.473.750-.482-1.963.064马力-.287.199-.345-1.442.166车轮轴距5.4432.022.5412.692.014a.因变量:新车销量P值在显著性水平0.1下近似通过,所以通过t和f检验。得到新回归方程:五、残差分析由未标准化残差的到残差图:模型汇总模型RR方调整R方标准估计的误差更改统计量R方更改F更改df1df2Sig.F更改1.665a.442.35432.095029.4425.023319.010a.预测变量:(常量),车轮轴距,马力,价格。根据图的形态分布,推测可能存在异常值。通过进行删除化残差,学生化残差,学生删除化残差,库克距离,杠杆值的计算,得到如下表:通过检验学生删除化残差,第21个数据|SDR|=3.3226>3中心化杠杆值ch=0.04988<2D=0.18594<0.5所以认为第21个数据为对于因变量的异常值,而不是关于自变量的异常值。六、异方差检验将价格,马力,车轮轴距与残差绝对值做等级相关系数检验得到如下结果:相关系数价格马力车轮轴距abseSpearman的rho价格相关系数1.000.706**.554**-.217Sig.(双侧)..000.006.319N23232323马力相关系数.706**1.000.484*-.025Sig.(双侧).000..019.909N23232323车轮轴距相关系数.554**.484*1.000.356Sig.(双侧).006.019..095N23232323abse相关系数-.217-.025.3561.000Sig.(双侧).319.909.095.N23232323**.在置信度(双测)为0.01时,相关性是显著的。*.在置信度(双测)为0.05时,相关性是显著的。从表中得知:残差绝对值与自变量不存在异方差。七、自相关检验根据D.W检验,得到如下结果;模型汇总b模型RR方调整R方标准估计的误差更改统计量Durbin-WatsonR方更改F更改df1df2Sig.F更改1.665a.442.35432.095029.4425.023319.0101.858a.预测变量:(常量),车轮轴距,马力,价格。b.因变量:新车销量N=23k=4通过查表,得=1.08=1.664-=2.34D.W=1.858得出:

1、当您付费下载文档后,您只拥有了使用权限,并不意味着购买了版权,文档只能用于自身使用,不得用于其他商业用途(如 [转卖]进行直接盈利或[编辑后售卖]进行间接盈利)。
2、本站所有内容均由合作方或网友上传,本站不对文档的完整性、权威性及其观点立场正确性做任何保证或承诺!文档内容仅供研究参考,付费前请自行鉴别。
3、如文档内容存在违规,或者侵犯商业秘密、侵犯著作权等,请点击“违规举报”。

碎片内容

汽车销量与特征的关系 统计一班 王夕文 20112430

确认删除?
微信客服
  • 扫码咨询
会员Q群
  • 会员专属群点击这里加入QQ群