电脑桌面
添加小米粒文库到电脑桌面
安装后可以在桌面快捷访问

轻钢龙骨隔墙技术交底VIP免费

轻钢龙骨隔墙技术交底_第1页
1/4
轻钢龙骨隔墙技术交底_第2页
2/4
轻钢龙骨隔墙技术交底_第3页
3/4
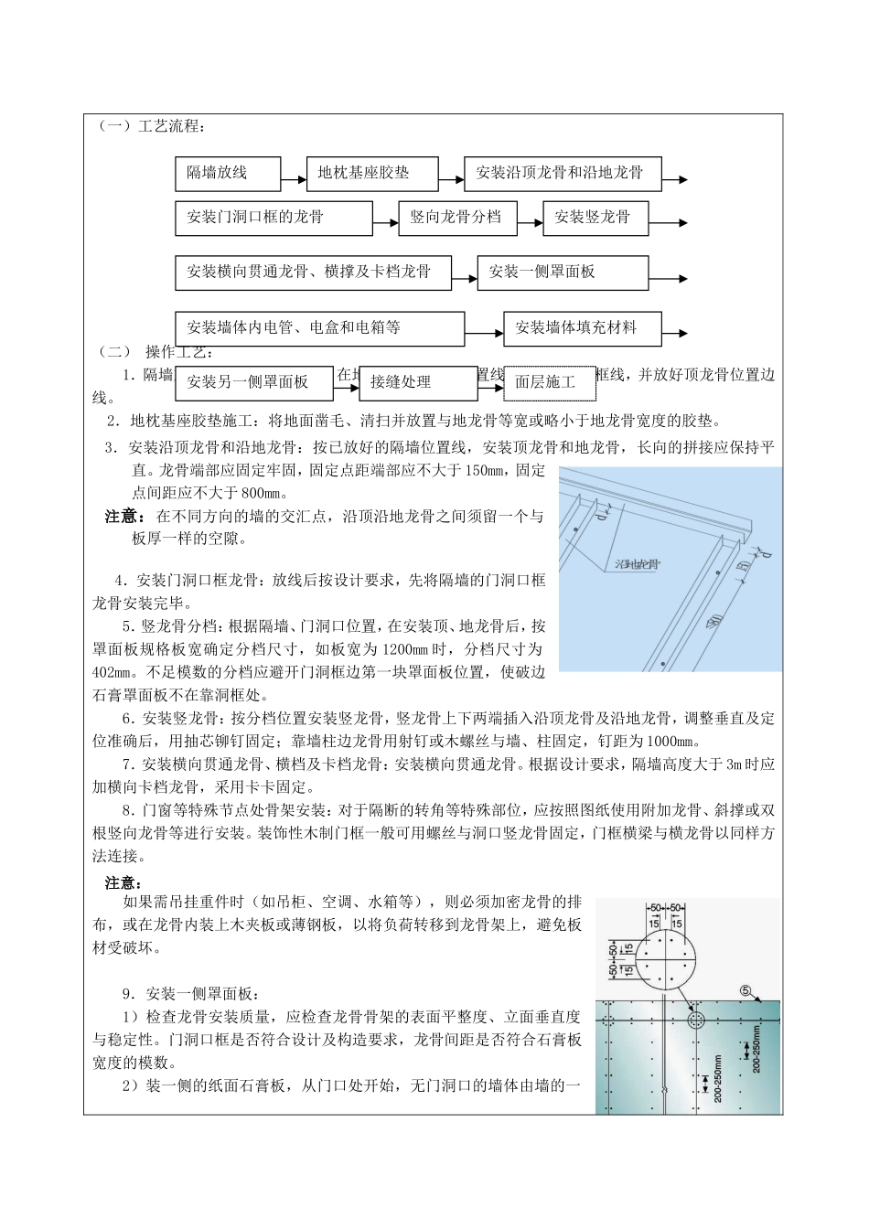
四、操作工艺:施工技术交底单ZX1_2施工单位:上海市建筑装饰工程集团有限公司本交底单共页第页工程名称山海天酒店一期客房区精装修工程施工班组一班组分部分项工程名称轻钢龙骨石膏板隔墙安装技术交底班组长交底时间年月日主要成员交底人交底内容一、材料要求:(一)轻钢龙骨主件:沿顶龙骨、沿地龙骨、加强龙骨、竖向龙骨、横撑龙骨的规格、尺寸及质量等应符合设计要求及国家《建筑用轻钢龙骨》标准的规定。(二)轻钢骨架配件:支撑卡、卡托、交托、连接件、固定件、护墙龙骨和压条等附件,应符合设计要求和有关标准的规定。(三)紧固材料:射钉、膨胀螺栓、镀锌自攻螺丝、木螺丝和粘贴嵌缝料,应按设计要求选用。(四)填充隔声材料:矿棉板、岩棉板等按设计要求选用。(五)罩面板材:其材质、规格、性能、颜色应符合设计要求及国家有关产品标准的规定。普通纸面石膏板一般不宜用于厨房、厕所以及空气相对湿度大于70%的潮湿环境中。人造板的甲醛含量应符合国家有关规范的规定,进场后应做复试。二、主要机具:主要机具包括:电焊机、电动无齿锯、手电钻、螺丝刀、射钉枪、线坠、靠尺等。三、作业条件:1骨架隔墙的罩面板安装待顶棚、墙面抹灰完成后进行。2根据设计图纸的隔墙位置测量放线并且经过质检部门预检验收准确无误后方可进行施工。3设计要求隔墙有地枕带时,应将地枕带施工完毕,并达到设计强度后,方可进行轻钢骨架的安装。4主体结构墙、柱为砖砌体时,应在隔墙交接处,按1000mm间距预埋木砖。5根据设计施工图和备料计划,配齐全部隔墙材料。(一)工艺流程:(二)操作工艺:1.隔墙放线:根据设计施工图,在地面上放出隔墙位置线、门窗洞口边框线,并放好顶龙骨位置边线。2.地枕基座胶垫施工:将地面凿毛、清扫并放置与地龙骨等宽或略小于地龙骨宽度的胶垫。3.安装沿顶龙骨和沿地龙骨:按已放好的隔墙位置线,安装顶龙骨和地龙骨,长向的拼接应保持平直。龙骨端部应固定牢固,固定点距端部应不大于150mm,固定点间距应不大于800mm。注意:在不同方向的墙的交汇点,沿顶沿地龙骨之间须留一个与板厚一样的空隙。4.安装门洞口框龙骨:放线后按设计要求,先将隔墙的门洞口框龙骨安装完毕。5.竖龙骨分档:根据隔墙、门洞口位置,在安装顶、地龙骨后,按罩面板规格板宽确定分档尺寸,如板宽为1200mm时,分档尺寸为402mm。不足模数的分档应避开门洞框边第一块罩面板位置,使破边石膏罩面板不在靠洞框处。6.安装竖龙骨:按分档位置安装竖龙骨,竖龙骨上下两端插入沿顶龙骨及沿地龙骨,调整垂直及定位准确后,用抽芯铆钉固定;靠墙柱边龙骨用射钉或木螺丝与墙、柱固定,钉距为1000mm。7.安装横向贯通龙骨、横档及卡档龙骨:安装横向贯通龙骨。根据设计要求,隔墙高度大于3m时应加横向卡档龙骨,采用卡卡固定。8.门窗等特殊节点处骨架安装:对于隔断的转角等特殊部位,应按照图纸使用附加龙骨、斜撑或双根竖向龙骨等进行安装。装饰性木制门框一般可用螺丝与洞口竖龙骨固定,门框横梁与横龙骨以同样方法连接。注意:如果需吊挂重件时(如吊柜、空调、水箱等),则必须加密龙骨的排布,或在龙骨内装上木夹板或薄钢板,以将负荷转移到龙骨架上,避免板材受破坏。9.安装一侧罩面板:1)检查龙骨安装质量,应检查龙骨骨架的表面平整度、立面垂直度与稳定性。门洞口框是否符合设计及构造要求,龙骨间距是否符合石膏板宽度的模数。2)装一侧的纸面石膏板,从门口处开始,无门洞口的墙体由墙的一隔墙放线安装门洞口框的龙骨安装沿顶龙骨和沿地龙骨竖向龙骨分档安装竖龙骨安装横向贯通龙骨、横撑及卡档龙骨安装一侧罩面板接缝处理面层施工安装墙体内电管、电盒和电箱等安装墙体填充材料安装另一侧罩面板地枕基座胶垫端开始,石膏板一般用自攻螺丝固定,板边钉距不大于200mm,板中间距不大于300mm,螺钉距石膏板边缘的距离不得小于10mm,也不得大于16mm。距板角50mm,自攻螺丝紧固时,纸面石膏板必须与龙骨紧靠。10.安装墙体内电管、电盒和电箱设备,并进行隐蔽工程检查验收。11.安装墙体内防火、隔声、防潮填充材料。12.安装另一侧纸面石膏板:安装方法同第一侧纸面石膏板...

1、当您付费下载文档后,您只拥有了使用权限,并不意味着购买了版权,文档只能用于自身使用,不得用于其他商业用途(如 [转卖]进行直接盈利或[编辑后售卖]进行间接盈利)。
2、本站所有内容均由合作方或网友上传,本站不对文档的完整性、权威性及其观点立场正确性做任何保证或承诺!文档内容仅供研究参考,付费前请自行鉴别。
3、如文档内容存在违规,或者侵犯商业秘密、侵犯著作权等,请点击“违规举报”。

碎片内容

轻钢龙骨隔墙技术交底

海纳百川+ 关注
实名认证
内容提供者

热爱教学事业,对互联网知识分享很感兴趣

确认删除?
VIP
微信客服
  • 扫码咨询
会员Q群
  • 会员专属群点击这里加入QQ群
客服邮箱
回到顶部