电脑桌面
添加小米粒文库到电脑桌面
安装后可以在桌面快捷访问

栅格法三维六面体网格局部加密算法VIP免费

栅格法三维六面体网格局部加密算法_第1页
1/7
栅格法三维六面体网格局部加密算法_第2页
2/7
栅格法三维六面体网格局部加密算法_第3页
3/7
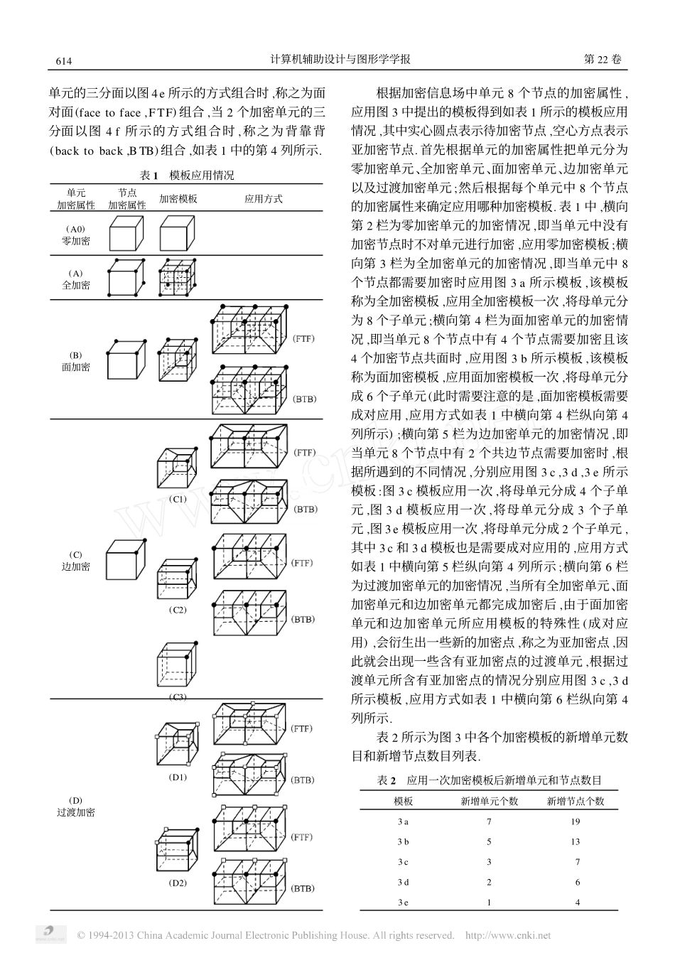
第22卷第4期2010年4月计算机辅助设计与图形学学报JournalofComputer2AidedDesign&ComputerGraphicsVol.22No.4Apr.2010收稿日期:2009-04-25;修回日期:2010-01-11.基金项目:国家自然科学基金(50875155).黄丽丽(1982-),女,博士研究生,主要研究方向为金属塑性成形过程数值模拟算法;赵国群(1962-),男,博士,教授,博士生导师,主要研究方向为CADΠCAMΠCAE、数值模拟算法;王忠雷(1977-),男,博士研究生,讲师,主要研究方向为数值模拟及软件开发.栅格法三维六面体网格局部加密算法黄丽丽1),赵国群1),王忠雷1,2)1)(山东大学模具工程技术研究中心济南250061)2)(山东建筑大学机电学院济南250101)(huang0539@mail.sdu.edu.cn)摘要:有限元数值分析的精度和效率与网格单元的划分质量以及疏密程度密切相关,针对三维六面体网格单元之间疏密过渡必须平缓和协调的要求,提出了一套基于8分法的六面体网格加密模板,并给出了相应的数据结构和模板应用方式.为使所有加密单元都有相对应的加密模板,建立了加密信息场调整规则;对需要进行加密的区域首先补充加密单元,按照节点加密属性调整加密信息场,然后根据单元加密属性对加密单元进行分类,按照全加密单元、面加密单元、边加密单元以及过渡加密单元的顺序依次采用相应的模板进行加密,从而实现三维六面体网格的局部协调加密.实例结果表明,采用该套加密模板的六面体网格局部加密算法能够保障密集网格向稀疏网格的平缓和协调过渡,所生成的网格可满足有限元数值计算的要求.关键词:六面体网格;自适应;协调加密;模板中图法分类号:TP391Grid2BasedLocalRefinementAlgorithmofThree2DimensionalHexahedralMeshesHuangLili1),ZhaoGuoqun1),andWangZhonglei1,2)1)(EngineeringResearchCenterforMould&DieTechnology,ShandongUniversity,Jiπnan250061)2)(InstituteofElectricalandMechanical,ShandongArchitecturalUniversity,Jiπnan250101)Abstract:Theaccuracyandefficiencyoffiniteelementnumericalanalysishavecloserelationshipwiththemeshqualityanddensitydistribution.Inordertoensurethehexahedralmeshtransitiongraduallyandconformably,asetof82refinementbaseddensitycontroltemplatesisproposednewly.Thecorrespondingdatestructureandtemplateapplicationtechniquesarealsogiven.Adjustmentrulesarebuiltforconversionofeveryelementintherefinementfieldtoacorresponding82refinementbaseddensitycontroltemplate.Fortheregionstoberefined,therefinementelementsarefirstlysupplemented.Secondly,therefinementfieldsareadjustedaccordingtothenoderefinementattribute.Thirdly,theelementstoberefinedareclassifiedintoallrefinementelement,facerefinementelement,edgerefinementelementandtransitionrefinementelementaccordingtotheelementrefinementattributeandthenrefinedwiththecorrespondingtemplaterespectively.Thusthelocalrefinementofall2hexahedralmeshescanberealized.Theexamplesshowthatthelocalrefinementalgorithmcanguaranteethegradualandconformaltransitionfromdensemeshestosparsemeshesbyusingthe82refinementbaseddensitycontroltemplates.Thegeneratedmeshcansatisfytherequirementoffiniteelementnumericalanalysis.Keywords:hexahedralmesh;adaptive;conformalrefinement;template随着计算机技术的发展,有限元法、有限体积法和有限差分法等数值方法已经成为计算科学与工程问题的重要方法.而有限元网格生成则是数值分析软件前处理部分的关键问题,其任务是将分析的物体离散成有限数量的单元组合.对于三维问题,通常采用四面体、六面体或二者混合单元进行网格划分.由于三维六面体网格在计算精度、划分网格数量及抗畸变程度等方面比四面体网格具有明显的优势[122],因此六面体网格成为三维问题分析的首选网格.有限元网格的质量直接影响着数值分析的精度和效率.网格的质量既包括单元网格的质量,也包括整体网格的质量,即合理的网格密度分布.国内外许多学者致力于六面体单元网格自动生成方法的研究[326],目前大多数网格划分方法并...

1、当您付费下载文档后,您只拥有了使用权限,并不意味着购买了版权,文档只能用于自身使用,不得用于其他商业用途(如 [转卖]进行直接盈利或[编辑后售卖]进行间接盈利)。
2、本站所有内容均由合作方或网友上传,本站不对文档的完整性、权威性及其观点立场正确性做任何保证或承诺!文档内容仅供研究参考,付费前请自行鉴别。
3、如文档内容存在违规,或者侵犯商业秘密、侵犯著作权等,请点击“违规举报”。

碎片内容

栅格法三维六面体网格局部加密算法

确认删除?
VIP
微信客服
  • 扫码咨询
会员Q群
  • 会员专属群点击这里加入QQ群
客服邮箱
回到顶部