电脑桌面
添加小米粒文库到电脑桌面
安装后可以在桌面快捷访问

路面设计计算书VIP专享VIP免费

路面设计计算书_第1页
1/20
路面设计计算书_第2页
2/20
路面设计计算书_第3页
3/20
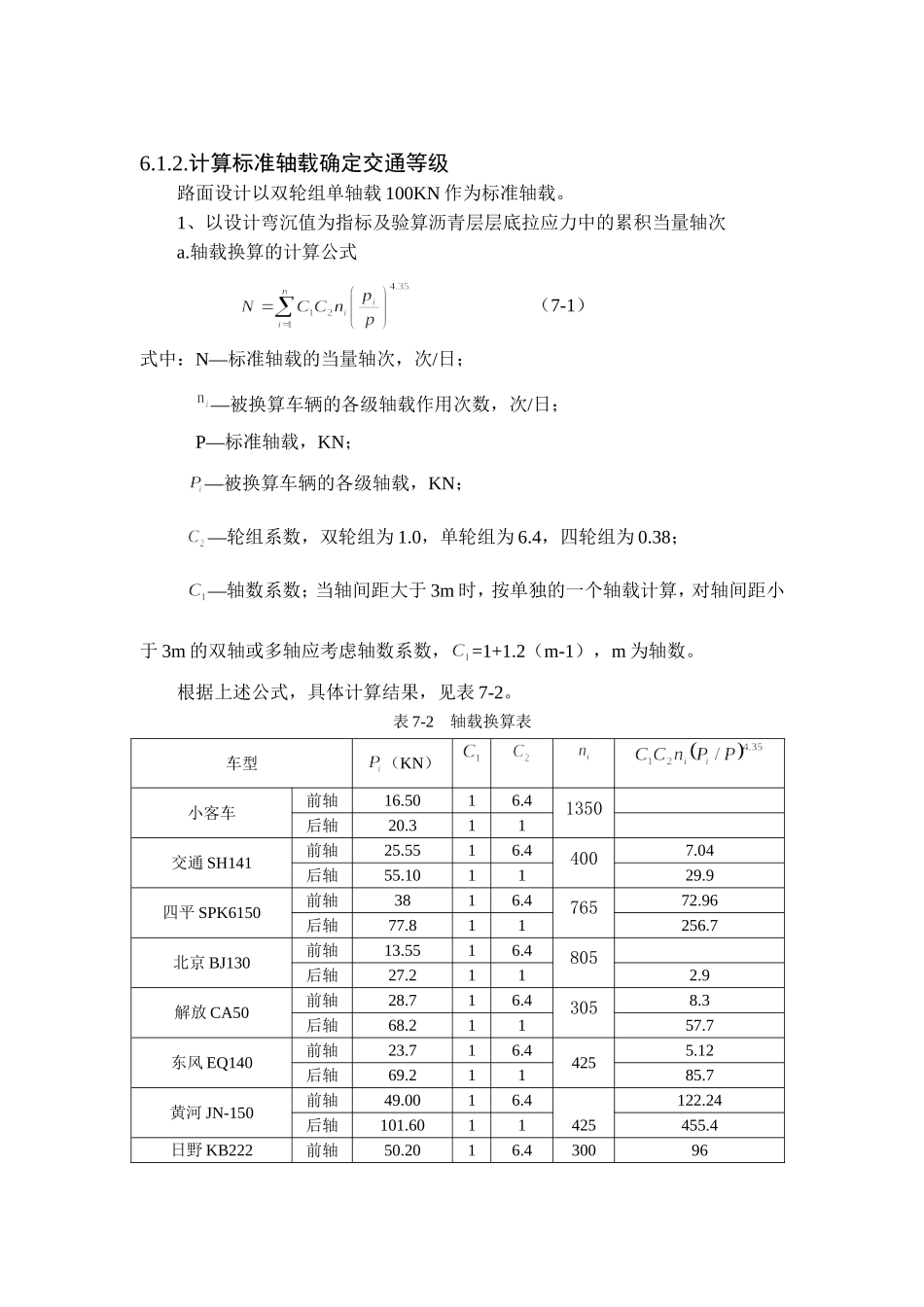
第六章路面设计6.1沥青路面结构设计6.1.1设计资料1、地形、地貌拟建公路位于盆地,公路沿线地形总体比较平缓,属于平原微丘区,地势由东南向西北倾斜,自然地面坡度约为3~8‰。本段地处公路自然区划的Ⅵ2区,海拔高度在500m~700m之间。2、起止桩号起止桩号K0+000-K1+504.01,建设里程为1504.01m。路基宽度为10m。3、地层岩性项目所在区域自西向东,根据沿线地貌、工程地质、水文地质等条件,本地区主要划分为三个工程地质分区:残积—坡积低山丘陵区、剥蚀—堆积平原区和风积沙漠区。残积—坡积低山丘陵区岩性以泥岩、粉砂岩、砾岩、凝灰岩、碎屑岩、煤层为主;剥蚀—堆积平原区岩性以泥质砂岩、细砂岩、红色砾岩、中、细砂、低液限粉土为主。风积沙漠区岩性以细砂、中砂、低液限粉土为主。地层主要分为两层,第一层为细砂、低液限粉土,层厚0.4~0.7m,松散、硬塑,容许承载力σ0=100~120kPa,土、石工程分级为Ⅰ;第二层为角砾、砾砂,揭示层厚1.1~1.6m,中密,容许承载力σ0=400kPa,土、石工程分级为Ⅲ。4、水文及水文地质本项目沿线基本为戈壁荒漠,无大型沟河,降水稀少,无地表水流入。路线全线有多处冲沟,沿线沟壑多呈漫流状,流程较短,水量不大,地表水冲刷痕迹明显主要的河沟有2条。沿线地下水的唯一来源是大气降水补给,地势较低段落受地形条件影响形成洼地,周边地下水汇集在此。地下水埋深情况见下表表1.地下水埋深情况一览表编号地下水埋深11.3-2.521.2-1.832.0-3.041.5-2.553.0-4.561.8-3.071.2-3.581.4-2.091.5-2.2100.9-1.5111.6-2.4120.8-1.3131.2-1.6141.2-2.4150.8-2.54、气候气象项目区域地处荒漠、戈壁地带,日照充足,蒸发强烈,夏季炎热,冬季寒冷,空气干燥,昼夜温差大,春夏季多风,属典型的大陆性干旱气候。区域内年平均气温3.0℃~6.5℃,一月份平均气温-11.7℃~-18.4℃,七月份平均气温23.5℃~26.0℃,极端最低气温-42.6℃,极端最高气温43.0℃,年均降水量170mm,蒸发量约2141mm,最大冻土深度136~141cm。项目所在区域内日照充足,全年日照时数2841~3650小时,全年大风日达100天以上,主导风向为东风、东南风,瞬时最大风速可达41m/s。冬季寒冷,平均降雪量5~12mm。6、自然区划根据公路自然区划,拟建公路位于Ⅵ2区,即绿洲荒漠区。7、交通量调查与分析1.交通量年平均增长率4.95%,交通组成见表7-1。表7-1近期交通组成、交通量与不同车型的交通参数汽车类型前轴重(KN)后轴重(KN)后轴数后轴轮组数日交通量(辆/天)小客车16.5020.31双1350交通SH14125.5555.101双400四平SPK61503877.82双765北京BJ13013.5527.21双850解放CA5028.768.21双305东风EQ14023.7069.201双425黄河JN-15049.00101.601双425特大车日野KB22250.20104.301双300拖挂车五十铃8378.52双296.1.2.计算标准轴载确定交通等级路面设计以双轮组单轴载100KN作为标准轴载。1、以设计弯沉值为指标及验算沥青层层底拉应力中的累积当量轴次a.轴载换算的计算公式(7-1)式中:N—标准轴载的当量轴次,次/日;—被换算车辆的各级轴载作用次数,次/日;P—标准轴载,KN;—被换算车辆的各级轴载,KN;—轮组系数,双轮组为1.0,单轮组为6.4,四轮组为0.38;—轴数系数;当轴间距大于3m时,按单独的一个轴载计算,对轴间距小于3m的双轴或多轴应考虑轴数系数,=1+1.2(m-1),m为轴数。根据上述公式,具体计算结果,见表7-2。表7-2轴载换算表车型(KN)小客车前轴16.5016.41350后轴20.311交通SH141前轴25.5516.44007.04后轴55.101129.9四平SPK6150前轴3816.476572.96后轴77.811256.7北京BJ130前轴13.5516.4805后轴27.2112.9解放CA50前轴28.716.43058.3后轴68.21157.7东风EQ140前轴23.716.44255.12后轴69.21185.7黄河JN-150前轴49.0016.4425122.24后轴101.6011455.4日野KB222前轴50.2016.430096后轴104.3011360.3拖挂车五十铃前轴8316.429181.76后轴78.52.2122.31764.3注:轴载小于25KN的轴载作用不计b.设计年限内标准轴载累计当量轴次设计年限内一个车道沿一个方向通过的累计当量标准轴次按下式计算:(7-2)式中:Ne—设计年限内一个车道沿一个方向通过的累计标准当量轴次,次;t...

1、当您付费下载文档后,您只拥有了使用权限,并不意味着购买了版权,文档只能用于自身使用,不得用于其他商业用途(如 [转卖]进行直接盈利或[编辑后售卖]进行间接盈利)。
2、本站所有内容均由合作方或网友上传,本站不对文档的完整性、权威性及其观点立场正确性做任何保证或承诺!文档内容仅供研究参考,付费前请自行鉴别。
3、如文档内容存在违规,或者侵犯商业秘密、侵犯著作权等,请点击“违规举报”。

碎片内容

路面设计计算书

确认删除?
VIP
微信客服
  • 扫码咨询
会员Q群
  • 会员专属群点击这里加入QQ群
客服邮箱
回到顶部