电脑桌面
添加小米粒文库到电脑桌面
安装后可以在桌面快捷访问

建筑公共部分维修制度VIP免费

建筑公共部分维修制度_第1页
1/8
建筑公共部分维修制度_第2页
2/8
建筑公共部分维修制度_第3页
3/8
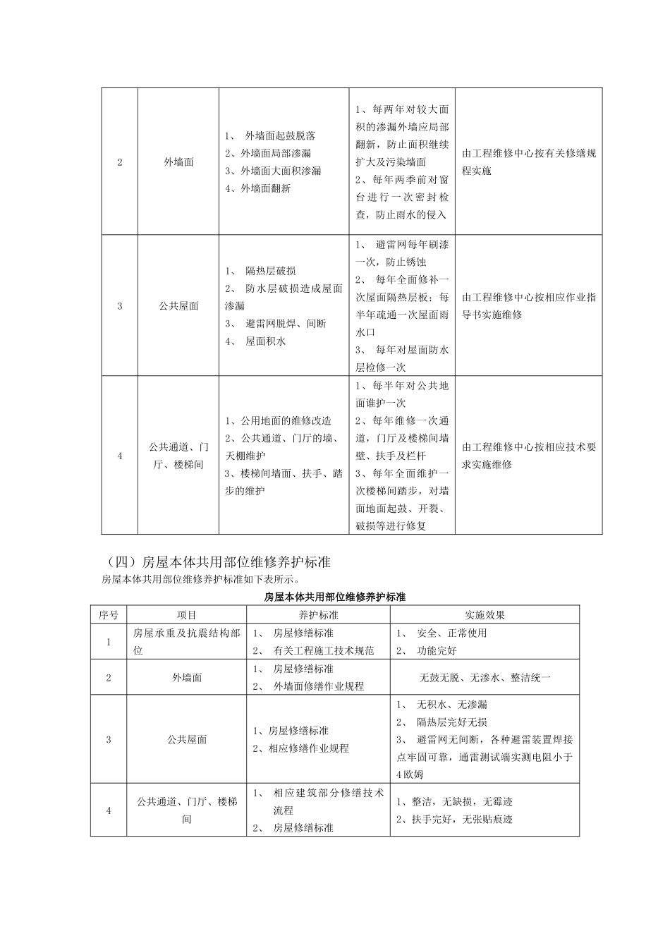
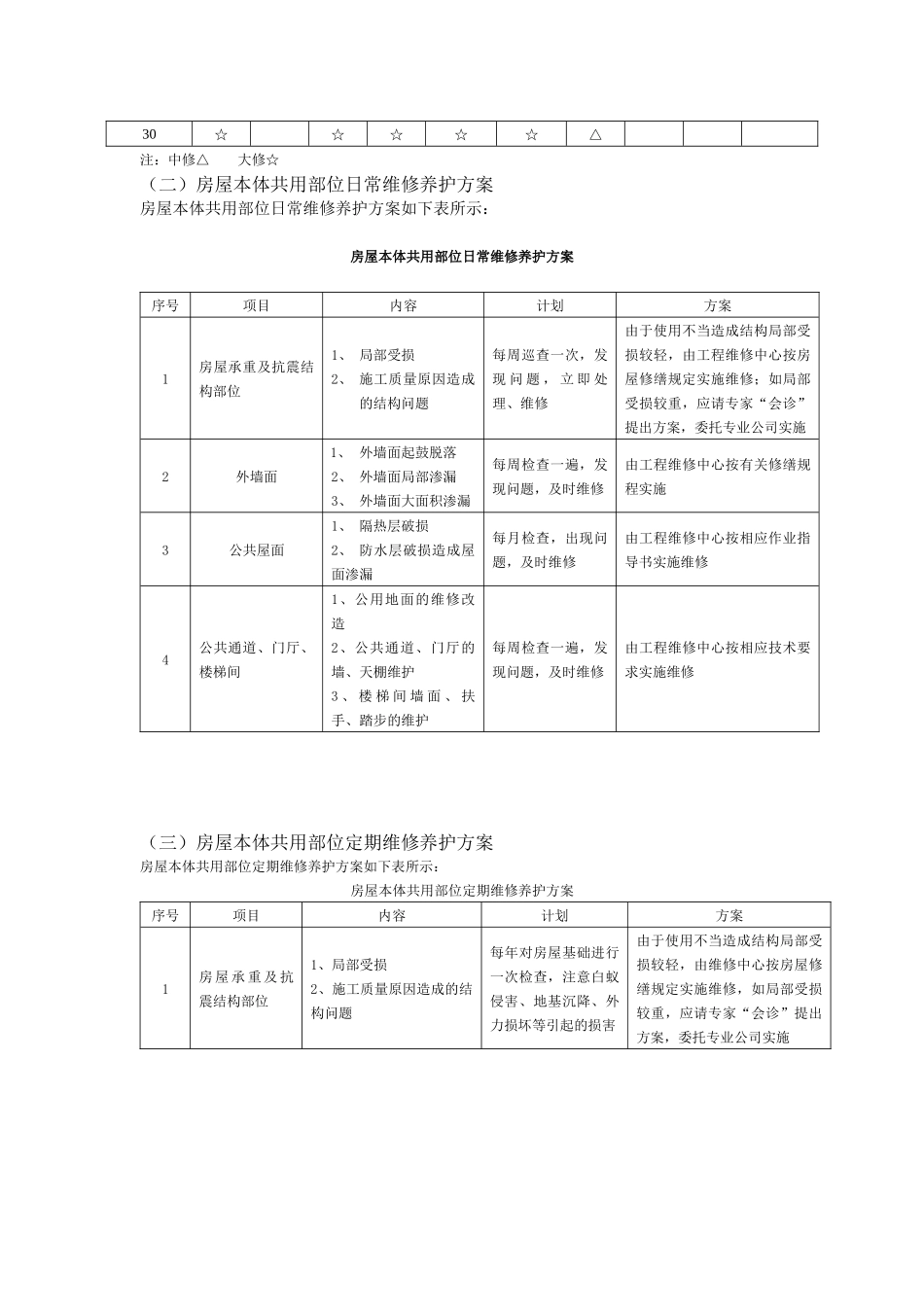
房屋日常维修养护方案一、房屋本体共用部位日常维修养维确定房共用部位维修养护范围周期房屋本体共用部位维修养护范围周期范围年限(年)房屋承重结构部位抗震结构部位外墙面公共房屋公共通道、楼梯间、公共墙面基础层面梁、柱墙体构造体构造梁墙123△△4△5△△678☆☆910☆△1112△△△13△1415△△△△△16☆☆☆☆17181920☆☆△△△21△222324☆☆☆☆25△△262728△△△29△30☆☆☆☆☆△注:中修△大修☆(二)房屋本体共用部位日常维修养护方案房屋本体共用部位日常维修养护方案如下表所示:房屋本体共用部位日常维修养护方案序号项目内容计划方案1房屋承重及抗震结构部位1、局部受损2、施工质量原因造成的结构问题每周巡查一次,发现问题,立即处理、维修由于使用不当造成结构局部受损较轻,由工程维修中心按房屋修缮规定实施维修;如局部受损较重,应请专家“会诊”提出方案,委托专业公司实施2外墙面1、外墙面起鼓脱落2、外墙面局部渗漏3、外墙面大面积渗漏每周检查一遍,发现问题,及时维修由工程维修中心按有关修缮规程实施3公共屋面1、隔热层破损2、防水层破损造成屋面渗漏每月检查,出现问题,及时维修由工程维修中心按相应作业指导书实施维修4公共通道、门厅、楼梯间1、公用地面的维修改造2、公共通道、门厅的墙、天棚维护3、楼梯间墙面、扶手、踏步的维护每周检查一遍,发现问题,及时维修由工程维修中心按相应技术要求实施维修(三)房屋本体共用部位定期维修养护方案房屋本体共用部位定期维修养护方案如下表所示:房屋本体共用部位定期维修养护方案序号项目内容计划方案1房屋承重及抗震结构部位1、局部受损2、施工质量原因造成的结构问题每年对房屋基础进行一次检查,注意白蚁侵害、地基沉降、外力损坏等引起的损害由于使用不当造成结构局部受损较轻,由维修中心按房屋修缮规定实施维修,如局部受损较重,应请专家“会诊”提出方案,委托专业公司实施2外墙面1、外墙面起鼓脱落2、外墙面局部渗漏3、外墙面大面积渗漏4、外墙面翻新1、每两年对较大面积的渗漏外墙应局部翻新,防止面积继续扩大及污染墙面2、每年两季前对窗台进行一次密封检查,防止雨水的侵入由工程维修中心按有关修缮规程实施3公共屋面1、隔热层破损2、防水层破损造成屋面渗漏3、避雷网脱焊、间断4、屋面积水1、避雷网每年刷漆一次,防止锈蚀2、每年全面修补一次屋面隔热层板;每半年疏通一次屋面雨水口3、每年对屋面防水层检修一次由工程维修中心按相应作业指导书实施维修4公共通道、门厅、楼梯间1、公用地面的维修改造2、公共通道、门厅的墙、天棚维护3、楼梯间墙面、扶手、踏步的维护1、每半年对公共地面谁护一次2、每年维修一次通道,门厅及楼梯间墙壁、扶手及栏杆3、每年全面维护一次楼梯间踏步,对墙面地面起鼓、开裂、破损等进行修复由工程维修中心按相应技术要求实施维修(四)房屋本体共用部位维修养护标准房屋本体共用部位维修养护标准如下表所示。房屋本体共用部位维修养护标准序号项目养护标准实施效果1房屋承重及抗震结构部位1、房屋修缮标准2、有关工程施工技术规范1、安全、正常使用2、功能完好2外墙面1、房屋修缮标准2、外墙面修缮作业规程无鼓无脱、无渗水、整洁统一3公共屋面1、房屋修缮标准2、相应修缮作业规程1、无积水、无渗漏2、隔热层完好无损3、避雷网无间断,各种避雷装置焊接点牢固可靠,通雷测试端实测电阻小于4欧姆4公共通道、门厅、楼梯间1、相应建筑部分修缮技术流程2、房屋修缮标准1、整洁,无缺损,无霉迹2、扶手完好,无张贴痕迹(五)房屋本体共用部位日常检查表房屋本体共用部位日常检查表,如下表所示。房屋本体共用部位日常检查表名称地址检查人负责人检查时间年月日检查项目检查结果损坏原因完好基本完好一般损坏严重损坏自然损坏人为损坏预防保养不善其他原因1□基础□承重部件□承重墙2□屋角□隔热层□接地面3□内墙角4□门□楼梯护栏□墙面检测方法□直观法□刺探法□仪器检测法□计算法整体质量评定□完好□基本完好□一般损坏□严重损坏备注二、共用设施设备日常维修(一)确定共用设施设备维修养护周期共用设施设备维修养护周期如下表所示:共用设...

1、当您付费下载文档后,您只拥有了使用权限,并不意味着购买了版权,文档只能用于自身使用,不得用于其他商业用途(如 [转卖]进行直接盈利或[编辑后售卖]进行间接盈利)。
2、本站所有内容均由合作方或网友上传,本站不对文档的完整性、权威性及其观点立场正确性做任何保证或承诺!文档内容仅供研究参考,付费前请自行鉴别。
3、如文档内容存在违规,或者侵犯商业秘密、侵犯著作权等,请点击“违规举报”。

碎片内容

建筑公共部分维修制度

您可能关注的文档

确认删除?
VIP
微信客服
  • 扫码咨询
会员Q群
  • 会员专属群点击这里加入QQ群
客服邮箱
回到顶部