电脑桌面
添加小米粒文库到电脑桌面
安装后可以在桌面快捷访问

门窗结构计算书VIP专享VIP免费

门窗结构计算书_第1页
1/8
门窗结构计算书_第2页
2/8
门窗结构计算书_第3页
3/8
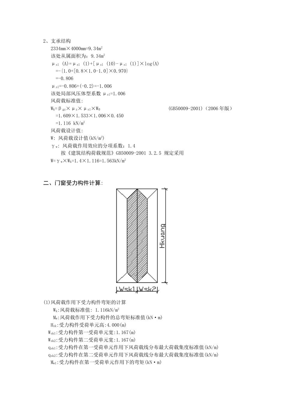
门窗叠合柱结构计算书基本参数:苏州地区门窗所在位置标高=38.000(m)Ⅰ.设计依据《铝合金结构设计规范》GB50429-2007《建筑外门窗气密、水密、抗风压性能分级及检测方法》GB/T7106-2008《铝合金门窗工程设计、施工及验收规范》DBJ15-30-2002《建筑外门窗保温性能分级及检测方法》GB/T8484-2008《建筑门窗空气声隔声性能分级及检测方法》GB/T8485-2008《建筑外窗采光性能分级及检测方法》GB/T11976-2008《建筑结构荷载规范》GB50009-2001(2006年版)《铝合金门窗》GB/T8478-2008《建筑玻璃应用技术规程》JGJ113-2003《玻璃幕墙工程技术规范》JGJ102-2003《建筑结构静力计算手册(第二版)》钢铝叠合型门窗竖向杆件结构计算一、门窗承受荷载计算:标高为38.0m处风荷载计算W0:基本风压W0=0.45kN/m2βgz:38.0m高处阵风系数(按B类区计算)βgz=0.89×[1+(Z/10)-0.16]=1.609μz:38.0m高处风压高度变化系数(按B类区计算):(GB50009-2001)(2006年版)μz=(Z/10)0.32=(38.0/10)0.32=1.533μsl:局部风压体型系数(墙面区)1、板块1167.00mm×1700000.00mm=1983.90m2该处从属面积为:1983.90m2该处局部风压体型系数μsl=1.000风荷载标准值:Wk=βgz×μz×μsl×W0(GB50009-2001)(2006年版)=1.609×1.533×1.000×0.450=1.110kN/m2风荷载设计值:W:风荷载设计值(kN/m2)γw:风荷载作用效应的分项系数:1.4按《建筑结构荷载规范》GB50009-20013.2.5规定采用W=γw×Wk=1.4×1.110=1.554kN/m22、支承结构2334mm×4000mm=9.34m2该处从属面积为:9.34m2μsl(A)=μsl(1)+[μsl(10)-μsl(1)]×log(A)=-{1.0+[0.8×1.0-1.0]×0.970}=-0.806μsl=-0.806+(-0.2)=-1.006该处局部风压体型系数μsl=1.006风荷载标准值:Wk=βgz×μz×μsl×W0(GB50009-2001)(2006年版)=1.609×1.533×1.006×0.450=1.116kN/m2风荷载设计值:W:风荷载设计值(kN/m2)γw:风荷载作用效应的分项系数:1.4按《建筑结构荷载规范》GB50009-20013.2.5规定采用W=γw×Wk=1.4×1.116=1.563kN/m2二、门窗受力构件计算:(1)风荷载作用下受力构件弯矩的计算Wk:风荷载标准值:1.116kN/m2Mw:风荷载作用下受力构件的总弯矩标准值(kN·m)Hsk:受力构件受荷单元高:4.000(m)Wsk1:受力构件第一受荷单元宽:1.167(m)Wsk2:受力构件第二受荷单元宽:1.167(m)qsk1:受力构件在第一受荷单元作用下风荷载线分布最大荷载集度标准值(kN/m)qsk2:受力构件在第二受荷单元作用下风荷载线分布最大荷载集度标准值(kN/m)Mw1:受力构件在第一受荷单元作用下的弯矩(kN·m)Mw2:受力构件在第二受荷单元作用下的弯矩(kN·m)qsk1=Wk×Wsk1/2=1.116×1.167/2=0.651(kN/m)Ba:中间变量,为受荷单元短边的一半(m)Ba=Wsk1/2=0.584mMw1=(qsk1×Hsk2)×(3-4×Ba2/Hsk2)/24=(0.651×4.0002)×(3-4×0.5842/4.0002)/24=1.265kN·mqsk2=Wk×Wsk2/2=1.116×1.167/2=0.651(kN/m)Ba:中间变量,为受荷单元短边的一半(m)Ba=Wsk2/2=0.584mMw2=(qsk2×Hsk2)×(3-4×Ba2/Hsk2)/24=(0.651×4.0002)×(3-4×0.5842/4.0002)/24=1.265kN·mMw=Mw1+Mw2=2.530kN.m(2)风荷载作用下受力构件剪力的计算(kN)Qwk:风荷载作用下剪力标准值(kN)Qw1:受力构件在第一受荷单元作用下受到的剪力Qw2:受力构件在第二受荷单元作用下受到的剪力Qw1=qsk1×(Hsk+(Hsk-2×Ba))/2/2=0.651×(4.000+(4.000-2×0.584))/2/2=1.112kNQw2=qsk2×(Hsk+(Hsk-2×Ba))/2/2=0.651×(4.000+(4.000-2×0.584))/2/2=1.112kNQwk=Qw1+Qw2=2.224(3)选用型材的截面特性:叠梁型材A1部分型材参数:选用型材号:铝合金窗框型材强度设计值:fa=90.0N/mm2型材弹性模量:Ea=70000N/mm2X轴惯性矩:Iax=17.480cm4Y轴惯性矩:Iay=19.320cm4型材截面积:Aa=4.460cm2叠梁型材A2部分型材参数:选用型材号:80x80x2方钢管型材强度设计值:fs=215.0N/mm2型材弹性模量:Es=210000N/mm2X轴惯性矩:Isx=63.300cm4Y轴惯性矩:Isy=63.300cm4型材截面积:As=6.240cm2(4)型材的强度计算:A.叠梁型材A2部分承载力计算:A1部分承受弯矩设计值:MakN.mA1部分抵抗矩设计值:Wacm3A1部分应力设计值:σaN/mm2A2部分承受弯矩设计值:Ms2kN.mA2部分抵抗矩设计值:Wscm3A2部分应力设计值:σsN/mm2因为Ma/(Ea·I...

1、当您付费下载文档后,您只拥有了使用权限,并不意味着购买了版权,文档只能用于自身使用,不得用于其他商业用途(如 [转卖]进行直接盈利或[编辑后售卖]进行间接盈利)。
2、本站所有内容均由合作方或网友上传,本站不对文档的完整性、权威性及其观点立场正确性做任何保证或承诺!文档内容仅供研究参考,付费前请自行鉴别。
3、如文档内容存在违规,或者侵犯商业秘密、侵犯著作权等,请点击“违规举报”。

碎片内容

门窗结构计算书

确认删除?
VIP
微信客服
  • 扫码咨询
会员Q群
  • 会员专属群点击这里加入QQ群
客服邮箱
回到顶部