电脑桌面
添加小米粒文库到电脑桌面
安装后可以在桌面快捷访问

支吊架制作安装规范VIP免费

支吊架制作安装规范_第1页
1/5
支吊架制作安装规范_第2页
2/5
支吊架制作安装规范_第3页
3/5
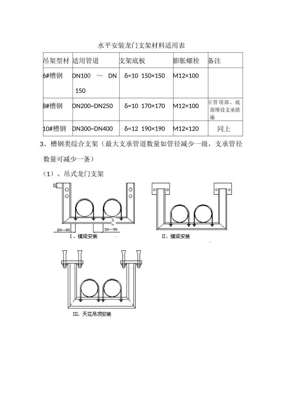
支吊架制作安装规范1、吊式龙门支架Ⅰ、横梁安装(一)Ⅱ、天花吊顶式Ⅲ、横梁安装吊式龙门支架材料适用表(同时适用于座地式)吊架型材适用管道支架底板膨胀螺栓6#槽钢DN200δ=10150×150M12×1008#槽钢DN250δ=10170×170M12×10010#槽钢DN300~DN400δ=12190×190M12×1202、水平龙门支架:水平安装龙门支架材料适用表吊架型材适用管道支架底板膨胀螺栓备注6#槽钢DN100~DN150δ=10150×150M12×1008#槽钢DN200~DN250δ=10170×170M12×100立管顶部、底部增设支承措施10#槽钢DN300~DN400δ=12190×190M12×120同上3、槽钢类综合支架(最大支承管道数量如管径减少一级,支承管径数量可减少一条)(1)、吊式龙门支架30吊式龙门支架材料适用表吊架型材最大支承管道数量支架底板膨胀螺栓10#槽钢DN200~DN250×2δ=12190×190M12×12012#槽钢DN300~DN400×2δ=12210×210M12×120(2)、座地龙门支架座地龙门支架材料适用表吊架型材最大支承管道数量支架底板膨胀螺栓10#槽钢DN200~DN250×2δ=12190×190M12×12012#槽钢DN300~DN400×2δ=12210×210M12×120水平龙门支架:30(3)、水平龙门支架(立管支架)水平龙门支架(立管支架)材料适用表吊架型材最大支承管道数量支架底板膨胀螺栓8#槽钢DN125~DN150×2δ=12210×210M12×12010#槽钢DN200~DN250×2δ=12230×230M12×12012#槽钢DN300~DN400×2δ=12250×250M12×1204、防晃支架(也可作为固定支架使用,其支架型材可套用同类支架相同)30Ⅰ型Ⅱ型

1、当您付费下载文档后,您只拥有了使用权限,并不意味着购买了版权,文档只能用于自身使用,不得用于其他商业用途(如 [转卖]进行直接盈利或[编辑后售卖]进行间接盈利)。
2、本站所有内容均由合作方或网友上传,本站不对文档的完整性、权威性及其观点立场正确性做任何保证或承诺!文档内容仅供研究参考,付费前请自行鉴别。
3、如文档内容存在违规,或者侵犯商业秘密、侵犯著作权等,请点击“违规举报”。

碎片内容

支吊架制作安装规范

您可能关注的文档

墨香书阁+ 关注
实名认证
内容提供者

热爱教学事业,对互联网知识分享很感兴趣

确认删除?
VIP
微信客服
  • 扫码咨询
会员Q群
  • 会员专属群点击这里加入QQ群
客服邮箱
回到顶部