电脑桌面
添加小米粒文库到电脑桌面
安装后可以在桌面快捷访问

住宅建筑工程混凝土工程施工方案VIP专享VIP免费

住宅建筑工程混凝土工程施工方案_第1页
1/26
住宅建筑工程混凝土工程施工方案_第2页
2/26
住宅建筑工程混凝土工程施工方案_第3页
3/26
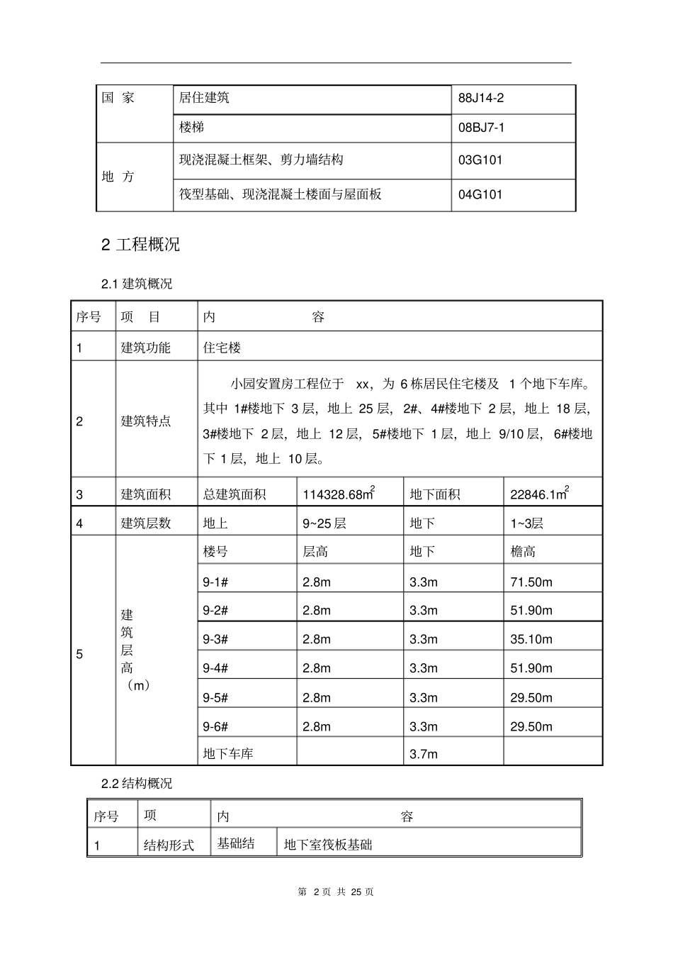
住宅建筑工程混凝土工程施工方案目录1.编制依据,,,,,,,,,,,,,,,,,,,,,,,,,,.11.1施工图纸,,,,,,,,,,,,,,,,,,11.2施工组织设计,,,,,,,,,,,,,,,,,,11.3有关规程、规范,,,,,,,,,,,,,,,,,,,11.4有关标准,,,,,,,,,,,,,,,,,,,,,11.5有关图集,,,,,,,,,,,,,,,,,,,12工程概况,,,,,,,,,,,,,,,,,,,22.1建筑概况,,,,,,,,,,,,,,,,,,,22.2结构概况,,,,,,,,,,,,,,,,,,,32.3主要参数,,,,,,,,,,,,,,,,,,,32.4流水段划分,,,,,,,,,,,,,,,,,,,63.施工安排,,,,,,,,,,,,,,,,,,,63.1施工部位及工期要求:,,,,,,,,,,,,,,,,,,,63.2混凝土供应方式及技术合同,,,,,,,,,,,,,,,63.3混凝土配合比,,,,,,,,,,,,,,,,,,,73.4混凝土泵送管的布置,,,,,,,,,,,,,,,,,,,73.5进场混凝土的验收及泵送控制,,,,,,,,,,,,,,,73.6加强混凝土试块管理,,,,,,,,,,,,,,,,,,,73.7强化施工现场商混施工质量监管,,,,,,,,,,,,,,,73.8劳动组织,,,,,,,,,,,,,,,,,,,84.施工准备,,,,,,,,,,,,,,,,,,,84.1技术准备,,,,,,,,,,,,,,,,,,,84.2机具准备,,,,,,,,,,,,,,,,,,,94.3材料准备,,,,,,,,,,,,,,,,,,,95.主要施工方法及措施,,,,,,,,,,,,,,,,,,,95.1混凝土的拌制,,,,,,,,,,,,,,,,,,,95.2混凝土的运输,,,,,,,,,,,,,,,,,,,95.3混凝土的浇筑,,,,,,,,,,,,,,,,,,,135.4防水混凝土:,,,,,,,,,,,,,,,,,,,175.5混凝土的养护,,,,,,,,,,,,,,,,,,,196.季节性施工的要求,,,,,,,,,,,,,,,,,,,237.允许偏差和检验方法,,,,,,,,,,,,,,,,,,,238.安全注意事项,,,,,,,,,,,,,,,,,,,24第1页共25页1.编制依据1.1棚改安置房小园地块定向安置房项目小园项目9地块施工图纸1.2棚改安置房小园地块定向安置房项目小园项目9地块施工组织设计1.3有关规程、规范序号名称编号1建筑工程冬期施工规程JGJ104—972混凝土泵送施工技术规程GB50204-20023混凝土外加剂GB8076—19974混凝土结构工程施工质量验收规范DBG01-51-2003号6建筑工程施工质量验收统一标准GB50300-20017混凝土质量控制标准GB50164-928混凝土矿物和料应用技术规程9商品混凝土质量管理规程10预防混凝土工程碱集料反应技术管理规程1.4有关标准类别名称编号国家混凝土强度检验评定标准GB/T50107—2010建筑工程施工质量验收统一标准GB50300-2001混凝土外加剂应用技术规范GB50119-2003混凝土结构工程施工质量验收规范GB50204-20021.5有关图集类别名称编号工程做法08BJ1-1第2页共25页国家居住建筑88J14-2楼梯08BJ7-1地方现浇混凝土框架、剪力墙结构03G101筏型基础、现浇混凝土楼面与屋面板04G1012工程概况2.1建筑概况序号项目内容1建筑功能住宅楼2建筑特点小园安置房工程位于xx,为6栋居民住宅楼及1个地下车库。其中1#楼地下3层,地上25层,2#、4#楼地下2层,地上18层,3#楼地下2层,地上12层,5#楼地下1层,地上9/10层,6#楼地下1层,地上10层。3建筑面积总建筑面积114328.68m2地下面积22846.1m24建筑层数地上9~25层地下1~3层5建筑层高(m)楼号层高地下檐高9-1#2.8m3.3m71.50m9-2#2.8m3.3m51.90m9-3#2.8m3.3m35.10m9-4#2.8m3.3m51.90m9-5#2.8m3.3m29.50m9-6#2.8m3.3m29.50m地下车库3.7m2.2结构概况序号项内容1结构形式基础结地下室筏板基础第3页共25页主要构件尺寸结构厚度(mm)基础底板厚度850mm(1#楼)、700mm(2#、4#楼)、600mm(3#、5#、6#楼、车库)墙厚160、200、210、240、250、510、570mm顶板厚度100、120、140、150、160、180mm2.3主要参数2.3.1混凝土强度等级(具体部位及强度以施工图纸为准)9-1#楼混凝土强度等级构件名称位置混凝土等级耐久性要求基础底板地下层C35/P8二b挡土外墙地下层C35/P8二b人防顶板地下层C35/P8二b上部有覆土顶板地下层C35/P8二b混凝土水池地下层C35/P8二b其余主体结构地下层C35一垫层C15一墙、连梁、框架梁9-1楼1-6C35一主体结钢筋混凝土剪力墙结构屋盖结普通现浇钢筋混凝土楼盖2地下防水混凝土地下室底板、地下外墙、人防地下室顶板、上部有覆土的地下室顶板,消防水池采用防水混凝土,抗柔性防SBS改性沥青卷材防水层回填素土、3:7灰土分层夯实3抗震等级抗震设八度4防火设计分一类5防火等级地下一级地上二级(9-1#楼为一级)第4页共25页柱、框支梁柱其余各层C30一楼、屋面板地...

1、当您付费下载文档后,您只拥有了使用权限,并不意味着购买了版权,文档只能用于自身使用,不得用于其他商业用途(如 [转卖]进行直接盈利或[编辑后售卖]进行间接盈利)。
2、本站所有内容均由合作方或网友上传,本站不对文档的完整性、权威性及其观点立场正确性做任何保证或承诺!文档内容仅供研究参考,付费前请自行鉴别。
3、如文档内容存在违规,或者侵犯商业秘密、侵犯著作权等,请点击“违规举报”。

碎片内容

住宅建筑工程混凝土工程施工方案

确认删除?
VIP
微信客服
  • 扫码咨询
会员Q群
  • 会员专属群点击这里加入QQ群
客服邮箱
回到顶部