电脑桌面
添加小米粒文库到电脑桌面
安装后可以在桌面快捷访问

供应商管理体系VIP免费

供应商管理体系_第1页
1/14
供应商管理体系_第2页
2/14
供应商管理体系_第3页
3/14
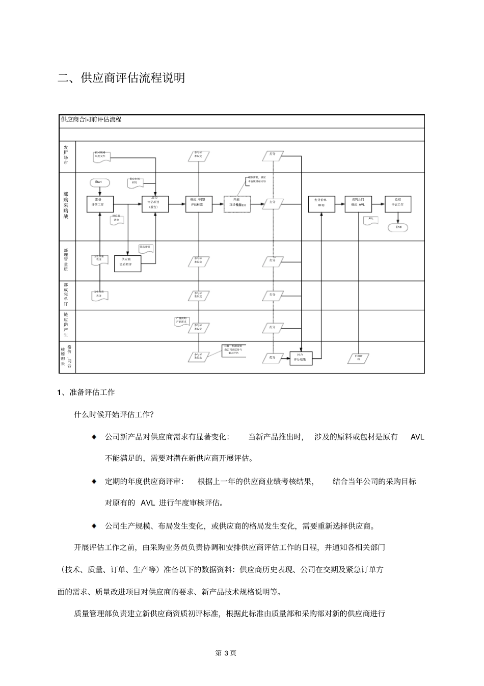
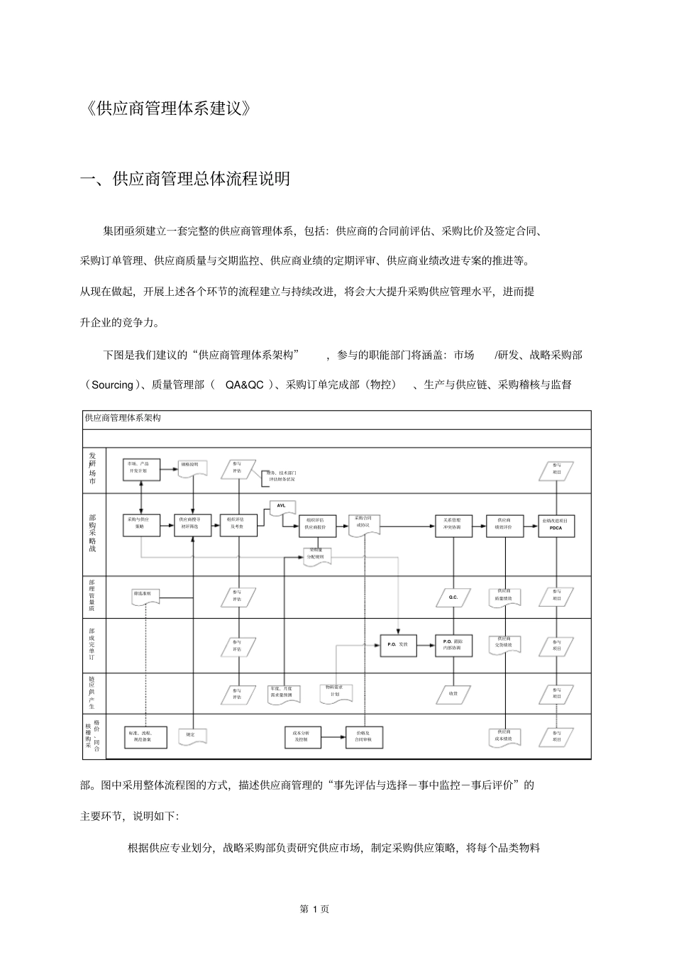
第1页《供应商管理体系建议》一、供应商管理总体流程说明集团亟须建立一套完整的供应商管理体系,包括:供应商的合同前评估、采购比价及签定合同、采购订单管理、供应商质量与交期监控、供应商业绩的定期评审、供应商业绩改进专案的推进等。从现在做起,开展上述各个环节的流程建立与持续改进,将会大大提升采购供应管理水平,进而提升企业的竞争力。下图是我们建议的“供应商管理体系架构”,参与的职能部门将涵盖:市场/研发、战略采购部(Sourcing)、质量管理部(QA&QC)、采购订单完成部(物控)、生产与供应链、采购稽核与监督部。图中采用整体流程图的方式,描述供应商管理的“事先评估与选择-事中监控-事后评价”的主要环节,说明如下:根据供应专业划分,战略采购部负责研究供应市场,制定采购供应策略,将每个品类物料供应商管理体系架构采购稽核合同、价格生产/供应链订单完成部质量管理部战略采购部市场/研发市场、产品开发计划筛选准则标准、流程、规范备案组织评估及考查参与评估参与评估参与评估AVL组织评估供应商报价采购与供应策略供应商搜寻初评筛选采购量分配规则年度、月度需求量预测成本分析及控制价格及合同审核采购合同或协议物料需求计划P.O.发放P.O.跟踪内部协调关系管理冲突协调Q.C.收货供应商质量绩效供应商交货绩效供应商成本绩效供应商绩效评价业绩改进项目PDCA参与项目参与项目参与项目参与项目参与项目参与评估财务、技术部门评估财务状况规格说明规定第2页按照年度采购总量(以金额)及供应风险程度进行细分,依据采购策略“四象限方法”,确定每类物料的采购策略。市场及产品开发部门,根据市场及客户研究开发产品,向采购部门提交“采购需求规格说明”,这是采购搜寻工作的起点。公司应建立“采购早期介入产品研发”的过程,对研发过程中可能的新物料需求,及时研判供应市场,对量产后的供应风险提出意见。集团采购中心应定期(按年度/季度)汇总“唯一供应商清单SVL”,并将SVL的采购量、绩效QCDS(质量、成本、交期、服务)提交给高层管理者。供应商搜寻、初评与筛选:采购工程师在市场分析的基础上,运用网络、媒体广告、产品推介会、供应商上门拜访、内部及外部引荐等各种渠道,获取来源信息。所有的潜在供应来源都应依据“筛选准则”进行初选。筛选准则是由企业高层、企管部、质量部等制定的对供应商的基本需求,筛选的标准应是合理、公正、符合法规要求、经营理念一致等。对候选的供应商进行评估,并进行比价选择。确定合格供应商名单AVL,以及对AVL供应商的采购量分配规则,例如:按订货比例、按照区域等。详细的流程参见“供应商评估流程说明”。所有规则之外的订单发放,都应该经过战略采购部的审批。合同中的监控主要由“质量管理部”及“采购订单完成部”履行,战略采购工程师负责协调,解决冲突。战略采购部对供应商的成本、交期、质量、服务所有指标负责。供应商绩效评价是定期开展的,一般为季度或年度。供应商的表现评价是来自质量控制、订单稽催、用户反馈等客观的数据,对供应商的评级、授牌等,也要依据这些客观的结果。供应商的评价过程应该是独立的(依据各部门人员的客观判定,不应受其他人的评判结果影响)、透明的。供应商业绩改善专案(项目)是急需建立的制度,并将项目的参与及表现做为企业所有职能的绩效之一:企业采购及供应管理的改进,依赖于多个部门的配合。第3页二、供应商评估流程说明1、准备评估工作什么时候开始评估工作?公司新产品对供应商需求有显著变化:当新产品推出时,涉及的原料或包材是原有AVL不能满足的,需要对潜在新供应商开展评估。定期的年度供应商评审:根据上一年的供应商业绩考核结果,结合当年公司的采购目标对原有的AVL进行年度审核评估。公司生产规模、布局发生变化,或供应商的格局发生变化,需要重新选择供应商。开展评估工作之前,由采购业务员负责协调和安排供应商评估工作的日程,并通知各相关部门(技术、质量、订单、生产等)准备以下的数据资料:供应商历史表现、公司在交期及紧急订单方面的需求、质量改进项目对供应商的要求、新产品技术规格说明等。质量管理部负责建立新供...

1、当您付费下载文档后,您只拥有了使用权限,并不意味着购买了版权,文档只能用于自身使用,不得用于其他商业用途(如 [转卖]进行直接盈利或[编辑后售卖]进行间接盈利)。
2、本站所有内容均由合作方或网友上传,本站不对文档的完整性、权威性及其观点立场正确性做任何保证或承诺!文档内容仅供研究参考,付费前请自行鉴别。
3、如文档内容存在违规,或者侵犯商业秘密、侵犯著作权等,请点击“违规举报”。

碎片内容

供应商管理体系

您可能关注的文档

确认删除?
VIP
微信客服
  • 扫码咨询
会员Q群
  • 会员专属群点击这里加入QQ群
客服邮箱
回到顶部