电脑桌面
添加小米粒文库到电脑桌面
安装后可以在桌面快捷访问

停车场泊位设计数学模型剖析VIP免费

停车场泊位设计数学模型剖析_第1页
1/18
停车场泊位设计数学模型剖析_第2页
2/18
停车场泊位设计数学模型剖析_第3页
3/18
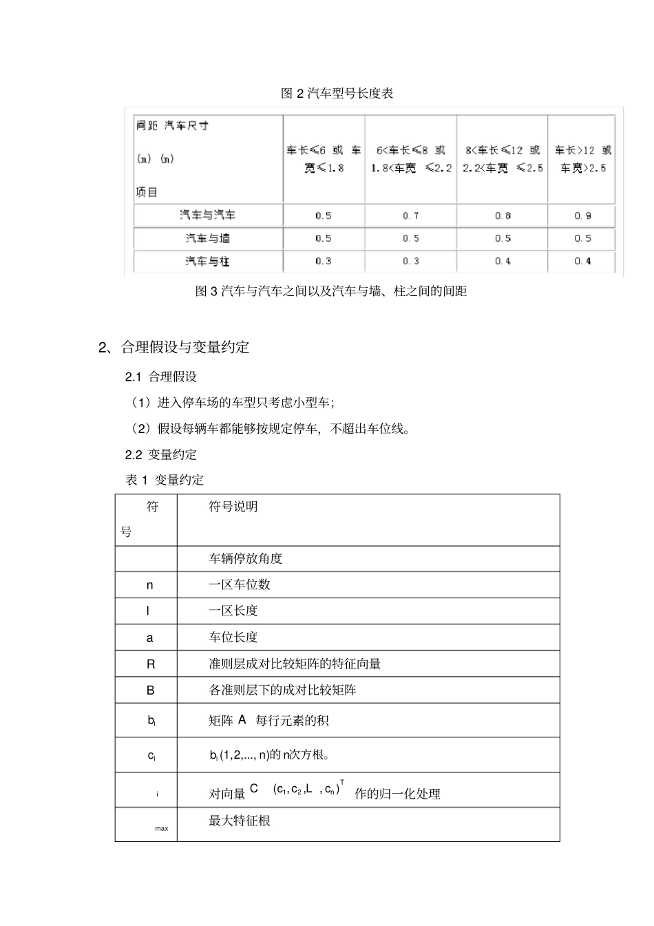
停车场的泊位设计数学建模学号:1407022046班级:14数学与应用数学2班姓名:刘桃摘要:“停车场的泊位设计”数学模型是利用数学模型的计算来规划出一种使用更合理、利用率高的停车场车位停泊方案。近几年来,随着人们生活水平的提高,私家车的数量越来越多,汽车的停泊就成为一个越来越重要的问题,如果汽车停泊问题不能合理的解决,将会影响到汽车的使用。许多大型公司或者是商场门前,都设有自己的停车场,停车场的面积是有限的,而我们希望的就是在这有限的面积内尽可能停放更多的汽车。当然,停放尽可能多的汽车只是建造停车场时一个需要解决的问题,一个比较成功的停车场还需要具备的就是良好的汽车疏导能力,这就需要在停车场设计时更合理的安排汽车的停放位置。当停车场面积一定的时候,合理安排空间使得更多的车辆能够停泊进来。此次建立的模型是通过探究车辆停放角度与停车场面积的方程,继而对面积函数进行求解,得到车位最佳设计角度,解出2300*100m的停车场最佳泊位情况,进而推广到一般的2*stm,同时对车型进行分类,分别计算小轿车、小型车、大型车三种停车情况。关键词:车辆停放角度;层次分析;最优方案。正文1、问题重述1.1自20世纪90年代以来,我国经济呈现出持续高速发展态势,家用小汽车更以惊人的发展速度进入普通居民家庭。但人们在享受汽车所带来的便利和快捷的同时,又必须面对由此所引发的一系列问题,其中停车问题就是越来越突出的问题之一。停车场泊车位规划是指在有限的空间区域内,设计车位布局,尽可能多地发挥空间效率与时间效率。停车泊位设计考虑的因素较多,如平均车位占面积,车辆出入泊位难易程度,停车场内部道路畅通程度等等。请设计一个完整的指标体系对停车场效度进入评价。现有如图1所示的停车场,请你设计该停车场的泊车位设计方案;如果图1中的停车场宽度和长度分别为未知量,st米,请你重新设计你的方案。100米300米3米车辆出入口停车场图1某地面停车场示意图1.2停车场的整体规划。停车场在车库中出出入入,如果没有一个合理的整体规划,那么汽车出入的效率将会很低,这不是一个合理的停车场应出现的。什么样的规划才是比较合适的方案呢?不同的车型停车方案又是什么样的呢?图2汽车型号长度表图3汽车与汽车之间以及汽车与墙、柱之间的间距2、合理假设与变量约定2.1合理假设(1)进入停车场的车型只考虑小型车;(2)假设每辆车都能够按规定停车,不超出车位线。2.2变量约定表1变量约定符号符号说明车辆停放角度n一区车位数l一区长度a车位长度R准则层成对比较矩阵的特征向量B各准则层下的成对比较矩阵ib矩阵A每行元素的积ic(1,2,...,)ibnn的次方根。i对向量12(,,,)TnCcccL作的归一化处理max最大特征根iU准则层第i个因素的模糊综合评价向量iR准则层各因素的权向量3、模型建立考虑到汽车从通车道驶入车位一般得转弯,所以车辆的最小转弯半径也是停车场设计所要考虑的重要参数。所谓最小转弯半径,就是汽车转弯时转向中心到汽车外侧转向车轮轨迹间的最小距离。根据实际调查,可设小轿车的最小转弯半径为15.5C米,与此同时,汽车转弯时转向中心到汽车内侧转向车轮轨迹间的最小距离为211.73.8CC米,如图4所示。对于每一个车位,为了便于该车位上的小轿车自由进出,必须有一条边是靠通道的,设该矩形停车位的长边与通道的夹角为(0)2,其中2便是车辆垂直从通道驶入车位,0就是车辆从通道平行驶入车位,即平时所说的平行泊车。为了留出通道空间和减少停车面积,显然,我们可以假设该通道中的所有车位都保持着和该车位相同的角度平行排列,如图5所示。1C2C图4图5上图中,小轿车是自东向西行驶顺时针转弯角度驶入车位的。我们来具体研究一下小轿车驶入车位的情况,见图3,其中1C为最小转弯半径,R为通道的最小宽度。我们假定小轿车的最外端在半径为1C的圆周上行驶,且此时轿车的最内端在半径为2C的圆周上随之移动,然后以角度进入停车位,所以通道的最小宽度12cosRCC。在保证车辆能够自由进出的前提下,本着要求通道宽度尽量小的原则,我们来看一下一排车位之间的各个数据,见图7。西东θ1C2Cθ图6R4、模型求解4.1小轿车停车位最佳角度的求解每辆车均...

1、当您付费下载文档后,您只拥有了使用权限,并不意味着购买了版权,文档只能用于自身使用,不得用于其他商业用途(如 [转卖]进行直接盈利或[编辑后售卖]进行间接盈利)。
2、本站所有内容均由合作方或网友上传,本站不对文档的完整性、权威性及其观点立场正确性做任何保证或承诺!文档内容仅供研究参考,付费前请自行鉴别。
3、如文档内容存在违规,或者侵犯商业秘密、侵犯著作权等,请点击“违规举报”。

碎片内容

停车场泊位设计数学模型剖析

您可能关注的文档

确认删除?
VIP
微信客服
  • 扫码咨询
会员Q群
  • 会员专属群点击这里加入QQ群
客服邮箱
回到顶部