电脑桌面
添加小米粒文库到电脑桌面
安装后可以在桌面快捷访问

光纤收发器质量检验要求VIP免费

光纤收发器质量检验要求_第1页
1/3
光纤收发器质量检验要求_第2页
2/3
光纤收发器质量检验要求_第3页
3/3
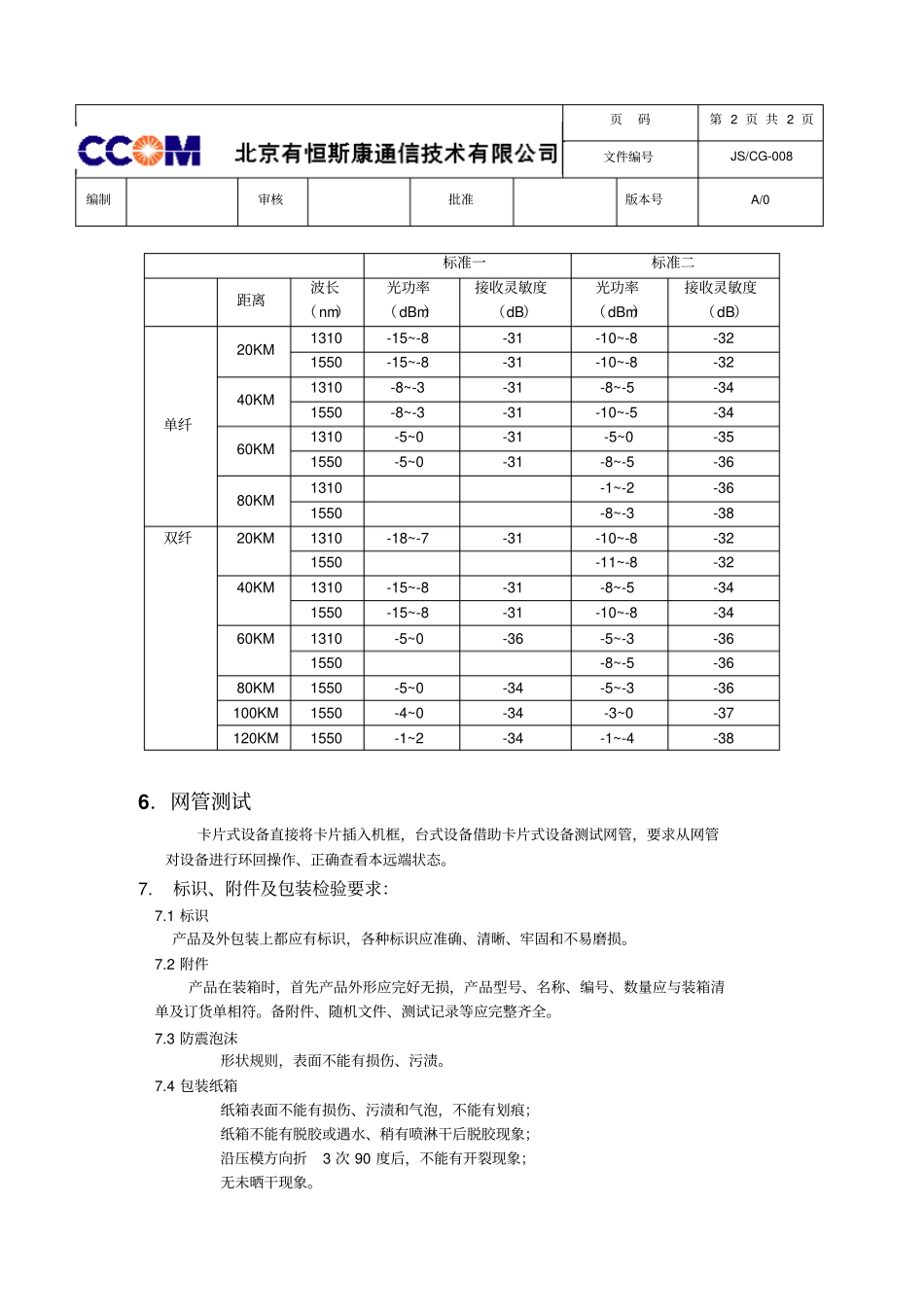
页码第1页共2页文件编号JS/CG-008编制审核批准版本号A/0光纤收发器质量检验要求1.机壳外观检验要求:机壳结构尺寸准确,金属板材及折弯平直,不能有弯曲、变形;机壳的金属表面喷涂均匀,不能有肉眼可看得出的气泡或者过薄或过厚的现象;上面、两侧面、前面不能有大于1厘米的划痕2个以上,底面不能有大于3厘米的划痕2个以上,不能有污垢、掉漆;接插口结构尺寸准确,不能有歪斜现象;机壳脚垫平直,破损、歪斜、折弯现象,机壳放在桌面时必须平稳,不能有晃动。各种丝印清晰准确、牢固、完整,用手轻抹无模糊现象。2.装配检验要求:电路板丝印清晰、准确,标识符号齐全、正确;接插件必须焊接到位;焊接要无假焊、漏焊、错焊,无不正规飞线;如果电路板有装配导轨,用电路板在相应的导轨上抽拉,必须能到位,并且平滑没有较大阻力;光模块应该用光纤帽盖住,以防落入尘土。3.指示灯、按键和拨码检验要求指示灯加电后应该能根据设备性能正常闪灭;按键测试功能正常,并且能够顺利弹起,拨码设置能指示正确的速率状态。按键和拨码在出厂时应都指示在出厂值。4.以太口要求4.1丢包率测试ping20个65500byte窗口,测试60秒,丢包率为0。需100%测试。5.光接口要求5.1平均发送光功率和接收灵敏度的测试,由于不同厂家生产的光模块标准不同,故对其分别作出规定,其值应满足表1的要求(见表1),需100%测试。武汉电信及深圳飞通光模块见标准一,华敏光模块见标准二:表1光接口主要指标页码第2页共2页文件编号JS/CG-008编制审核批准版本号A/0标准一标准二距离波长(nm)光功率(dBm)接收灵敏度(dB)光功率(dBm)接收灵敏度(dB)单纤20KM1310-15~-8-31-10~-8-321550-15~-8-31-10~-8-3240KM1310-8~-3-31-8~-5-341550-8~-3-31-10~-5-3460KM1310-5~0-31-5~0-351550-5~0-31-8~-5-3680KM1310-1~-2-361550-8~-3-38双纤20KM1310-18~-7-31-10~-8-321550-11~-8-3240KM1310-15~-8-31-8~-5-341550-15~-8-31-10~-8-3460KM1310-5~0-36-5~-3-361550-8~-5-3680KM1550-5~0-34-5~-3-36100KM1550-4~0-34-3~0-37120KM1550-1~2-34-1~-4-386.网管测试卡片式设备直接将卡片插入机框,台式设备借助卡片式设备测试网管,要求从网管对设备进行环回操作、正确查看本远端状态。7.标识、附件及包装检验要求:7.1标识产品及外包装上都应有标识,各种标识应准确、清晰、牢固和不易磨损。7.2附件产品在装箱时,首先产品外形应完好无损,产品型号、名称、编号、数量应与装箱清单及订货单相符。备附件、随机文件、测试记录等应完整齐全。7.3防震泡沫形状规则,表面不能有损伤、污渍。7.4包装纸箱纸箱表面不能有损伤、污渍和气泡,不能有划痕;纸箱不能有脱胶或遇水、稍有喷淋干后脱胶现象;沿压模方向折3次90度后,不能有开裂现象;无未晒干现象。

1、当您付费下载文档后,您只拥有了使用权限,并不意味着购买了版权,文档只能用于自身使用,不得用于其他商业用途(如 [转卖]进行直接盈利或[编辑后售卖]进行间接盈利)。
2、本站所有内容均由合作方或网友上传,本站不对文档的完整性、权威性及其观点立场正确性做任何保证或承诺!文档内容仅供研究参考,付费前请自行鉴别。
3、如文档内容存在违规,或者侵犯商业秘密、侵犯著作权等,请点击“违规举报”。

碎片内容

光纤收发器质量检验要求

您可能关注的文档

确认删除?
VIP
微信客服
  • 扫码咨询
会员Q群
  • 会员专属群点击这里加入QQ群
客服邮箱
回到顶部