电脑桌面
添加小米粒文库到电脑桌面
安装后可以在桌面快捷访问

六要素自动站技术方案VIP免费

六要素自动站技术方案_第1页
1/9
六要素自动站技术方案_第2页
2/9
六要素自动站技术方案_第3页
3/9
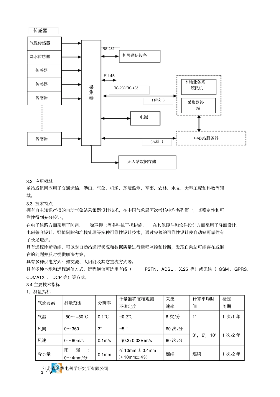
1/9江苏省无线电科学研究所有限公司六要素自动站技术方案2/9江苏省无线电科学研究所有限公司区域自动气象站详细描述1、概述现代化综合性气象观测自动化进行设计,它覆盖了大部分目前能够实现自动观测的气象观测要素,观测范围包括基本或常规气象要素、特种气象要素等,目标是建成国内领先、跟踪国际先进水平的现代化、综合性地面气象观测场。为保证地面气象观测的长期稳定和测量的准确度,本系统所使用的硬件设备均为我公司定型产品或成熟使用产品。地面气象观测业务是一个不断变化的过程,系统充分考虑了业务发展的需要;系统在功能设计时必须考虑为业务的变化留有余地。系统必须具有较强的可扩展性和对需求变化的自适应能力,以适应业务管理内容和工作流程变化造成的系统需求的变化。2系统组成2.1系统拓扑图3ZQZ-CⅡ-S自动气象站产品详细描述3.1概述ZQZ—CⅡ-S型自动气象站是经中国气象局组织研制并设计定型的自动气象站。其中区域自动气象站是该系列自动气象站中的经济型版本;该设备整体为野外型设计;可观测的气象要素有:风向、风速、温度、湿度、气压和雨量。系统组成见下图:3/9江苏省无线电科学研究所有限公司3.2应用领域单站或组网应用于交通运输、港口、气象、机场、环境监测、军事、农林、水文、大型工程和科教等领域。3.3技术特点拥有自主知识产权的自动气象站采集器设计技术,在中国气象局历次考核中均名列第一,其稳定性和可靠性得到充分验证。在电子线路方面采用了防雷、噪声抑止等多种抗干扰措施,在其他硬件和软件设计方面采用了降额设计、电磁兼容设计、野值剔除和堆栈处理等多种可靠性设计技术,通过完善的可靠性设计使自动站可靠性有了长足进步。具有远程诊断功能,可以对自动站运行状况和数据质量进行远程监控和诊断,发现自动站可能存在或潜在的问题并及时提供解决方案。具有多种供电方式:如交流、太阳能及其它直流方式等。具有多种本地和远程通信方式,远程通信可选用有线(PSTN、ADSL、X.25等)或无线(GSM、GPRS、CDMA1X、DCP等)等方式。3.4主要技术指标1、测量指标气象要素测量范围分辨率计量准确度和观测不确定度采集速率计算平均时间检定周期气温-50~+50℃0.1℃±0.2℃6次/分1'1次/1年风向0~360°3°±5°60次/分3",2',10'1次/2年风速0~60m/s0.1m/s±(0.3+0.03V)m/s60次/分降水量雨强:0~4mm/分0.1mm≤10mm:±0.4mm>10mm:±4%连续连续1次/2年中心站服务器采集器终端本地业务系统微机(有线)(无线)传感器RJ-45RS-232/RS-485RS-232采集器电源气温传感器扩展通信设备降水传感器传感器传感器传感器传感器无人站数据存储4/9江苏省无线电科学研究所有限公司湿度0~100%RH1%RH3%RH(≤80%RH);5%RH(>80%RH)6次/分1'1次/1年气压400~1100hpa0.1hpa±0.3hpa6次/分1'1次/1年注:①资料的缺测率和粗差率小于1%。②风向风速的其它指标:启动风速距离常数阻尼比抗风强度风向<0.5m/s<2m>0.475m/s风速<0.5m/s<5m/75m/s2、可靠性:本设备的平均无故障工作时间不少于5000小时,有数据质量监控、自检、诊断功能,具有长期稳定的工作状态。3、安全性:符合GB/T6587.7对Ⅰ类安全仪器的规定4、可维修性:真正积木式结构,各组成单元具有任意互换性;5、使用环境条件:室外条件:温度:-50℃~+60℃相对湿度:0~100%(在降水条件(含固态和液态)下正常使用)抗风:75m/s自带避雷装置防腐蚀、抗干扰、安全防水等级:IP65级雷击试验:选择的试验波形为1.2/50μs,峰值为2kV;6、时钟走时精度:月累计误差≤15秒。7、通信方式:可直接用标准RS-232/485接口传输数据,也可通过GPRS/CDMA传输数据。5/9江苏省无线电科学研究所有限公司8、高智能数据采集器ZQZ-CⅡ-S六要素区域自动气象站配备了ZQZ-F型高智能数据采集器作为核心;该采集器采用uc/os操作系统;预留多个备用接口,应用更灵活。特点:※32位操作系统;※24位高精度模-数转换;※自持式高精度实时时钟;月误差小于15s;支持GPS授时。※双重信号通道保护。※为保证准确测量,在时间和温度变化时,系统自标定※以文件方式存储观测记录※8M工业级闪存,支持掉电保护功;※状态监测:主板温度测量、工作电压监测;可连...

1、当您付费下载文档后,您只拥有了使用权限,并不意味着购买了版权,文档只能用于自身使用,不得用于其他商业用途(如 [转卖]进行直接盈利或[编辑后售卖]进行间接盈利)。
2、本站所有内容均由合作方或网友上传,本站不对文档的完整性、权威性及其观点立场正确性做任何保证或承诺!文档内容仅供研究参考,付费前请自行鉴别。
3、如文档内容存在违规,或者侵犯商业秘密、侵犯著作权等,请点击“违规举报”。

碎片内容

六要素自动站技术方案

确认删除?
VIP
微信客服
  • 扫码咨询
会员Q群
  • 会员专属群点击这里加入QQ群
客服邮箱
回到顶部