电脑桌面
添加小米粒文库到电脑桌面
安装后可以在桌面快捷访问

功率放大器地制作与调试教学设计课题VIP免费

功率放大器地制作与调试教学设计课题_第1页
1/12
功率放大器地制作与调试教学设计课题_第2页
2/12
功率放大器地制作与调试教学设计课题_第3页
3/12
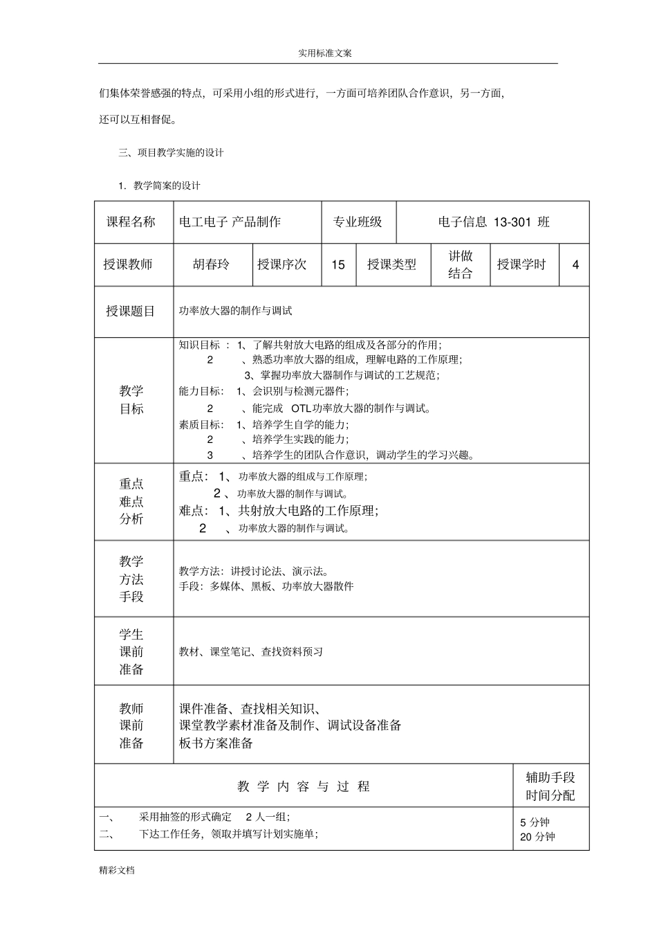
实用标准文案精彩文档《功率放大器的制作与调试》项目教学设计黑龙江职业学院胡春玲一、项目教学设计所体现的教育教学理念1.体现能力本位将职业生涯教育渗透于专业课程的教学过程中,通过职业技能与专业知识有机结合,在增强学生专业能力的基础上,着力培养学生职业欲望、职业追求与职业理想,促进良好职业素养的形成,通过对共射放大电路的研究性实验,激发和提高学生开展研究性学习的动机与能力,从而提高学生专业能力、方法能力和社会能力等综合职业能力。2.突出实践主线课程实施紧紧围绕项目和任务来开展,充分体现任务引领、行为导向的项目化课程的思想。以常用电子仪器仪表、典型电子线路为载体,按电子工艺要求展开教学,让学生在掌握电路装接与调试技能的同时,引出相关专业理论知识,使学生在技能训练过程中加深对专业知识的理解。使学生在做的过程中理解功率放大器原理,真正做到“做中教,做中学。”3.彰显以人为本教学目标的确立将学生学习基础和课程标准有机结合;课程实施的过程符合高职学生形象思维能力强的特点,突出以教师为主导、学生为主体的教育教学理念,贯彻“做中教,做中学”的主导思想;教学效果的评价体现过程性、特质性和发展性等多元评价思想。二、项目教学设计的背景分析《功率放大器的制作与调试》项目教学设计方案是依据《电工电子一体化教程》中项目三编写的。在学习该内容之前,学生已经掌握了示波器、万用表、直流毫安表等仪器仪表的使用方法及电子元器件的检验及电路板的焊接等方法。同时,学生对电压放大器的组成与工作原理也有一定的了解。课堂教学的课时为4学时,以连堂形式在一体化教室中进行。三、学情分析高职学生由于基础知识不好,良好的学习习惯没有养成,所以,对于理论知识不感兴趣,也不易接受,为了调动他们的学习积极性,应采用做中教,做中学的方法,使他们对知识的接受方式由感性认识变理性认识,以调动他们的学习积极性。另外,在教学过程中,利用他实用标准文案精彩文档们集体荣誉感强的特点,可采用小组的形式进行,一方面可培养团队合作意识,另一方面,还可以互相督促。三、项目教学实施的设计1.教学简案的设计课程名称电工电子产品制作专业班级电子信息13-301班授课教师胡春玲授课序次15授课类型讲做结合授课学时4授课题目功率放大器的制作与调试教学目标知识目标:1、了解共射放大电路的组成及各部分的作用;2、熟悉功率放大器的组成,理解电路的工作原理;3、掌握功率放大器制作与调试的工艺规范;能力目标:1、会识别与检测元器件;2、能完成OTL功率放大器的制作与调试。素质目标:1、培养学生自学的能力;2、培养学生实践的能力;3、培养学生的团队合作意识,调动学生的学习兴趣。重点难点分析重点:1、功率放大器的组成与工作原理;2、功率放大器的制作与调试。难点:1、共射放大电路的工作原理;2、功率放大器的制作与调试。教学方法手段教学方法:讲授讨论法、演示法。手段:多媒体、黑板、功率放大器散件学生课前准备教材、课堂笔记、查找资料预习教师课前准备课件准备、查找相关知识、课堂教学素材准备及制作、调试设备准备板书方案准备教学内容与过程辅助手段时间分配一、采用抽签的形式确定2人一组;二、下达工作任务,领取并填写计划实施单;5分钟20分钟实用标准文案精彩文档三、按照计划实施单填写材料工具清单,并领取材料及工具;四、元器件的识别、检测及各部分原理的介绍;五、各部分元器件的焊接、整机调试、故障检测及整机组装;六、归还工具,及场地清理;七、填写本项目的评价单;八、填写本项目的教学反馈单。相关知识链接:一、共射放大电路的组成及各部分作用各元器件的作用:三极管:它是放大电路的核心,起电流放大作用。直流电源:它使三极管工作在放大状态,并且为整个电路提供能量。集电极电阻:将三极管的集电极电流转变为集电极电压。基极电阻:为放大电路提供合适的静态工作点。同时与基极、发射极、直流电源构成输入回路。耦合电容:一方面隔断直流,另一发面是传送交流信号。二、共射基本放大电路的静态工作点放大器的工作状态:静态和动态。动态:放大电路有交流信号输入,电路...

1、当您付费下载文档后,您只拥有了使用权限,并不意味着购买了版权,文档只能用于自身使用,不得用于其他商业用途(如 [转卖]进行直接盈利或[编辑后售卖]进行间接盈利)。
2、本站所有内容均由合作方或网友上传,本站不对文档的完整性、权威性及其观点立场正确性做任何保证或承诺!文档内容仅供研究参考,付费前请自行鉴别。
3、如文档内容存在违规,或者侵犯商业秘密、侵犯著作权等,请点击“违规举报”。

碎片内容

功率放大器地制作与调试教学设计课题

您可能关注的文档

确认删除?
VIP
微信客服
  • 扫码咨询
会员Q群
  • 会员专属群点击这里加入QQ群
客服邮箱
回到顶部