电脑桌面
添加小米粒文库到电脑桌面
安装后可以在桌面快捷访问

脚手架搭设的技术要求、允许偏差与检验方法VIP免费

脚手架搭设的技术要求、允许偏差与检验方法_第1页
1/7
脚手架搭设的技术要求、允许偏差与检验方法_第2页
2/7
脚手架搭设的技术要求、允许偏差与检验方法_第3页
3/7
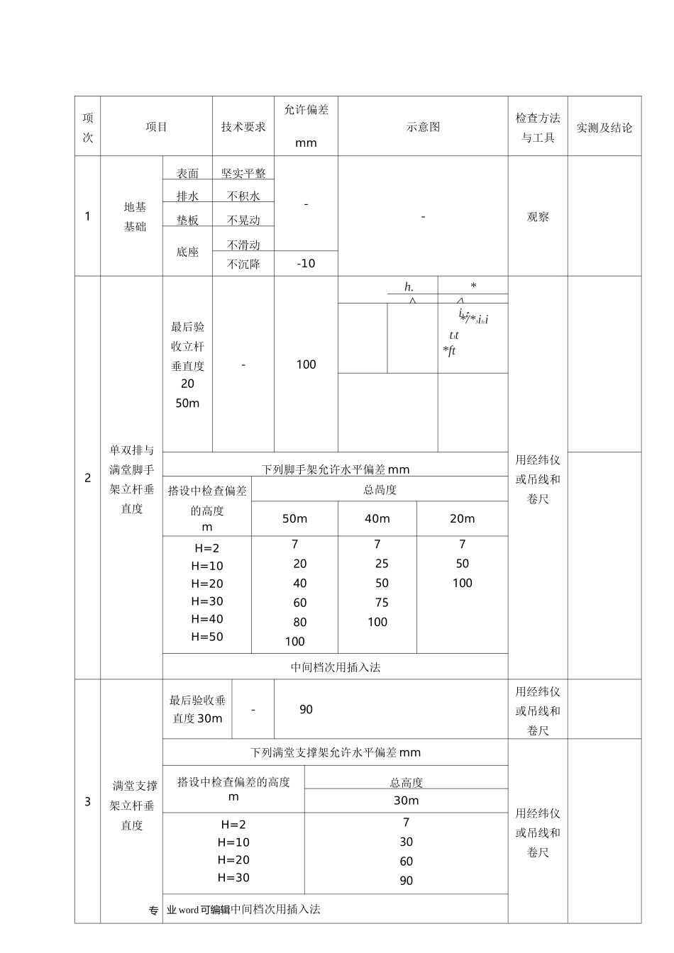
专业word可编辑脚手架搭设检查验收表项次项目技术要求允许偏差mm示意图检查方法与工具实测及结论1地基基础表面坚实平整--观察排水不积水垫板不晃动底座不滑动不沉降-102单双排与满堂脚手架立杆垂直度最后验收立杆垂直度2050m-100h.*用经纬仪或吊线和卷尺△△if;*/*JifritJt*ft下列脚手架允许水平偏差mm搭设中检查偏差的高度m总咼度50m40m20mH=2H=10H=20H=30H=40H=507204060801007255075100750100中间档次用插入法3满堂支撑架立杆垂直度专最后验收垂直度30m-90用经纬仪或吊线和卷尺下列满堂支撑架允许水平偏差mm用经纬仪或吊线和卷尺搭设中检查偏差的高度m总高度30mH=2H=10H=20H=307306090业word可编辑中间档次用插入法专业word可编辑续表1项次项目技术要求允许偏差mm示丿意、图检查方法与工具实测及结论单双排m步距204满堂纵距50一钢板尺脚手m横距20架间距m满堂m步距205支撑纵距30一钢板尺架间m距横距m一根杆的二两端-20:2—A—纵向TaJ*la46水平水平仪或杆高水平尺差同跨内两iG根纵向水-10ADv平杆高差7剪刀撑斜杆与45-60角尺地面的倾角a=130-1-脚手150cac板外<►8伸长对接mm-l<30卷尺l度300mm续表2扣件安装技术要求允许偏差mm主节点处各扣件中心点相互距离a150mm同步立杆上两个相隔对接扣件的高差a500mm立杆上的对接扣件至主节点的距离ah/3项目—1ata:检查方法与工具实测及结论钢板尺钢卷尺专业word可编辑专业word可编辑纵向水平杆上的对接扣件至主节点的距离a丨/3a-1钢卷尺a2/'la—r扣件螺栓拧紧扭力矩4065N.m--扭力扳手续表3项次项目技术要求检查方法与工具实测及结论10安全防护防护栏杆上栏杆上皮咼度为1.2m中间栏杆居中设置钢卷尺挡脚板咼度不小于180安全网外侧满挂密目式安全网不留间隙施工层以下每隔10m的防护设施11连墙件布设脚手架高度竖向间距h水平间距la每根连墙件覆盖面积钢卷尺双排503h3la40>502h3la27单排243h3la4012斜道运料斜道宽度不小于1.5m坡度为16钢卷尺人行斜道宽度不小于1.0m坡度为13专业word可编辑验收意见签名年月日整改复查结论签名年月日备注一图中1-立杆2-纵向水平杆3-横向水平杆4-剪刀撑二脚手架及其地基基础应在下列阶段进行检查与验收1基础完工后及脚手架搭设前2作业层上施加荷载前3每搭设完6m8m高度后4达到设计高度后5遇有六级强风及以上风或大雨后冻结地区解冻后6停用超过一个月三检查每项允许偏差时每项要有10个实测数据结论为合格或不合格其中实测数据70%在允许偏差范围内为合格否则为不合格

1、当您付费下载文档后,您只拥有了使用权限,并不意味着购买了版权,文档只能用于自身使用,不得用于其他商业用途(如 [转卖]进行直接盈利或[编辑后售卖]进行间接盈利)。
2、本站所有内容均由合作方或网友上传,本站不对文档的完整性、权威性及其观点立场正确性做任何保证或承诺!文档内容仅供研究参考,付费前请自行鉴别。
3、如文档内容存在违规,或者侵犯商业秘密、侵犯著作权等,请点击“违规举报”。

碎片内容

脚手架搭设的技术要求、允许偏差与检验方法

您可能关注的文档

wxg+ 关注
实名认证
内容提供者

该用户很懒,什么也没介绍

确认删除?
VIP
微信客服
  • 扫码咨询
会员Q群
  • 会员专属群点击这里加入QQ群
客服邮箱
回到顶部