电脑桌面
添加小米粒文库到电脑桌面
安装后可以在桌面快捷访问

恒张力控制系统在双变频拉丝机收卷上的改造VIP免费

恒张力控制系统在双变频拉丝机收卷上的改造_第1页
1/5
恒张力控制系统在双变频拉丝机收卷上的改造_第2页
2/5
恒张力控制系统在双变频拉丝机收卷上的改造_第3页
3/5
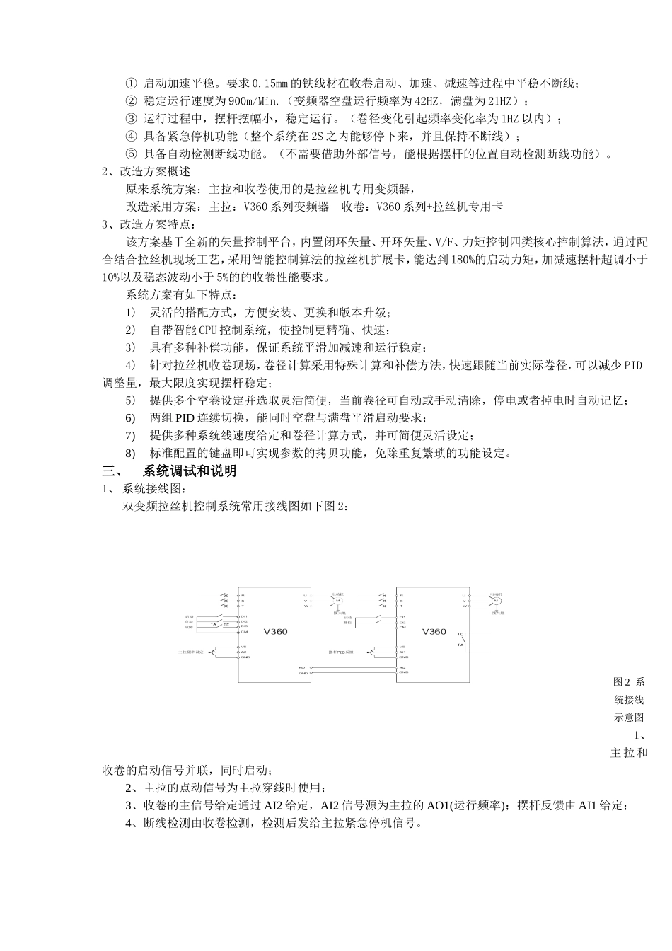
恒张力控制系统在双变频拉丝机收卷上的改造Thetransformationofconstanttensioncontrolsystemonthedual-frequencywiredrawingmachinewinding深圳市四方电气技术有限公司姜赞摘要:随着线缆行业工艺要求和人力成本的不断提高,拉丝机系统对变频收卷的要求也越来越高,原来需要人工辅助启动、加速超调过大、不能紧急不断线停机的变频器控制收卷系统方案已经越来越不能满足现代工艺要求,本文介绍了一种采用深圳市四方电气技术有限公司的V360高性能矢量变频器和拉丝机扩展卡结合的收卷控制方案。该方案在华东地区双变频细拉机的成功改造应用,极大提高了现场工人的劳动效率,减少了拉丝机工作过程中的断线率,提高了产品质量。关键字:变频器;水箱式拉丝机;张力控制KeyWords:Inverter;Wetwiredrawingmachine;Tensioncontrol引言电线电缆行业在国内是仅次于汽车行业的第二大行业,其产品也在多个行业中得到使用。拉丝机是金属线材生产的重要设备,主要功能是将各种线材拉成所需各种规格的细丝。从工作形式和机械结构上分为直进式、活套式、水箱式(也称双变频拉丝机)等。对于不同精度不同规格的产品,不同的金属种类,可选择不同规格的拉丝机械。对于铜铝基材的电线电缆生产企业,双变频控制的细拉机应用比较广泛,而对于大部分钢丝生产企业,针对钢材特性,使用直进式拉丝机较多。改造客户为华东地区某制造拉丝机设备和同时生产线材线缆的厂家。在优化机械结构基础上,对电气控制方案进行改造优化,通过现场实践,能很好的验证该方案与原方案的性能优势对比。一、双变频拉丝机工艺介绍水箱式双变频拉丝机系统通常有放线、拉丝、收卷等三部分组成。如图示1图1双变频器拉丝机工作原理图放线:拉丝机线材的放线过程,对于整个拉丝机环节来说,其控制没有过高精度要求,双变频控制的拉丝机械,利用拉丝环节的丝线张力通圆盘拉伸,也就是通过张力放线架自动放线。拉丝:不同金属物料,不同的产品精度和要求,拉丝环节有很大的不同,拉丝部分由一台主电机控制(称为主机),金属线材通过内部塔轮的导引,经过各级模具而逐步拉伸,以达到所要求规格的线材。同时在拉丝时,开启冷却液对模具冷却。收卷:收卷为双变频拉丝机最为关键的环节,对拉丝机的性能起决定性的影响,也是考验拉丝机电气系统性能的重要依据。收卷由一收卷电机(从机)带动收卷盘进行收卷,线材由拉丝部分出来经过张力摆杆,张力摆杆的作用是反馈当前的张力信号给从机,从机根据反馈信号的偏差调节输出频率,以此来保证在收卷过程中恒定的张力。二、现场工艺及改造方案介绍1、现场工艺要求:系统为19模具,进线1.5mm,出线0.15mm的水箱式拉丝机。其有如下要求:①启动加速平稳。要求0.15mm的铁线材在收卷启动、加速、减速等过程中平稳不断线;②稳定运行速度为900m/Min.(变频器空盘运行频率为42HZ,满盘为21HZ);③运行过程中,摆杆摆幅小,稳定运行。(卷径变化引起频率变化率为1HZ以内);④具备紧急停机功能(整个系统在2S之内能够停下来,并且保持不断线);⑤具备自动检测断线功能。(不需要借助外部信号,能根据摆杆的位置自动检测断线功能)。2、改造方案概述原来系统方案:主拉和收卷使用的是拉丝机专用变频器,改造采用方案:主拉:V360系列变频器收卷:V360系列+拉丝机专用卡3、改造方案特点:该方案基于全新的矢量控制平台,内置闭环矢量、开环矢量、V/F、力矩控制四类核心控制算法,通过配合结合拉丝机现场工艺,采用智能控制算法的拉丝机扩展卡,能达到180%的启动力矩,加减速摆杆超调小于10%以及稳态波动小于5%的的收卷性能要求。系统方案有如下特点:1)灵活的搭配方式,方便安装、更换和版本升级;2)自带智能CPU控制系统,使控制更精确、快速;3)具有多种补偿功能,保证系统平滑加减速和运行稳定;4)针对拉丝机收卷现场,卷径计算采用特殊计算和补偿方法,快速跟随当前实际卷径,可以减少PID调整量,最大限度实现摆杆稳定;5)提供多个空卷设定并选取灵活简便,当前卷径可自动或手动清除,停电或者掉电时自动记忆;6)两组PID连续切换,能同时空盘与满盘平滑启动要求;7)提供多种系统线速度给定和卷径计算方...

1、当您付费下载文档后,您只拥有了使用权限,并不意味着购买了版权,文档只能用于自身使用,不得用于其他商业用途(如 [转卖]进行直接盈利或[编辑后售卖]进行间接盈利)。
2、本站所有内容均由合作方或网友上传,本站不对文档的完整性、权威性及其观点立场正确性做任何保证或承诺!文档内容仅供研究参考,付费前请自行鉴别。
3、如文档内容存在违规,或者侵犯商业秘密、侵犯著作权等,请点击“违规举报”。

碎片内容

恒张力控制系统在双变频拉丝机收卷上的改造

书海行舟+ 关注
实名认证
内容提供者

热爱教学事业,对互联网知识分享很感兴趣

确认删除?
VIP
微信客服
  • 扫码咨询
会员Q群
  • 会员专属群点击这里加入QQ群
客服邮箱
回到顶部