电脑桌面
添加小米粒文库到电脑桌面
安装后可以在桌面快捷访问

文丘里管射流装置的结构及工作原理VIP免费

文丘里管射流装置的结构及工作原理_第1页
1/6
文丘里管射流装置的结构及工作原理_第2页
2/6
文丘里管射流装置的结构及工作原理_第3页
3/6
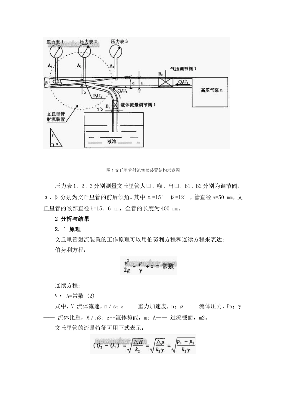
文丘里管射流装置的结构及工作原理作者:西南科技大学王海军着现代工业的加速发展,在工农业生产的诸多领域对射流技术的需求日渐广泛。如金属切割、打磨、工件的表面清洗等,因此,提高射流装置的效率,降低其成本,具有重要意义。现有的液体加压射流喷射器装置,主要是以气压机与泵相结合的加压喷射器装置为主。进入2O世纪8O年代以来,各国多把注意力集中在如何形成一种特殊的脉冲射流发生器上,许多研究人员为此进行了大量的研究与实验,提出了各种类型的脉冲水射流发生装置,但对于改进射流喷头方面并没有太大的发展,尤其是结构的简化方面。传统设备在生产工艺上虽然可以满足实际需求,但是其结构复杂、体积相对较大,且不能满足一些特殊的要求,如强腐蚀性液体、磨液、易堵高粘稠性液体等对设备损坏较大,造成设备无法正常运行,折旧速度加快。笔者利用文丘里管结合气压机的射流装置,革新了喷射器部分。在本设计中真空度主要由“文丘里管(真空泵主要构件)”产生,而且可以达到要求;若采用两根“文丘里管”串连,则产生的真空度达原来的十几倍。射流的压力大小主要由速度决定,调节气流的相关参数即可以对射流进行调节。本设计将原有普通连续水射流喷射器结构与文丘里管结构相结合,利用喷管高压空气流从小孔吹出的方式而使液室产生真空引力引起气液在混合室混合。因此,可以由空气吹出速度的大小来调节真空度的大小。该装置减少了原有的加压喷射器需要泵提供液体注入动力,节约了能量、减小了体积。图1文丘里管射流实验装置结构示意图压力表1、2、3分别测量文丘里管人口、喉、出口,B1、B2分别为调节阀,α、β分别为文丘里管的前后倾角。其中α=15°β=12°,管直径a=50mm,文丘里管的喉部直径b=15.6mm,全管的长度为400mm。2分析与结果2.1原理文丘里管射流装置的工作原理可以用伯努利方程和连续方程来表达:伯努利方程:连续方程:V·A=常数(2)式中,V-流体流速,m/s;g——重力加速度,n;ρ——流体压力,Pa;γ——流体比重,M/n3;z--流体势能,m;A——过流截面,m2。文丘里管的流量特征可用下式表示:式中,Q1——注人文丘里管的液体量,m/s;Q2——文丘里管流出流量,m/s;△H-文丘里管前后压差,m;△p——文丘里管前后压力损失,Pa;k2——与△H相对应的总阻力综合参数;p1——并联文丘里管的入口压力,Pa;p2——并联文丘里管的出口压力,Pa。支管两端的压力损失△H可用下式表达:式中Σζ--支管各处(包括文丘管)的总阻力系数;v--通过支管各处的流量m/s。导出总阻力综合参数k2及流速v2、v3由式(2)、(3)、(4)可以推出:式中d-喷管各处的直径,m。又由式(2)、(3)可以推出:式中v2——通过文丘里管导出的液体流速,m/s;v3——通过文丘里管喉部的流速,m/s。在文丘里管的喉部应用伯努利方程(1)得:式中p3——文丘里管的喉部压力,Pa;△h1——文丘里管逐步缩小的压力损失,m;△h2——压力表(1)与文丘里管前端之间的压力损失,m。由(3)、(4)、(5)、(6)、(7)、(8)可以推出P3与△p、P4、Q2以及文丘里管结构性能参数(k2、c1、c、d2、d3)之间的函数关系式:式中,c1为与△h1相对应的前倾角阻力系数,c为与△h2相对的阻力系数。根据以上推导,理论上可得出如下结论:(1)、文丘里管喉部压力P3与前后压力差△p成线性关系即与△H成线性关系;(2)、文丘里管喉部压力P3与流量平方(Q2-Q1)2成线性关系。2.2实验研究建立图1的试验装置,以上述特定的文丘里管射流喷射器装置为研究对象。结合公式(3)、(9)的结论,通过调节阀b1、b2及高压气泵a对上述试验装置相关参数进行测量得到P3与△H以及Q22之间的经验公式和关系曲线(图2、图3)。通过对两组参数的测定,所得的实测数据经线性拟合数据得p3与△H以及与Q22有如下经验公式:P3=-0.140△H+0.050P3=-0.033(Q2-Q1)2+0.430在实际的自吸式液体加压喷射器装置的加工中可以通过控制参数的△H大小来对装置的型号进行确定。在实际的生产过程中则可以通过调节流量Q22来进行适时控制。3结论利用文丘里管与原有射流喷头相结合而设计的新型射流喷射器装置,不仅结构简单,造价低,而且其可行性强。P3与流过的流量成线性关系(如图2...

1、当您付费下载文档后,您只拥有了使用权限,并不意味着购买了版权,文档只能用于自身使用,不得用于其他商业用途(如 [转卖]进行直接盈利或[编辑后售卖]进行间接盈利)。
2、本站所有内容均由合作方或网友上传,本站不对文档的完整性、权威性及其观点立场正确性做任何保证或承诺!文档内容仅供研究参考,付费前请自行鉴别。
3、如文档内容存在违规,或者侵犯商业秘密、侵犯著作权等,请点击“违规举报”。

碎片内容

文丘里管射流装置的结构及工作原理

您可能关注的文档

确认删除?
VIP
微信客服
  • 扫码咨询
会员Q群
  • 会员专属群点击这里加入QQ群
客服邮箱
回到顶部