电脑桌面
添加小米粒文库到电脑桌面
安装后可以在桌面快捷访问

混凝土外掺料VIP免费

混凝土外掺料_第1页
1/11
混凝土外掺料_第2页
2/11
混凝土外掺料_第3页
3/11
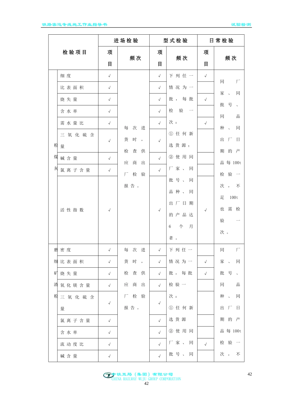
铁路客运专线施工作业指导书试验检测5混凝土外掺料5.1混凝土外掺料的定义及作用5.1.1混凝土外掺料的定义混凝土生产中为改善其某些性能(特别是改善混凝土耐久性行不通)、而加入的矿物材料。外掺料可分为活性掺合料和非活性掺合料。活性掺合料是指某些自身具有水硬性的材料(如碱性粒化高炉矿渣、增钙液态渣、烧页岩灰等)或某些自身不具有水硬性、但经磨细与石灰或与石灰和石膏拌合在一起、加水后能在常温下具有胶凝性的水化产物、既能在水中又能在空气中硬化的掺合料(如酸性粒化高炉矿渣、硅粉、沸石粉、粉煤灰、烧页岩、火山灰质材料等)。非活性掺合料是指某些不具有水硬性或活性甚低的人造或天然矿物材料,一般与水泥不起化学反应或很难反应,掺入混凝土中主要起填充作用或改善混凝土的和易性,如磨细石英砂、石灰石、粘土等。5.1.2混凝土外掺料的作用当外掺料加入混凝土中与水泥一同搅拌后,不会立即发生反应,而要到时水泥水化反应进行到一定程度,水化产物氢氧化钙达到一定浓度之后,才会反应,这称为二次反应。二次反应的产生会填充混凝土中的孔隙,使混凝土更加密实,从而提高混凝土的耐久性性能。当然,外掺料还可以改善混凝土的和易性,这是众所周知的,这里来再强调。在混凝土技术发展到现阶段,特别是在高性能混凝土的要求下,我们重新认识外掺料。以往传统的观点,由于水泥生产不足,缺乏水泥,故往往用粉煤灰、粒化高炉矿渣等替代一部分水泥,达到节约水泥的目的。但是现在这种观念已发生了变化,外掺料是混凝土必不可少的组分,而不仅仅是废物利用。由于各大火电厂已将粉煤灰作为一种产品来进行生产管理,比如在磨制煤粉时,有意识地加入生石灰,在燃烧后形成高钙粉煤灰,虽然这样会降中铁五局(集团)有限公司CHINARAILWAYWUJUGROUPCORPORATION4040铁路客运专线施工作业指导书试验检测低用于发电的热量,但能获得更好看粉煤灰产品。目前我国很多的粉煤灰资源已能达到标准规定的要求。同样,对于炼铁所得到的粒化高炉矿渣,以前往往是将它与水泥一起混磨,这样生产的水泥其保水性不好。原因在于矿渣比水泥熟料难磨,混磨时,水泥熟料已磨到规定细度甚至更细,而矿渣还未磨到要求的细度,因此水泥的保水性不好,并且矿渣的活性也未得到充分发挥。目前的技术可以将矿渣磨到4500cm2/kg以上,这种细粉加入混凝土中可以极大地改善混凝土的性能。技术的进步,已将外掺料的使用从废物利用的层面提升到了必须用的层面,使外掺料继混凝土外加剂成为混凝土的第六大组分。5.2外掺料质量检验要求:外掺料试样应存放在密封干燥的容器内(一般使用铁桶或塑料桶),并在容器上注明生产厂名称、品种、强度等级、出厂日期、取样日期等。按同一生产厂家、同一等级、同一品种、同一批号且连续进场的外掺料为一批,总重量不超过100t。取样应有代表性,可以从20个以上不同部位的袋中取等量样品20kg,经混拌均匀后称取,取样前应将外掺料外层除去150~200mm。外掺料性能检验指标及频率见表5.1。按上述方法取得的外掺料样品,按标准规定进行检验前,将其分成两等份,一份用于标准检验,一份密封保存三个月,以备有疑问时复检。生产日期超过3个月或对外掺料质量有怀疑时,应进行复验,并按复验结果使用。外掺料在现场保管时,应分别存放在棚内,且应垫高10cm,以免受潮。并且应有明确的标识,以避免错用。表5.1外掺料性能检验表中铁五局(集团)有限公司CHINARAILWAYWUJUGROUPCORPORATION4141铁路客运专线施工作业指导书试验检测检验项目进场检验型式检验日常检验项目频次项目频次项目频次粉煤灰细度√每次进货时,检查供应商出厂检验报告。√下列任一情况为一批,每批检验一次:①任何新选货源;②使用同厂家、同批号、同品种、同出厂日期的产品达6个月者。√同厂家、同批号、同品种、同出厂日期的产品每100t检验一次,不足100t也需检验一次。比表面积√√烧失量√√√含水率√√需水量比√√√三氧化硫含量√√碱含量√√氯离子含量√√活性指数√√√磨细矿渣粉密度√每次进货时,检查供应商出厂检验报告。√下列任一情况为一批,每批检验一次:①任何新选货源②使用同厂家、同批号、...

1、当您付费下载文档后,您只拥有了使用权限,并不意味着购买了版权,文档只能用于自身使用,不得用于其他商业用途(如 [转卖]进行直接盈利或[编辑后售卖]进行间接盈利)。
2、本站所有内容均由合作方或网友上传,本站不对文档的完整性、权威性及其观点立场正确性做任何保证或承诺!文档内容仅供研究参考,付费前请自行鉴别。
3、如文档内容存在违规,或者侵犯商业秘密、侵犯著作权等,请点击“违规举报”。

碎片内容

混凝土外掺料

您可能关注的文档

确认删除?
VIP
微信客服
  • 扫码咨询
会员Q群
  • 会员专属群点击这里加入QQ群
客服邮箱
回到顶部