电脑桌面
添加小米粒文库到电脑桌面
安装后可以在桌面快捷访问

计算机专业考研真题讲解VIP专享VIP免费

计算机专业考研真题讲解_第1页
1/4
计算机专业考研真题讲解_第2页
2/4
计算机专业考研真题讲解_第3页
3/4
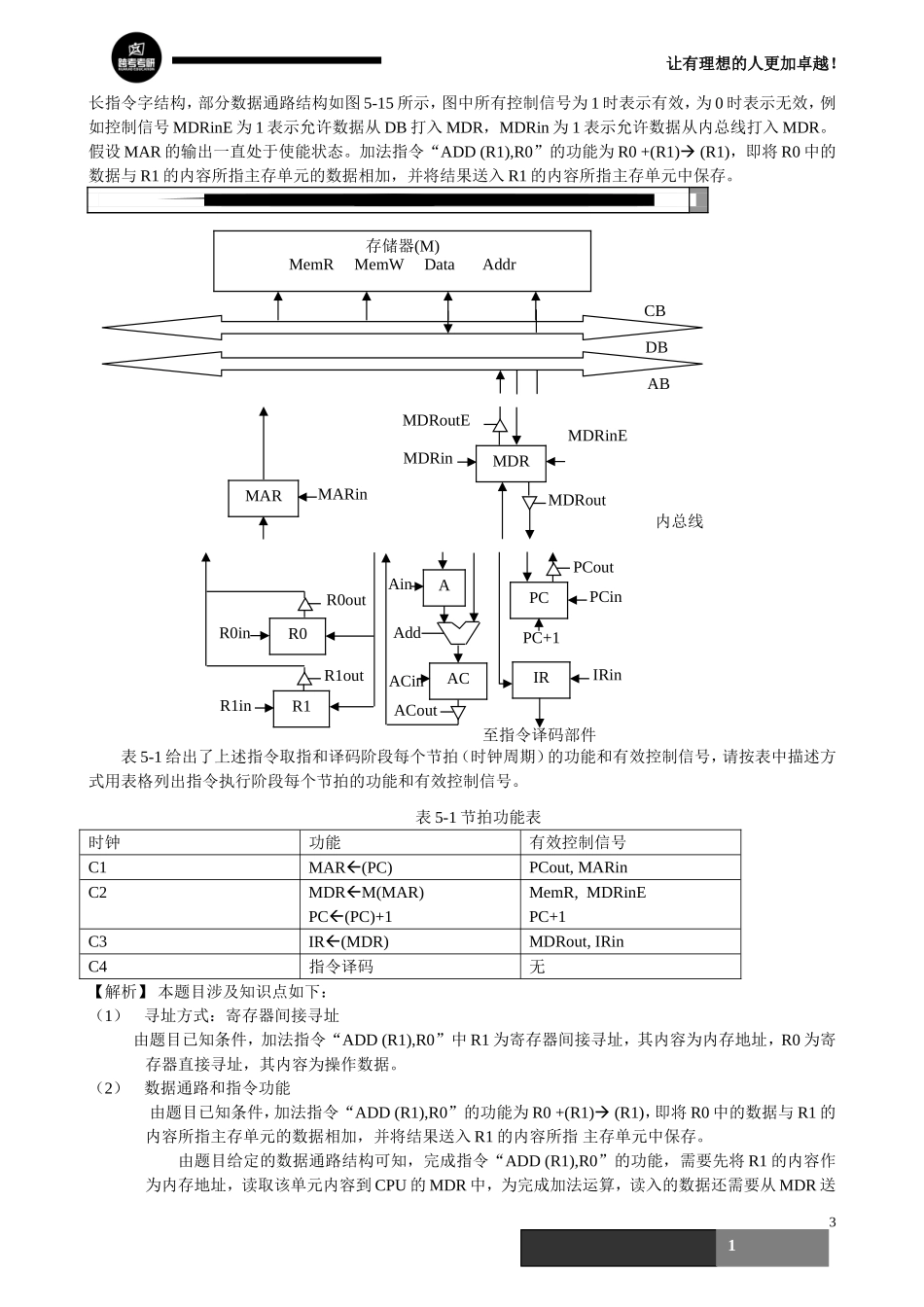
1让有理想的人更加卓越!【例1】(2009年全国计算机学科联考专业基础综合卷第12题,2分):一个C语言程序在一台32位机器上运行。程序中定义了三个变量x、y、z,其中x和z是int型,y为short型。当x=127,y=-9时,执行赋值语句z=x+y后,x、y、z的值分别是A.X=0000007FH,y=FFF9H,z=00000076HB.X=0000007FH,y=FFF9H,z=FFFF0076HC.X=0000007FH,y=FFF7H,z=FFFF0076HD.X=0000007FH,y=FFF7H,z=00000076H【解析】D。本题目涉及知识点如下:(1)十进制数转换为二进制数:十进制转二进制的方法为整数部分除2取余倒计数,小数部分乘2取整正计数。(2)转成32位补码[127]补=[1111111B]补=[+0000000000000000000000001111111B]补=00000000000000000000000001111111B=0007FH[-9]补=[-1001B]补=[-0000000000000000000000000001001B]补=11111111111111111111111111110111B=0FFF7H(3)求x+y的真值及补码127+(-9)=118[118]补=[1110110B]补=[+0000000000000000000000001110110B]补=00000000000000000000000001110110B=00076H或补码直接求和:0007FH+0FFF7H=00076H答案为D。【例2】(2009年全国计算机学科联考专业基础综合卷第13题,2分):浮点数加减运算过程一般包括对阶、尾数运算、规格化、舍入和判溢出等步骤。设浮点数的阶码和尾数均采用补码表示,且位数分别为5位和7位(均含2位符号位)。若有两个数X=27×29/32,Y=25×5/8,则用浮点加法计算X+Y的最终结果是A:001111100010B:001110100010C:010000010001D:发生溢出【解析】D。本题目涉及知识点如下:(1)浮点数表示:设X=Mx*2Ex,Y=My*2Ey[Mx]补=[29/32]补=[+0.11101B]补=0011101B[My]补=[5/8]补=[+0.101B]补=[+0.10100B]补=0010100B[Ex]补=[7]补=[+111B]补=00111B[Ey]补=[5]补=[+101B]补=00101BX:00111B0011101BY:00101B0010100B(2)对阶19/2...1=4/2...0=2/2...0=1/2...19=1001B127/2...1=63/2...1=31/2...1=15/2...1=7/2...1=3/2...1=1/2...1127=1111111B2让有理想的人更加卓越!精勤求学自强不息Ex>Ey,所以Y:00111B000010100B,[My]补=000010100B,[Ey]补=00111B(3)尾数求和[Mx+My]补=0100010B(4)右规尾数的和溢出,需要通过右移进行规格化,但是当前阶码已经为最大值00111B,无法通过右移进行规格化。(5)溢出判断无法通过右移完成结果的规格化,运算结果溢出,答案为D。【例3】(2009年全国计算机学科联考专业基础综合卷第16题,2分):某机器字长16位,主存按字节编址,转移指令采用相对寻址,由两个字节组成,第一字节为操作码字段,第二字节为相对位移量字段。假定取指令时,每取一个字节PC自动加1。若某转移指令所在主存地址为2000H,相对位移量字段的内容为06H,则该转移指令成功转以后的目标地址是A:2006HB:2007HC:2008HD:2009H【解析】本题目涉及知识点如下:(1)由题意,转移指令由两个字节组成,所以取入转移指令后PC的值加2,为2002H。(2)相对寻址的目标地址=PC的值+指令中给定的偏移量=2001H+06H=2008H。答案为C。【例4】(2012年全国计算机学科联考专业基础综合卷第18题,2分):某计算机的控制器采用微程序控制方式,微指令中的操作控制字段采用字段直接编码法,共有33个微命令,构成5个互斥类,分别包含7、3、12、5和6个微命令,则操作控制字段至少有A:5位B:6位C:15位D:33位【解析】本题目涉及知识点如下:(1)微操作类型相容性微操作:同时或同一个CPU周期内可以并行执行的微操作。相斥性微操作:不能同时或在同一个CPU周期内并行执行的微操作(2)微命令编码直接控制法:微指令控制字段的一种编码方法,每个微命令占一位。直接编码法:相斥的n个微命令可以采用编码法表示,占log2n+1位。混合编码法:相斥微命令采用直接编码法,相容微命令采用直接控制法。(3)7个互斥的微命令采用直接编码法至少需要log27+1位,即3位。3个互斥的微命令采用直接编码法至少需要log23+1位,即2位。12个互斥的微命令采用直接编码法至少需要log212+1位,即4位。5个互斥的微命令采用直接编码法至少需要log25+1位,即3位。6个互斥的微命令采用直接编码法至少需要log26+1位,即3位。至少需要3+2+4+3+3=15...

1、当您付费下载文档后,您只拥有了使用权限,并不意味着购买了版权,文档只能用于自身使用,不得用于其他商业用途(如 [转卖]进行直接盈利或[编辑后售卖]进行间接盈利)。
2、本站所有内容均由合作方或网友上传,本站不对文档的完整性、权威性及其观点立场正确性做任何保证或承诺!文档内容仅供研究参考,付费前请自行鉴别。
3、如文档内容存在违规,或者侵犯商业秘密、侵犯著作权等,请点击“违规举报”。

碎片内容

计算机专业考研真题讲解

确认删除?
VIP
微信客服
  • 扫码咨询
会员Q群
  • 会员专属群点击这里加入QQ群
客服邮箱
回到顶部