电脑桌面
添加小米粒文库到电脑桌面
安装后可以在桌面快捷访问

综合接地测验1VIP免费

综合接地测验1_第1页
1/4
综合接地测验1_第2页
2/4
综合接地测验1_第3页
3/4
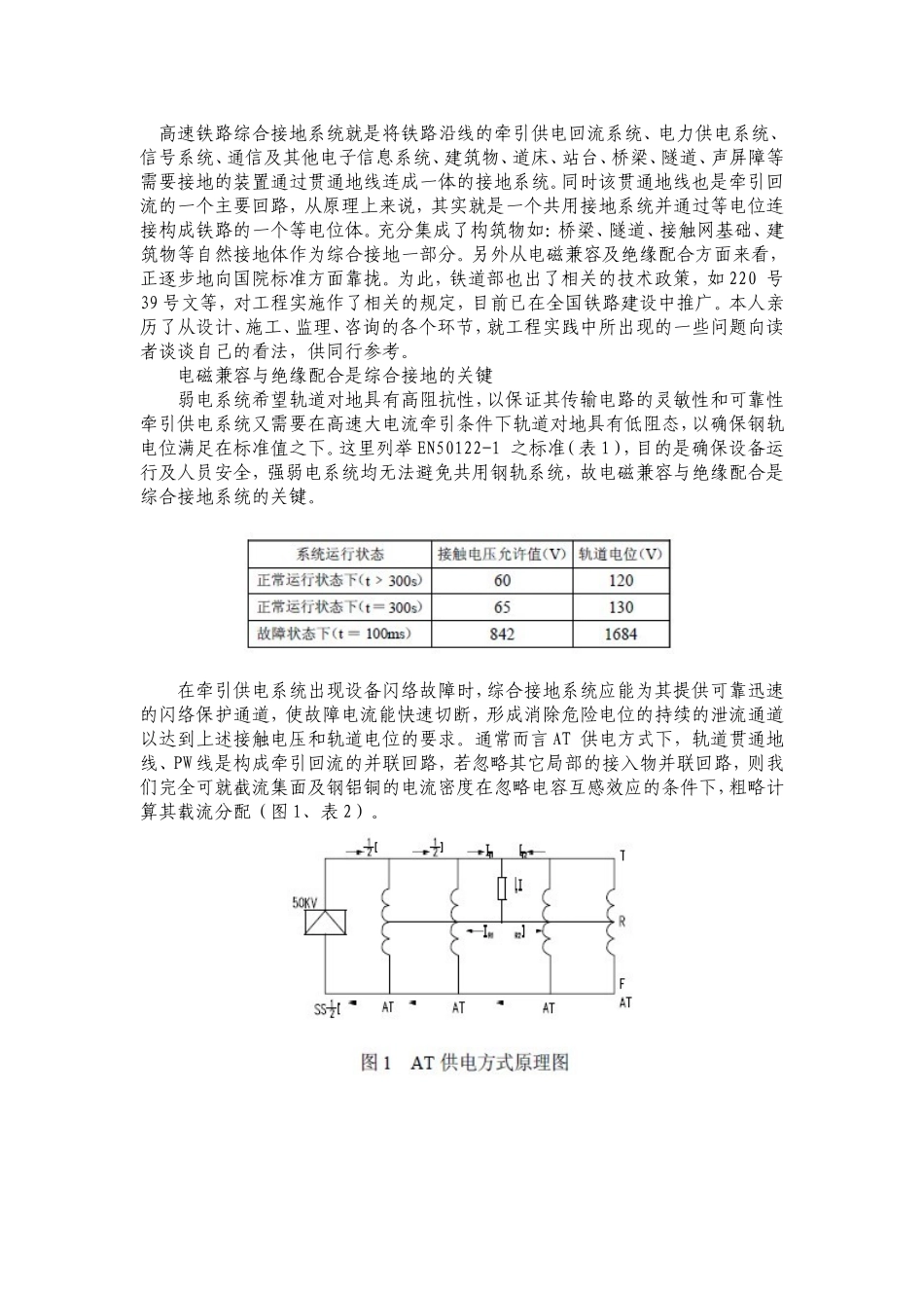
高速铁路综合接地系统就是将铁路沿线的牵引供电回流系统、电力供电系统、信号系统、通信及其他电子信息系统、建筑物、道床、站台、桥梁、隧道、声屏障等需要接地的装置通过贯通地线连成一体的接地系统。同时该贯通地线也是牵引回流的一个主要回路,从原理上来说,其实就是一个共用接地系统并通过等电位连接构成铁路的一个等电位体。充分集成了构筑物如:桥梁、隧道、接触网基础、建筑物等自然接地体作为综合接地一部分。另外从电磁兼容及绝缘配合方面来看,正逐步地向国院标准方面靠拢。为此,铁道部也出了相关的技术政策,如220号39号文等,对工程实施作了相关的规定,目前已在全国铁路建设中推广。本人亲历了从设计、施工、监理、咨询的各个环节,就工程实践中所出现的一些问题向读者谈谈自己的看法,供同行参考。电磁兼容与绝缘配合是综合接地的关键弱电系统希望轨道对地具有高阻抗性,以保证其传输电路的灵敏性和可靠性牵引供电系统又需要在高速大电流牵引条件下轨道对地具有低阻态,以确保钢轨电位满足在标准值之下。这里列举EN50122-1之标准(表1),目的是确保设备运行及人员安全,强弱电系统均无法避免共用钢轨系统,故电磁兼容与绝缘配合是综合接地系统的关键。在牵引供电系统出现设备闪络故障时,综合接地系统应能为其提供可靠迅速的闪络保护通道,使故障电流能快速切断,形成消除危险电位的持续的泄流通道以达到上述接触电压和轨道电位的要求。通常而言AT供电方式下,轨道贯通地线、PW线是构成牵引回流的并联回路,若忽略其它局部的接入物并联回路,则我们完全可就截流集面及钢铝铜的电流密度在忽略电容互感效应的条件下,粗略计算其载流分配(图1、表2)。这里就提出了客运专线想在道床高阻条件下,机车通过时要求信号扼流变压器线圈的容流能力必须大于1000A,同时当满足贯通地线接地电阻为<1的前提下,接入贯通地线的设备其耐压水平必须达到6000V,当不满足EN50122-1标准要求时,我们认为有必将贯通地线接地电阻降为0.1可确保设备人生安全。对于综合接地接入物必须进行单端接入,不能构成电流回路,尤其是对于电缆外壳,构筑物预应力钢筋均应单端接入,不能形成通路,以免烧损设备破坏绝缘及对构筑物强度产生影响。天桥、站台、临线维修人员在线作业带来的人身安全问题就必须归到等电位及绝缘配合的范畴,这方面铁道部已出台的规定及铁四院与北方交大的客运专线钢轨电位的研究表明,综合接地在等电位及绝缘配合方面完全满足相关规范要求并能保证人身安全。如何评估综合接地客运专线综合接地除了做一些工程实施系统外,是否应该在设计阶段作出系统的设计,基础性一些自然接地极的设计,包括桥墩、沉台、隧道锚杆、单极电阻的测量;分段电阻值的测量;大地导电体土壤干湿度单极电阻的测量;最后通过钢轨及贯通地线连成一体有效电阻值评估,成为我们的新课题。同时土建施工在前,而综合接地用户却是在站后,如何切实有效的引入验收机制,并且在单极分段验收中无法达到设计要求时,如何来通过加接人工接地极来补强成为了关键问题。特别是在长大隧道内当隧道内设施已建成后就很难加人工接地体来对综合接地进行补救。由于共用接地体,在运营维护时,运营管理公司必须制定相关文件,落实综合接地系统的使用与维护部门,让各部门承担相关的责任与义务。就建设时期所出现的一些问题,建议运营管理公司可以将综合接地的维护管理交由各土建管理单位(桥、隧、路基、站场),并由专门部门进行统一协调管理。武广局部地段测试结果及带来的问题为了能及时了解综合接地系统在建设过程中的具体情况,我们对各个工点进行了检测,以下是武广客运专线所检测的一些数据(表3)。(测试采用手摇电阻仪,直线布极法)表3武广客运专线综合接地测试电阻表序号工程名称位置电阻值备注1猴岩特大桥18#桥墩0.9桩基2布惊坪大桥6#桥墩0.2桩基3大燕河特大桥122#桥墩0.3桩基4大石特大桥1#桥墩10扩大基础5竹园特大桥16#桥墩9扩大基础6水背坑特大桥4#桥墩7扩大基础7眼睛塘特大桥1#桥墩7扩大基础8廊步特大桥16#桥墩4.8扩大基础9西洞1#中桥1#桥墩9.9扩大基础10柯树坝特大桥3#桥墩0.3桩基11马哉...

1、当您付费下载文档后,您只拥有了使用权限,并不意味着购买了版权,文档只能用于自身使用,不得用于其他商业用途(如 [转卖]进行直接盈利或[编辑后售卖]进行间接盈利)。
2、本站所有内容均由合作方或网友上传,本站不对文档的完整性、权威性及其观点立场正确性做任何保证或承诺!文档内容仅供研究参考,付费前请自行鉴别。
3、如文档内容存在违规,或者侵犯商业秘密、侵犯著作权等,请点击“违规举报”。

碎片内容

综合接地测验1

您可能关注的文档

确认删除?
VIP
微信客服
  • 扫码咨询
会员Q群
  • 会员专属群点击这里加入QQ群
客服邮箱
回到顶部