电脑桌面
添加小米粒文库到电脑桌面
安装后可以在桌面快捷访问

垫板拍浆法施工工艺技术研发VIP免费

垫板拍浆法施工工艺技术研发_第1页
1/4
垫板拍浆法施工工艺技术研发_第2页
2/4
垫板拍浆法施工工艺技术研发_第3页
3/4
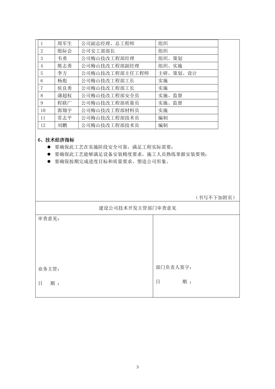
技术开发项目立项建议报批书(SBC技16)上海宝冶建设有限公司技术开发项目立项建议报批书项目名称:垫板拍浆法施工技术研发项目类别:施工工艺技术开发编制人:项目单位项目负责人(签字):项目承担单位(盖章):南京分公司梅山技改工程部上海宝冶建设有限公司技术开发主管部门制定1技术开发项目立项建议报批书上海宝冶建设有限公司技术开发项目立项建议报批书项目名称:垫板拍浆法施工技术研发立项理由:(着重对该技术的国内外现状、项目立项背景、立项理由、拟开发的关键技术名称、项目开发费用预算、实施进度计划、开发小组成员、项目开发技术标准经济指标等内容加以描述)1、立项背景现有热轧钢卷运输系统为从日本引进的二手设备。由于主运输链为立卷运输,入库时需翻卷两次,经常发生钢卷擦伤及折边,造成成材率和外观质量下降。钢卷运输链改造工程目的是对设备的老化进行升级改造,同时将现有的立卷运输链改为卧卷运输系统,减少和消除钢卷在运输过程中对钢卷边部的损伤。本工程改造利用年修时间拆除1#、2#卷取机旁边的翻卷机,新增升降鞍座和C型运卷小车;将H1、H2链改为鞍座型快速运输链和步进梁运输机,其中心线与原H1快速运输链中心线一致,从而将钢卷立式运输改为卧式运输。2、立项理由本工程年修时间仅为12天,在这12天内需要把原有的运输线拆掉包括:拆除1#、2#卷取机旁边的翻卷机及相应管线,拆除H1链、H2链、部分H3链(拆至新增固定鞍座后)及相应管线,拆除称重机、喷印机,拆除此区域间走道、平台梯子等。设备拆除完成后,进行新设备基础施工,最终完成新运输线安装调试包括:新增升降鞍座和C型运卷小车,新增鞍座型快速运输链和1#步进梁运输机,新增钢卷称重装置、卷心拍齐装置、钢卷喷印装置、十字固定鞍座。对于新运输线设备安装本来是比较容易的项目,而在短短的12天内完成上述旧设备拆除、新设备基础施工、新设备安装调试,却是一件非常不易的事情,若按照常规的施工工艺方法进行施工,很难保证此次工程按期完成。针对此种情况,我们大胆的提出垫板拍浆法工艺,既减少了用常规的座浆法所需要的养护时间,又使新设备基础与二次灌浆一次施工成型,为以后设备安装调试省出至少36个小时,这对于年修总共288小时是非常宝贵的。此垫板拍浆法施工工艺可形成切实可行的施工工艺,指导施工实践,确保该工程高质量、低成本顺利安全完成。该施工工艺的开发为此类相似情况的安装提供指导和借鉴。3、关键技术垫板设计垫板拍浆设备三找4、实施进度计划本项目开发进度安排为2008年11月--2009年2月,主要进度安排如下:2008年11月底为施工工艺设计阶段,包括初步设计方案的优化、工艺分析和详图设计;2008年12月1日至2008年12月14日为加工改进阶段,包括垫板加工;2008年12月15日至12月27日为实施阶段,主要为施工工艺实施、应用;2008年12月27日至2009年2月25日为技术总结阶段,包括编写技术总结、项目科研报告。5、开发小组成员序号姓名职务职称主要研制(究)工作内容21周军生公司副总经理、总工程师组织2殷际会公司安工部部长组织3韦勇公司梅山技改工程部经理组织、策划4熊志勇公司梅山技改工程部副经理组织、实施5李方公司梅山技改工程部主任工程师主研、策划、设计6杨彪公司梅山技改工程部工长实施7侯良勇公司梅山技改工程部工长实施8蒲超权公司梅山技改工程部安全员实施、监督9程联广公司梅山技改工程部质量员实施、监督10郭翔宇公司梅山技改工程部材料员实施11常志平公司梅山技改工程部技术员编制12刘鹏公司梅山技改工程部技术员编制6、技术经济指标要确保此工艺在实施阶段安全可靠,满足工程实际需要;要确保此工艺能够满足设备安装精度要求,施工人员熟练掌握安装要领;要确保按期完成进度目标和质量要求,塑造公司形象。(书写不下加附页)建设公司技术开发主管部门审查意见审查意见:业务主管:日期:部门负责人签字:日期:3技术开发项目立项建议报批书费用初审表上海宝冶建设有限公司技术开发项目立项建议报批书费用初审表项目名称垫板拍浆法施工技术研发项目费用计划总额(元)84288项目费用主要组成部分项目开发前的工艺、产品设计费...

1、当您付费下载文档后,您只拥有了使用权限,并不意味着购买了版权,文档只能用于自身使用,不得用于其他商业用途(如 [转卖]进行直接盈利或[编辑后售卖]进行间接盈利)。
2、本站所有内容均由合作方或网友上传,本站不对文档的完整性、权威性及其观点立场正确性做任何保证或承诺!文档内容仅供研究参考,付费前请自行鉴别。
3、如文档内容存在违规,或者侵犯商业秘密、侵犯著作权等,请点击“违规举报”。

碎片内容

垫板拍浆法施工工艺技术研发

您可能关注的文档

确认删除?
VIP
微信客服
  • 扫码咨询
会员Q群
  • 会员专属群点击这里加入QQ群
客服邮箱
回到顶部